Автопилот Arduplane - открытое ПО
Да я в курсе, что нельзя. Это как пример. Я в схеме не копался, просто высказал предположение. По-моему, от разных источников питать APM не есть гуд. Нужно либо переключатель делать либо еще что думать. А так - хозяин барин.
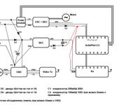
Вы все равно думаете, что возможно сгорание платы?
а вот я думаю что насчитал ажно три граундлупа… непомн. как оно правильно зовётся… но когда по земле есть кольца это провоцирует электронику шуметь…земля должна быть одна, но надежная, резервировать ее плёха.
а вот я думаю что насчитал ажно три граундлупа… непомн. как оно правильно зовётся… но когда по земле есть кольца это провоцирует электронику шуметь…земля должна быть одна, но надежная, резервировать ее плёха.
теоретически если сделать точкой распределения GND то место где спаяны толстые черные провода на повермодуле то петли будут минимизированы
теоретически если сделать точкой распределения GND то место где спаяны толстые черные провода на повермодуле то петли будут минимизированы
Не могли бы вы исправить предложенную схему. Будет более понятно. Заранее огромное спасибо.
отрежте GND в сигнальном проводе с регулятора, отрежте землю между BEC и приемником
а далее както доставьте землюк сервам из точки P1 к сервам
разумеется земля серв не должна кантоктировать с землей ардупайлота
ну и ещё на схеме там не понятно … но конденсаторы шунтирующие C1 и С2 как минимум максимально близкко к устройству (OSD и приемнику) и для надежносьти раз уж делаете то заместо каждого паралельно два, один керамический небольшой емкости типа 0.1мкф и один электролит на побольше от крадковременных просадок… кеаамика будет гасить высокочастотный серв\мотора\итд электролит будет прятать пусковые токи и просадку серв\мотора
вот както так, ещё порвать землю либо с повермодуля на ардупайлот либо с бека на приемыш, оставить ту что толще чтобы сервам хватило.
ну и провод 5в между приемником и ардупайлотом почикать
нарисовал оптопару, если регуль “опто” то ее ненадо
Как на практике можно сделать оптопару? Можно ли купить ее за вменяемые деньги как отдельный элемент?
сервы питать от отдельного юбека
Т.е. сейчас в вашем варианте схемы основной BEC не питает сервы. Нужно добавлять еще один (всего получится три BEC’a)?
сервы питают от бека регулятора только на мелких моделях,
в тяжелых моделях где питание серв 7,4 вольта а потребляемый ток под 10 ампер ставят специальные мощные беки для серв (или специальные “повермодули”)
еще один довод не использовать напряжение с регулятора оборотов - если регулятор оборотов перегревается - питание бывает вырубается если в этой ситуации остаться без тяги мотора - модель можно спасти, если без питания серв - то маловероятно
к стати седня получил посылочку от рцтаймера…от дайдронцев получил раньше ибо федекс, выводы ни в пользу никого все молодцы но:
- про дайдронцев - повермодуль, красивая коробочка для платки, скальпелем вырезаные дырочки на патче жпс, непропаяный сдвигатель уровней с 5в меги на 3.3. датчиков исправил но сложно 350 градусов воздуха на выходе воздухопояльнека не помогло отпаять некросхемку)), забыли положить второй радиомодуль телеметрии(исправили) , термоусадка радиомодуля который был в перворй итерации была не осажена…
- про китайцев - в дешовокомплект повермодуль не входит, как и коробочка… дырачки от скальпеля на антенне жпс также имеются))) , пропайку пока не проверял, но у дайдронсев судя по всему безсвинцовый припой радиомодули все в комплекте но без термоусадки)))
СУБЪЕКТИВНОЕ МНЕНИЕ: дайдронцам за их цену неплохо бы усилить контроль качества… как доставки так и железок которые доставляют)))… но в целом пока ототвсюду плюс)))
дырачки от скальпеля на антенне жпс также имеются
Это где?
не в курсе почему не работает сайт рцтаймер, не могу зайти к ним на сайт , пишут
Not Found
The requested document was not found on this server.
Web Server at rctimer.com
Это где?
скорее всего имеются ввиду насечки которые наносят при настройке антенны
не в курсе почему не работает сайт рцтаймер, не могу зайти к ним на сайт , пишут
Not FoundThe requested document was not found on this server.
Web Server at rctimer.com
HobbyKing тоже не фурычит. Что-то там массовое.
не в курсе почему не работает сайт рцтаймер, не могу зайти к ним на сайт , пишут
Not Found
The requested document was not found on this server.
Web Server at rctimer.com
Нет, сайт работает. Не работает только верхний фрейм страниц. Поэтому Internet Explorer сразу отваливается, а Opera нормально открывает страницы, правда, без этой верхней узкой полоски.
В яндекс-браузере у меня нормально открывается.
скорее всего имеются ввиду насечки которые наносят при настройке антенны
они самые)))
еще один довод не использовать напряжение с регулятора оборотов - если регулятор оборотов перегревается - питание бывает вырубается если в этой ситуации остаться без тяги мотора - модель можно спасти, если без питания серв - то маловероятно
Есть интересный вариант не бортового акка, а аварийного- очень малой емкости (~300-500мач) на случай отказа. Без мотора все равно никто никуда не полетит, а аварийный служит для питания борта в течении тех 10 минут, пока борт садится.
они самые)))
Эти?

В нижнем правом углу.😎
Мзвиняюсь за офф.У рстайма воздушные датчики скорости начали продовать.
Возможно ли получить на APM 2.X 10 или 12 каналов по PPM?
А так же раздать на OUT9-11.
Не хватает мне 8 каналов. 😃
Возможно ли получить на APM 2.X 10 или 12 каналов по PPM? А так же раздать на OUT9-11. Не хватает мне 8 каналов.
по идее можно юзать два пульта - один пилоту - второй оператору фпв для поворота камеры и управления съемкой
и просто и дешево
по идее можно юзать два пульта - один пилоту - второй оператору фпв для поворота камеры и управления съемкой
и просто и дешево
Да мне для всяких плюшек типа подсветки, пищалки(если в траву упадет).