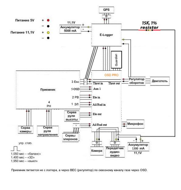
Обзор Eagletree OSD Pro
вообщем немного не в тему
Это точно.
а потом уже от второго маленького работает вся система включая двигатель.
Да неужели?😁 А для чего, как вы думаете ставят отдельный акк на видео? Чем тогда ваша схема будет отличаться от схемы питания всего оборудования от 1 ака или 2 в параллель? Вы бы сначала разобрались в сути резервирования питания. Почитайте соответствующую тему.
неточно описал, второй акк подключается к системе после осушения первого (через шотки диоды = кондеры нля фильтрации), как я понима.ю…а там пускай хоть какие помехи будут, главное дотянуть до полосы)
второй акк подключается к системе после осушения первого
Как не подключай, через диод или без. Аки будут разряжаться практически одновременно. А рассеиваемую на диоде мощьность куда девать? А помехи от регуля ? Ведь для этого в основном и второй акк ставиться.
а там пускай хоть какие помехи будут, главное дотянуть до полосы)
Они будут всегда. Кондер не помогает
ненаю, вроде как туьт схему откопал, вроде уже многие соорудили и вроде нормально раблотает)
Вы не правильно поняли схему.
И хорошь флудить, перебирайтесь с этими вопросами сюда : rcopen.com/forum/f90/topic264557
Кста по поводу питания. Не стоит пренебрегать хвостиком “battery backup cable”. Известная проблема с OSD, типа не стартует но по менюшкам бегает, перерасла в Stabilizer not connected, когда я бек переключил с 6 на 5 вольт.
Это относительно логера третьей версии.
Немного не в тему… Но про Игла:-) Решил задействовать звук. Сетап следующий - ОSD PRO, ELogger V4, Guardian, GPS V4, наземка от Игла, видео ПРД с Беврц 1,2 на 800, ПРМ LМ и БЕВРЦ. Вот вроде все хорошо пошло, пока не пикнула наземка и не переключила телек на выход с приемника БЕВРЦ - страшнейшие шумы по звуку. С приемником от Лавмейт все ОК.
Вот помню, что где про это уже читал, но найти не смог. Ткните пожалуйста носом, где это обсуждалось. Спасибо.
Робким шагом зайду в эту темку.
Здравствуйте все. Коротко и ясно - я новичок, бла-бла-бла, все в первый раз бла-бла-бла. И т.д. и т.п. Подключил игл и смотрю как первоклашка на азбуку - учиться хочется, но пока почти ничего непонятно)😁
Вообщем вот, после того как всё подключил, подсоединил, вылазит две ошибки . По совету наставника обращаюсь к вам всем. Что это за ошибочки? что с ними делать?

P.S. Тему читал плохо, больше ста страниц, а я ленивый. Да, надо бы, но пожалуйста не помидорьте)
Спасибо:)
Питание как подано?
У меня вылезала ошибка, но номер не помню, когда были сильные помехи от двигателя. А ошибки сразу на экране или через некоторое время появляются?
сразу, двигатель не подсоединен.
Всё, решил поблемку, это я что то не так наклацал, когда первый раз включал.
заново меню разбросал, всё отлично стало, и картинка лучше и за края не залазит.)
Просто разбросал или сбросил перед этим настройки? =) Существенная разница.
Возникла новая)) не видно верхнюю строчку в ОСД, те элементы которые я разместил на верхней строке, не отображаются на экране, А вторая строка становиться верхней.
такое впечатление что картинку сместили вверх и немного вправо.
Читай мануал, в мануале расписано, что можно смещать изображение по вертикали точно. У себя так делал.
Спасибо, исправил)
Здравствуйте!
А не подскажете, почему датчик воздушной скорости, стоя на месте, начинает показывать медленно возрастающую скорость? В течение 20 минут скорость выросла до 45 км/ч, а самолет даже с места не сдвинулся. Нагревается чтоли? В полете вроде адекватно.
Тестировал RTH , никак не хочет давать газ.
Как то подозрительно ведет себя GPS , координаты бегут постоянно , а количество спутников то 10 то *…
Куда копать?
датчики скорости высоты не подключены, но отображаются. Может на что то влиять?
Куда копать?
Нет связи с GPS модулем. Контакт,помехи или какая неисправность. Проверьте качество питания модуля.
Тестировал RTH , никак не хочет давать газ.
В визарде первый и последний пункт отвечает за подачу газа. Первый за прямолинейный полет последний за набор высоты. Первый пункт, отдельно, можно настроить прямо в полете. Пункт меню Reset Cruise Sticks & Throtl. Подробнее смотрите инструкцию.
Куда копать?
У меня * стала появляться после перепрошвки GPSа, на работу сисемы никак не влияет, но неприятно, похоже глюк при считывании данных о кол-ве спутников с GPSа.
Посмотрите, что за глюки такие иногда проскакивают?
Проявляется в городе на высоте более 400м. Отрубается GPS и РУ. Грешу на радиорелейные линии или метеорадар.
Подробнее смотрите инструкцию.
В визарде газ давал. А когда включается RTH отклонения серв видны на экране или там всегда данные с пульта?
Тестировал RTH , никак не хочет давать газ.
Скорость круиза стоит больше 0? Поставьте 0 или адекватную Вашей полетной. У Вас получается скорость планирования при RTH больше чем уставка, поэтому и не включается газ.
Скорость круиза стоит больше 0?
Этот параметр отвечает за включение полного газа, но он не может отключить круизный газ.
А когда включается RTH отклонения серв видны на экране или там всегда данные с пульта?
Отклонения серв видны на экране.
В Safety Mode Menu в пункте Home RTH Altitude Mode не Throt Off стоит случайно?
Напишите настройки Safety Mode Menu.
Ёмаё так у вас АП вообще не рулит, у вас Failsafe стоит в Select Desired SafetyMode, исправьте на Rtrn Home😁
Этот параметр отвечает за включение полного газа
Скорость именно круизная. Посмотрите в настройках повнимательней. Если полет со скоростью допустим 50км/ч, а уставка на круизную стоит 30км/ч, то круизный газ не будет включатся пока скорость не упадет до 30км/. Сам попал на такую ситуацию, когда ради интереса поставил 15км/ч, а реально в полете было больше 60км/ч. Сейчас поставил 0 и забыл о проблеме.
Полный газ это газ для набора высоты, а не круизный.
Throt Off стоит случайно?
При такой уставке при влете в радиус базы мотор выключается независимо от скорости и высоты. При throt normal будет работать и поддерживать высоту базы. При вылете из радиуса базы включится на набор высоты (полный газ). Конечно если высота круиза больше базы.