Делаем из простого приемника Продвинутый-3 или универсальный модуль управления и индикации.
нашел в корзине.
правда не самый последний вариант - но там просто марафет и красоту в оформлении наводил
yadi.sk/d/d-dVl_AKei6QF
Вот спасибо! Долго однако держите мусор в корзине)))
да тут просто 20 гиг понадобилось места… вот и чистил… ну и случаем решил глянуть там в архивах.
да, дисплей с филипс контроллером. для эпсона придеться поработать ручками - если правильно помню я удалял из библиотеки дисплея инициализацию и проч для эпсонов (а может и не трогал)
подскажите, что за и для чего этот кусок кода?
byte data0=0;
byte data1=0;
byte data2=0;
byte data3=0;
просто переменные.
используються в расчете значений регистров при записи частоты
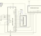
совмещенный приемник 5.8 и 1.1 гигагерца, подключение приемников описано в прошивке.(дисплей oled) приемники работают одновременно. нет режима контроля напряжения питания , но это связано с конкретным изделием , при желании можно дополнить.
забыли 2 вещи:
вложить библиотеки на дисплей в комплект
указать через что подключается дисплей
библиотеки .подключение по SPI , приемник 1.1гг с инверсным rssi.
Экран с кнопками отдельно будут?
без экрана, а кнопки да - отдельно (площадки в верхней части под 4 кнопки и корпус)
габариты 132х50мм и выносные кнопки обусловлены тем, чтобы максимум раздвинуть антенны и что он будет в шлем встроен
Отлично! Бумагу достал, принтер заправил, железо развел, детали купил, паяльник включил. Сижу жду…
да, 0,4 дорожки лутом норм у вас получаются?
и в каком варианте? могу просто ПДФ-ку сразу сделать
ловите… тут и в ПДФ все есть, ну и весь проект в алтиуме 14.3
да, переходные - крупные, 1,8 вроде минимальные
да, 0,4 дорожки лутом норм у вас получаются?
при определённом опыте и 0,2 прекрасно получаются.
да, переходные - крупные, 1,8 вроде минимальные
что-то многовато! 0,3 никак?
не отверстия а площадки)))
фоторезистом у меня и 0,15 норм выходят, но вот станочек сверлильный только недавно доделал, так что по старой памяти стараюсь делать 1,5-2мм площадки переходных, хотя сейчас площадку можно спокойно делать 0,8-1мм
Доброго всем времени!
В связи с постройкой мини квада, типа ZMR250, возникла необходимость в “приличном” приемнике на 5.8 (привык что на 1.2 у меня стоит "продвинутый, приемыш, и перспектива щелкать переключатели на 5.8, в поисках канала меня не “улыбала”, да и сканер полезная вещь).
Прикупил приемник типа RX58xx, ардуинку и дисплей (за основу взял проект тов. serenya по переделки RC305, за что ему низкий поклон!)
Но столкнулся с парой вопросов:):
- Арду про мини (на 328 меге) пришла не 3.3v, а 5v…отсюда вопрос-нужно что менять в коде если питание оставить 3.3v (что бы не попалить управляющие выводы приемника)?Сразу оговорюсь- в электронике далеко не новичок, но “знакомство” с МК всегда старался избегать по причине не “любви” что либо прошивать\править коды.Видимо момент настал))) Делитель, на R1R2, я так понимаю, пересчитывать не нужно? (схема проекта внизу).
- На приемыше есть аудио выход “A6.5M” (еще видел что рядом с ним бывает “A6.0M”)- Цэ шо значит? Явно не нагрузочная способность выхода 6мОм…тогда что? Полистал разные проекты, но так и не понял- нужен ли выходной буфер (УН) для подключения наушников? Если нужен, то думаю прикрутить усь на мс типа tda7050.
Заранее спасибо за ответы и терпение:)
- в коде-ничего, 328-я вполне сносно работает на 3.3в на 16мГц
резисторного делителя текущего достаточно до 18в - через электролит на 100-470мкФ и на усилитель. этот выход - аналог линейного выхода
Сергей, спасибо большущее!
- через электролит на 100-470мкФ и на усилитель. этот выход - аналог линейного выхода
О!про раздел-й С забыл написать, а Вы и сами подсказали))
Еще глупый вопрос можно? (про прошивку мк еще не читал)😇
можно ли собрать\спаять всю схему до прошивки ардуинки, или арду сначала программируется, а потом только “обрастает” обвязкой в виде дисплея и приемника?
Спс!
PS интересно, а какое Uвых у этого модуля (имею ввиду аудио выход)…?
конечно можно. (если прошиваете через уарт бутлоадером, что в случае ардуинки в принципе самое оптимальное)
стандартный линейный аудио, 0,75В вроде бы
без нагрузки правда может и 3.3 быть 😉
могу сегодня дома померить
могу сегодня дома померить
мне главное Umin было узнать, чтоб согласовать вх\вых. Ещё раз спасибо!
Блин,начал читать про прошивку МК и,опять, все мое естество сопротивляется…я олдскульщик- музыка так CD и транзисторный или ламповый усь,машина так на “ручке”, а секс так с женщинами:P😁
Интересно, в Питире может кто прожить, деньги\пиво 😎
Простите за off:P
после конденсатора - на вход любого аудиоусилителя, мой совет (если не требуется больших мощностей) - на lm358 собрать, схема ищется моментом, делается просто и в мин.объеме пространства (засовывал в 4,3" дисплей с 0,25Вт динамиком)
блин по прошивке - не смешите
на lm358 собрать - ничего себе просто!на цельных 2-а резюка в ОС больше)))ТДАха проще:P а чем ЛМка лучше?
а если серьезно, что будет в магазе то и возьму…у нас стало как в 90-е: усе что не к140ун, то по каталогам и под заказ…конечно может еще склады после валютного коллапса не затоварили…
в чип и дип принципиально не езжу…
О!сегодня старый MD плеер припарирую-там то точно много чего есть))


