Отчет о проделанной работе

cyklop
Diman79:

А вот это чет я и не подумал, и на чертеже не понял как это осуществить?

Diman79

Блин чего я получается зря нижнюю планку сделал? Можно как нить выйти из положения ничего не ломая?

Серёга_Моделист
Марат:

Плёнка о которой Вы говорите, выпускается малыми партиями и только для того места где Вы её покупаете???

Она выпускается десятками тысяч километров и реализуется по всему миру, где только возможно.
И Пахомов совершенно прав, говоря о том, что эта плёнка гуано!
Да Вы её приклеите, натяните, но выйдя полетать в солнечный день увидете как она провисла. При малейшем ударе она лопается причём по ломанной линии.
А вот та, которой обтягивает весь мир свои бойцовки - и не провисает, да и удары держит хорошо, что для начинающего пилота немаловажно.
Поэтому советовать на форуме начинающим всякое гуано как-то просто неприлично!

Тем более если Вас не интересует ничьё мнение, тогда лучше воздержитесь от советов вообще. Писателей здесь и так хватает

Речь шла о том, что та пленка, о которой я говорил, НЕ лавсан.
Так вот это неверное заявление. Неверно так же и то, что при малейшем ударе она трескается. Речь идет не об обтяжке спортивной бойцовки, а об обтяжке учебной модельки
Автор ветки нервюры делает из сосновых щепочек и видимо ограничен в средствах.
Лично я ему еще в другой ветке советовал купить бальзу, рассказал где она очень дешевая, но он почему-то даже до москвы из посада доехать не может.
Если такие все умные, презентуйте вопрошающему метр пленки и вопрос будет закрыт.
Где продается нормальная пленка, именно для бойцовок, я уже рассказал.
И еще, внимательнее читайте сообщения, а то как-то странно выходит, разговор не на ту тему получается.

Diman79
Серёга_Моделист:

разговор не на ту тему получается

Это точно, стеснения в деньгах в приципе нет просто хотелось сделать из подручного материала(тренер же), а вкладывать бабульки в то что может мгновенно превратится в дрова прикола нет! Вот если тренер нормально полетит, поднаберемся хоть малейшего опыта тогда пойдет разговор и о бальзе и о F2D, так что вот так, а пока речь идет о бюджетном варианте!!!

Серёга_Моделист
Diman79:

Это точно, стеснения в деньгах в приципе нет просто хотелось сделать из подручного материала(тренер же), а вкладывать бабульки в то что может мгновенно превратится в дрова прикола нет! Вот если тренер нормально полетит, поднаберемся хоть малейшего опыта тогда пойдет разговор и о бальзе и о F2D, так что вот так, а пока речь идет о бюджетном варианте!!!

Все правильно.
Лично я многие детали моделей просто на ДОК-е заказываю, металлические у токарей, фрезеровщиков и т.д.
Короче, если серьезно заниматься, то это вовсе не на кухне лобзиком пилить.
И ничего бюджетного в F2D НЕТ, сплошные расходы. Если будешь серьезно летать, тренироваться круглогодично, соревноваться, то одних только моторов на год штук 8 надо. А уж моделей и горючки…
Не стану пока тебя огорчать ценами на серьезные моторы типа АКМ, а то всю охоту отобью.

Diman79
Серёга_Моделист:

Не стану пока тебя огорчать ценами на серьезные моторы типа АКМ, а то всю охоту отобью

Спасибо огромное за информацию!!! С такой помощью мы не только по земле а и в космос рванем!!! Да кстати как крыло в моем варианте приземлить на раму?

Серёга_Моделист
Diman79:

Спасибо огромное за информацию!!! С такой помощью мы не только по земле а и в космос рванем!!! Да кстати как крыло в моем варианте приземлить на раму?

Пока никакой помощи, только моральная поддержка.
А как на чертеже-то ?
Вроде видел я этот чертеж, но лично я бы сделал по-другому. Фюзеляж поставить не горизонтально, а вертикально. Тогда все упростится. Для стабилизатора и киля обычные прорези в хвосте, все вклеивается на смолу, например.
В крыло добавить посередине еще 2 нервюры на расстоянии 2-3 см. Обтянуть эти 2 нервюры шпоном. Т.е. эдакий центропланчик организовать. В дощечке фюзеляжа сделать прорезь точно по контуру центроплана. Крыло вклеить в фюзеляж, соблюдая перпендикулярность. Именно такие и были мои первые модели году в 1975-ом.
Двигатель, соответственно, стоит головой горизонтально из круга, а не вверх, это даже лучше для кордовой.
Да, совсем немного букового шпона примерно 0,5, могу презентовать. Остались 2-3 листика шириной см 15-17 и длинной…ну не знаю, см.10-12, все равно буду выкидывать. Вместо шпона можно тонкую фанеру, но…если покупать, то она дорогая. Или совем тонкий стеклотекстолит, если небольшие кусочки, то сильно вес и не изменится.

Diman79

Плоскость рамы и линия проходящая через центр крыла должны быть параллельны? или есть какой-то градус отклонения спереди?

cyklop
Diman79:

Блин чего я получается зря нижнюю планку сделал? Можно как нить выйти из положения ничего не ломая?

Я делал так: спиливал нижнюю рейку лонжерона между центральными нервюрами, вклеивал фанеру вертикально, и снизу приклеивал площадку. Фанеру можно взять потолще и добросовестно проклеить все стыки. Прочности вполне хватало. При падении в этом месте то крыло ни разу не ломалось.

Или же, как посоветовали выше, делать вертикальный фюзеляж. Но вся прелесть этого тренера в том, что не надо делать никаких выпилов - взяв ровную доску автоматические получим расположение крыла, стабилизатора и мотора в одной плоскости. Киль на этой модели не нужен.

Diman79
cyklop:

Я делал так: спиливал нижнюю рейку лонжерона

Спасибо за чертеж именно так и сделаю!!! На картинке все оч понятно.

sobolufa

Первый раз должен быть вертолет МУХА как у всех! 😃

Diman79

Блин вот только не понял из чего сделать раму, все та же сосна или фанера, фанера пожестче же будет понял только то что толщина 10мм.

Серёга_Моделист
Diman79:

Блин вот только не понял из чего сделать раму, все та же сосна или фанера, фанера пожестче же будет понял только то что толщина 10мм.

Сосна, с упрочнением места под крепление мотора, можно алюминиевыми накладочками примерно 1,5 мм, можно фанерой или стеклотекстолитом такой же толщины. Приклеил с 2-х сторон на эпоксидную и все.

Diman79
Серёга_Моделист:

Приклеил с 2-х сторон на эпоксидную и все

Понял Спасибо, в воскресенье выложу еще фоток на выходных че нить поделаю!

Diman79

Скажите а можно сделать треугольник хвоста не 160мм а 150мм а то у меня фанера шириной 150мм?

cyklop

Вообще рекомендую сделать из реек. Или в фанере пилить большие облегчения.

Diman79

Как и обещал выкладываю еще фоток, вот что я еще сделал

А вот как это все представляется

Да кстати может нижнюю планку не выпиливать а сделать вот так как на последнем фото, фотка сделана пузом вверх

Серёга_Моделист
Diman79:

Да кстати может нижнюю планку не выпиливать а сделать вот так как на последнем фото, фотка сделана пузом вверх

Про обтяжку не забудь.
Как такую конструкцию обтягивать будешь ?

Diman79

А может центр не обтягивать, или обязательно надо, да где-б движок компрессионный купить по дешевке типа МК-17 или МАРЗ-2,5? как сделать петли между треугольником и рулем высоты, шасси наверно из колес от раздолбанной детской игрушки буду использовать!

Серёга_Моделист
Diman79:

А может центр не обтягивать, или обязательно надо, да где-б движок компрессионный купить по дешевке типа МК-17 или МАРЗ-2,5? как сделать петли между треугольником и рулем высоты, шасси наверно из колес от раздолбанной детской игрушки буду использовать!

Если не обтянуть, то это ж черти-че будет. Нет, она наверное полетит, но зачем такое убожество…Делай как тебе советовали: разрезать один лонжерон, вклеить фанерку и через фанерку крыло укрепить на фюзеляж. Но тогда неплохо бы еще пару центральных нервюр добавить, дабы эти нервюры прям точно фозеляж и охватывали бы. Тогда верх будет обтянут весь, а низ - каждое полукрыло. Середину внизу можешь вообще из пенопласта залепить и аккуратненько отпрофилировать.

Движки ищи на барахолке, МК-17-й думаю будет для нее слабоват.
А чем твоя калилка не устраивает ?

Самые простые петли - это “восьмеркой” связать киль и руль высоты, в качестве связки - тонкая леска в 5-6 витков или капроновая нитка.
Ну да, отчего еще-то колеса брать, пару походов по помойкам и колеса практически на любой вкус.

На фото видно не очень, но если фюзеляж из фанеры, то по-моему тяжеловат он будет, хотя…

Diman79

Да фюзеляж из фанеры, сосновый уж больно хрупкий получается, а движок вот беда без жиклера вот и думаю чего нить сваять, хочу попытаться прорисовать на бумаге и отдать токарю, у нас токарь мировой мужик владея только советским горем убитым станком такие чудеса вытворяет, любую загогулину вытачивает не раз обращался!!!
А в остальном все пока вроде понятно.

Роман87

Diman79 у вас все отлично получается,очень аккуратно.Фюзеляж однозначно делать из сосны.(Вес должен быть 100гр) и крыло с обтяжкой и грузом грамм 155 примерно.Усиление из фанеры на мотораме лучше не делать(Иначе можно разломать мотор при сильном ударе).

Diman79

Ух чем бы взвесить все это летное оборудование.

Серёга_Моделист
Diman79:

Да фюзеляж из фанеры, сосновый уж больно хрупкий получается, а движок вот беда без жиклера вот и думаю чего нить сваять, хочу попытаться прорисовать на бумаге и отдать токарю, у нас токарь мировой мужик владея только советским горем убитым станком такие чудеса вытворяет, любую загогулину вытачивает не раз обращался!!!
А в остальном все пока вроде понятно.

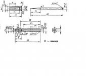
думаю, фюзеляж надо бы облегчить.
Жиклер…ну вот примерно так он устроен:

Под свой конкретный движок размерчики подгони: положение отверстия подачи смеси, внешний диаметр и т.п.

Diman79:

Ух чем бы взвесить все это летное оборудование.

Обычные базарные весы с двумя чашками, на которых картошку взвешивают, вполне позволяют взвесить с точностью до 1 грамма, ну вернее скажем так: этот грамм засечь.😉