Есть ли смысл делать управляемым верхний ротор?

Pasta

приветствую Владимир! жаль что вы не в

жаль что вы не в Муроме))). с удовольствием приобрел бы у Вас все лишнее. А можно ссылку на запчасти от валкеры лама 3

Lordik5

😵Алексей,ещё раз привет!
Лучше всего вот здесь- helidirect.com/walkera-lama-c-1_38_237_1398.hdx Магазин америкосовский,самые низкие цены и процент брака. Или на http://www.rc711.com
Ещё обязательно взять это- helidirect.com/walkera-hollow-shaft-53q3-p-16074.h… для увеличения d=4мм малого вала до 5мм.Бошку верхнюю можно взять на НК от 450-ки (дёшево!).Вот это- hobbyking.com/…/__14923__Flybarless_Head_Assembly_… ОЧЕНЬ желательно взять 2 пары!.Просто неубиваемые держатели лопастей+куча полезных прибамбасов (не реклама!).Валькеровские тоже хороши,но дорогие.Вот - hobbyking.com/…/__9794__HK_500GT_Alloy_swashplate_… и вот - http://www.hobbyking.com/hobbyking/store/__12145__Center_Hub_500_Size_Heli.html.Это по железу- на нижний ротор,чтоб зделать шарнирный подвес нижних лопастей.И ещё это - http://www.hobbyking.com/hobbyking/store/uh_listCategoriesAndProducts.asp?idCategory=332.Остальное-по ходу пьесы,всю мелочёвку сразу не припомнишь…Пока так, вкратце!

А одномоторный вариант… Идею убрать нижний флайбар предложил швейцарский инженер (капиталист!)😈 Кристиан Юнг.
Изучив сей документ,найдёте ссылки на сайты про его аппарат.Но конструктив его мне не понравился,сделал более компактным механику нижнего ротора.Пока всё…Хотя вот ещё про него - www.heli2.de/ru/products/Kaa-350/index.html

HA_1210_Seite030-033_BiRotor.rar

Pasta

спасибо за ссылочки, становиться все интереснее)). попробую собрать одномоторный вариант хочу начать с привода ротров (валы шестерни рама …) , подскажите пожалуйста диаметр(внутренний и внешний) внешнего вала и его длинну, и длинну внутреннего.
Владимир ,а почему забросили идею с трехлопастной головой, может ну его нафиг этот флайбар, куча тяг.ю ведь у Александра Притыко получилась модель и Вам сам Бог велел:) ?

Lordik5
Pasta:

Владимир ,а почему забросили идею с трехлопастной головой

-Я не отбросил,а отложил до лучших времён… А валы-родные от Валкеры Ламы3.Диаметр внешнего-8мм,внутренний-4,5мм.Укоачивал его до 137мм,и до 130мм в разных конструкциях.Внутренний вал Д=4мм,длина 221мм.Внешний вал содержит несколько пар отверстий с резьбой.Их можно использовать для своего конструктива,что удобно.Сейчас попробовал вал от Гауи 550,тоже неплохо.Алексей,а вы с электроникой как,дружите?Я по поводу совместных усилий по созданию микшера для одномоторки!😉

Vovets
Lordik5:

Я по поводу совместных усилий по созданию микшера для одномоторки!

А какие к нему требования? Сколько входных каналов, сколько выходных?

Lordik5

Привет,Владимир!
Входных-3,+ещё один для гироскопа.Выходных-тоже 3,на тарелочные сервы.И ещё желательно канал управления для дистанц. изменения коэффициента микширования.Система должна модулировать “тарелочные” сервы сигналом гирика.Примерно так…

Vovets

Итого 5 входных, 3 выходных. Решение на основе микроконтроллера типа STM32F100CB подойдёт? Дело в том, что я в схемотехнике не очень силён, но программировать могу. У меня есть оценочная плата для этого семейства контроллеров, и я могу писать и отлаживать программу. Но вот разработать реальную плату мне сложно. Там нужно решить проблему с питанием (3.3В) и, соответственно, интерфейс к 5-ти вольтовой периферии, типа серв. Ну и плату саму развести, чтобы дома можно было изготовить, т.е. без металлизированных отверстий между слоями, чтобы просто кусочками провода соединить. Корпуса у этих контроллеров очень мелкие, зато это ARM с кучей таймеров (как раз под задачу, где много PWM входов-выходов) и под него проще писать программу.

Pasta

Владимир к сожалению ми мозги заточены под отвертку и напильник), с электроникой вобще никаак, я всего лишь чуть больше полу года заболел авиамодлизмом, на форуме огромное кол-во информации…вникаю потихоньку.
А для чево в Вашем одномоторном варианте электроннный микшер. может механически можно обойтись!?

Lordik5
Vovets:

Там нужно решить проблему с питанием (3.3В) и, соответственно, интерфейс к 5-ти вольтовой периферии, типа серв.

-Владимир,как-нибудь можно выкрутится!Многие сервы по ТУ допускают уровень РРМ в 3-5 вольт.Или питание STM чуть приподнять-надо посмотреть по даташиту допустимый предел…Вы не могли бы хоть примерную схемку набросать в ближайшее время?Был бы очень благодарен!

Pasta:

А для чево в Вашем одномоторном варианте электроннный микшер. может механически можно обойтись!?

-Так капиталисты их и не ставят.В принципе,для руления по курсу можно всё намикшировать в пульте.А как быть с гиростабилизацией?Рулевая,4-я серва,управляемая гириком,скажем,уменьшает шаг ТОЛЬКО нижнего ротора.Чтоб сохранить суммарную подъмную силу обеих роторов.нам нужно на столько же увеличить шаг верхнего.Иначе будет провал по высоте.Или,в случае увеличения шага НР,будет рывок вверх (мой верт завязало в узел от удара по люстре-сдохла дешёвенькая рулевая серва!) Вот тарелочные сервы и увеличивают(или уменьшают) шаг ОБЕИХ роторов.Но действие рулевой сервы противоположно им,и величина перемещения подобрана больше.В результате верний ротор увеличивает шаг,а нижний-уменьшает. Да и разность моментов усилит скорость разворота.Вот из-за “гироскопической составляющей” и пришлось городить огород из 3-х микшеров-чтоб она попала в оба контура стабилизации и курса.Впрочем,можно попробовать и без микшеров-может,всё не так уж и страшно?
Кстати, Алексей,какая у вас аппаратура?

Vovets
Lordik5:

Вы не могли бы хоть примерную схемку набросать в ближайшее время?

По идее, на входах можно поставить делители из резисторов, чтобы входные уровни понизить до напряжения питаник МК. А по выходам - надеяться на то, что сервы воспримут импульсы с уровнем питания МК. Таким образом, схема будет состоять из МК, стабилизатора питания для него на 3.5В (максимум - 3.6), конденсаторов развязки питания и делителей для входов. Хотя в документации написано, что большинство выводов - 5В tolerant. С другой стороны, суммарный ток из-за превышения напряжения не должен превышать какой-то там величины. Т.е. лучше с делителями. Ещё, наверное, неплохо было бы светодиод(ы) предусмотреть для какой-то индикации. Схема получается не очень сложной, но выводы МК расположены очень плотно, не уверен, что годную плату можно будет изготовить ЛУТом, возможно, понадобится фоторезист.

Чтобы нарисовать с выводами, надо иметь хотя бы прототип программы, потому что в программе настраивается, что будет выходами, а что - входами.

Мне эта тема интересна, но дело двигается не слишком быстро. Пока только разбираюсь, какое ПО можно использовать (RTOS). Программировать всё с нуля, без RTOS, ещё сложнее. Делал микшер на Atmel - очень трудно отлаживать.

Lordik5
Vovets:

Программировать всё с нуля, без RTOS, ещё сложнее.

-для меня это-тёмный лес!😃 А платы я давно не рисую -всё на макетках,МГТФом…

Vovets
Lordik5:

А платы я давно не рисую

Посмотрите в инете документацию на STM32F100CB, особенно на корпус и выводы. Там без платы не обойтись… А у МК в больших корпусах, типа DIP - не хватает счётчиков для реализации такого количества входов-выходов. Технический прогресс, миниатюризация. Скоро уже совсем нельзя будет ничего дома изготовить. 😃

Lordik5
Vovets:

Посмотрите в инете документацию на STM32F100CB, особенно на корпус и выводы.

-Скачал даташит,посмотрел.Точная копия Атмеги128 по корпусу.Я на ней на макетке собрал “Самодельный передатчик”.Такие макетки везде продаются (в крупных городах).Вообще,штука слишком производительная для наших целей (это как паровоз заставить чай кипятить😂).И,думаю,достаточно дорогая.У меня была идейка-взять за основу схему БК регуля на АТмеге8,вместе с прошивой.Те же 3 выходных канала,1 входной РРМ.Кое что додумать,добавить.ПО доработать.Или это слишком бредовая идея?😵

Pasta

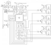
Купил неделю назад в барахолке санва рд 6000 спорт, как же я обломался там не оказалось выбора типа А.П., перед покупкой из за не внимательности изучал тнструкцию от санва рд 6000 супер,а там все варианты были 😮.
теперь по делу, в моих мыслях видится вот эта схема

конечно без турбины, вэлектро варианте в 250,450 размере. управление по курсу в этой схеме чисто механическое, компенсировать провалы по высоте кривой шаг газ. или я ошибаюсь?

Lordik5
Pasta:

конечно без турбины, вэлектро варианте в 250,450 размере.

-давно известная схема,такая же,как у НВ-950.Только 3-х лопастная.А стабильность-за счёт больших размеров (очень!)Управляется по курсу верхним ротором.У нас-нижним.Никакой разницы.Нижним,ИМХО,легче по конструкции.

Pasta:

компенсировать провалы по высоте кривой шаг газ

-при рулении-да.А как же быть с ГИРОСТАБИЛИЗАЦИЕЙ?

Vovets
Lordik5:

У меня была идейка-взять за основу схему БК регуля на АТмеге8

Дайте ссылку, пожалуйста. А мой МК стоит 120р. в Элитане. Не знаю, дорого ли это. Производительность лишней не бывает. 😃 Но на самом деле в нашей задаче нужна не производительность, а наличие достаточного количества таймеров с функцией Input Capture. Делал без неё - как-то тоскливо, ширину импульса точно не измерить. Посмотрел на ATmega8 - цена 90р., 8 бит, 1 канал IC. Единственное преимущество - питание 5В.
Про макетки не подумал, спасибо.

Lordik5
Vovets:

Дайте ссылку, пожалуйста. А мой МК стоит 120р

-Ссылку чтот не найти…На нашем форуме вроде много чего видел.Вот схемку прикладываю.Прошивки не нашёл.По поводу стоимости-думал,как Атмега128,а её год назад брал за 400…😈

Pasta

Управляется по курсу верхним ротором.У нас-нижним.Никакой разницы.Нижним,ИМХО,легче по конструкции.

-при рулении-да.А как же быть с ГИРОСТАБИЛИЗАЦИЕЙ?[/QUOTE]
но по моему в упралении по курсу участвуют оба ротора- один увеличивает шаг другой уменьшает через плечи качалки!
чтое есть гиростабилизация в вашем случае?

Serjo
Lordik5:

.А как же быть с ГИРОСТАБИЛИЗАЦИЕЙ?

Так частота вращения верхнего и нижнего ротора одинакова - значит и моменты гироскопические равны и компенсируются. Вы скорее всего имелии ввиду реактивный - “разворачивающий” момент.

P.S.
Возможно, я невнимательно следил за темой, но почему требуется воспроизвести управление по рысканию - дифференциальным изменением шага винтов, а не изменением частоты вращения?

Vovets

Потому что речь конкретно тут идёт о конструкции с одним двигателем. Чтобы вертолёт при рулении по курсу не менял высоту, требуется изменение оборотов двигателя, я так понимаю. И для этого хитрое микширование.

Lordik5
Vovets:

Чтобы вертолёт при рулении по курсу не менял высоту, требуется изменение оборотов двигателя, я так понимаю. И для этого хитрое микширование.

При рулении левым стиком можно было бы обойтись и микшированием на пульте.Подмешать Rudder в каналы тарелочных серв.Сколько-определить экспериментально.А обороты двигателя постоянны-сейчас у меня гувернёр даже стоит.Огород городить приходиться для того,чтоб гирик при стабилизации по курсу не влиял на высоту полёта.Вот если бы связь с вертом была бы двусторонней,то можно было бы передавать сигнал с гироскопа на пульт,а уж там и микшировать.Мечты…