Activity

Alula – или где взять лучший городской слопер.

Без двух часов как прошли сутки, а никто не пишет! Всех похитили инопланетяне а про Новочеркасск забыли:(? Только ж пролетали😂!
Собрался делать алулу класса сэндвич(для композитоной материалы собираю) из потолочки! Если кого интересует, сообщите, весь процесс обфоткаю(т.к. мои труды обычно не актуальны на данном форуме)! В планах поставить личный рекорд, гдето 130гр!

Alula – или где взять лучший городской слопер.
Шурик1:

Летали на металках и над, и под. Аппаратура 2,4

Апа на моей алуле старенькая Hitec Laser 4 35MHz! Под не пробовал, но бортовой комп ВАЗа там глючило а апу нет!

Serpent:

Инопланетяне

😁Как вариант, но сомневаюсь что их моя алула заинтересовала!
У меня появилось предположение что ЛЭП работает как огромный ионизатор! От него тоже постоянный восходняк идет!
У меня есть видео как летает рамка из фольги с авиа салона Max2007,но не знаю как его в форум запихнуть!

Alula – или где взять лучший городской слопер.

Цели и задачи: использование одного элемента ААА (либо двух ААА спаянных паралельно) с целью облегчения!
Изготовил: я, и фото мое!
Результаты: достаточно легкий конвертор не создающий помех, пока примененный с одной Li-Po BL-5C(Nokia)! В результате увеличилась скорость работы серв, что лично для меня оказалось очень приятным результатом! С Ni-MH не опробовал, виноват, все растерял!
Недостатки: КПД около 80%(хочется чегото большего) и сложновато изготовить в таких габаритах!

Alula – или где взять лучший городской слопер.

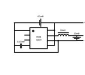
Я делал что-то с 4-мя проводами для алулы! Помех не наблюдается!
Вот схема!

Увожаемые! Летали ли Вы над ЛЭП? Нашли с товаришем очередную горку но перед ней(около 700 метров) ЛЭП! Помех и глюков над этим гудящим сооружением небыло но лифт там убойный!!! Просветите пож, что это за аномалия? Заранее Вам благодарен!

Alula – или где взять лучший городской слопер.

По поводу Li-Po я с Вами согласен! Но задумка ( простите сразу не написал) для Ni-Mh, хотя на некоторых моб батареях установлен контроллер разряда Li-Po(ion) не позволяющий их убить! Что касается потерь емкости, у меня есть маленький вопросик: Сколько времени длятся ваши полеты??? Я больше часа на бугре стоять не могу! После установки Nok батареи забыл что такое зарядка, три дня алулу не кормил!!!

Alula – или где взять лучший городской слопер.

есть новая пища для обуждения:)!!! питание от 0.9 до 5.5 вольта, на выходе четкие 5 вольт😵! вес около 5 грам(max),стоимость изделия около 100 рублей. частота преобразования до 1kHz! Если тема нормальная, шестого вечером выложу подроную инфу!Ящик для овощей уже готов!!!😃

Alula – или где взять лучший городской слопер.

неужели люди начали обсуждать реальные темы!!! начал делать новую алупу, фото выложу попозже!!! импульсные повышайки делали??? обгадте если тема хреновая!!! хочется из 4.2 залепаить 6в!!! весь проц изготовления выложу но позже!!!

Ура!!! Мне ответили!!! истребитель мне в ангар!!! И весь ядерный потенциал мне в… и всетаки есть человеки в России но жизни на марсе нет! просьба марсиан не беспакоить!!!

Alula – или где взять лучший городской слопер.

SURF!респект вам и уважуха!!! моя техника летает на ура!!!пусть меня пошлют из форума но для меня вы будете в авторитете!!!я не говорю про выпуклости но если все хотят обсуждать такие косяки то я тут лишнийй!я хотел помочь и получить какието знания! а получил полный игнор!!! И как я должен поступить???

Alula – или где взять лучший городской слопер.

И всетаки стоит ли делать угольное крыло? или по этой теме опытнолго народа нету! скажите сразу! я не жлоб поделюсь!!! по мере поступления конечно!!! оснастку выложу если надо! просто прошу опытного совета!!! все что попросите, ради бога, только скажите что надо!!! Фото, видео, просто помогите мне и я с радостью помогу вам!!!

Alula – или где взять лучший городской слопер.

Дмитрий, с уважением к вам,т.к. вы ответили первым и я о Вас уже слышал как о хорошем моделисте в Ростовской области я не посмею сказать что либо негативное о вас!!! но я попросил посоветовать стоит ли делать крыло из композитов и сразу начал читать про ерему а не про фому!!! я начал постройку алулы с этого форума, идея мне оч понравилась но отношение участников к моей идее не оч!!! я начал сразу с сэндвича(на фото видно для внимательных) и мне захотелось убойную технику ИЗ УГЛЯ т.к. оно НЕ мнется! результат-00.00%! я не могу молчать! НЕ ОДИН МОДЛИСТ В НОВОЧЕКЕ СЕБЕ НЕ ПОЗВОЛИТ ТАКОГО МОЛЧАНИЯ!!!В ЖИВУЮ ЗАКИДАЕТ НО НЕ ПОМИДОРАМИ А ПОЛОВИНКАМИ КЕРПИЧА!!!

Alula – или где взять лучший городской слопер.

AIRDAN! я так понял что здесь это не важно! Главное сделать фюз как у коня и все промолчат! SEX шоп отдыхает!!! а по реальным темам никто ответить не может!!!рулите на rconlain, там г не посоветуют!!! Народ там благородный и ответит по своим знаниям а не по понтам!!!

Alula – или где взять лучший городской слопер.

Моя алула сделана как сэндвич, 12 нервюр, крыло полностью покрытое скотчем, готовое изделие весит 150гр с аппаратурой!!! Спасибо всем за ответ на мой вопрос!
Народ, мне кто-то ответит? Или на этом форуме задавать такие вопросы не принято? Запомидорьте досмерти но ответте и я из этого форума изчезну навсегда!!!

Alula – или где взять лучший городской слопер.

Я 5 лет занимался F1J и не разу не ломал композитные крылья вот и подумал применить уголек к алуле!!! Техника которая имеется в наличии после десятка выездов в поле выгледет убого!!! Консоли смяты и фюз болтается на крыле!!