MultiWii

Covax

Java должна стоять на компьютере.

kergo
aleksas:

нунчак KXSC4

С обратной стороны сделайте фото №2. Я у меня был такой аксель, но на другой плате. Через плату по I2C он отказался работать. Пришлось его пилить и подключать как аналоговый.
Лучше конечно если уберете джойстик т.к. под ним могут быть кондеры. Вышлите фото без джойстика и плату с другой стороны, я постараюсь вспомнить разводку и нарисую линию распила.

drozd79
Covax:

Java должна стоять на компьютере.

Странно поставил Java, перегрузился, ошибку туже выдает, прогу не могу запустить. Ладно еще покопаюсь. Подскажите, я только еще вникаю, правильно я понимаю, что есть конфигуратор, который затачивает конфигурацию Ардуино под конкретный тип коптера, так? И в главном скетче программы написана программа для всех известных вариантов гироскопов и акселерометров, ну и других датчиков, а уже ты сам должен открыть тот датчик который у тебя установлен? Мне бы хотелось в программе разобраться, объем инфы кончено большой. Может мне кто-нибудь для начала указать в главном скетче, где идет код на управление сервами для стабилизации подвеса, читал что такая возможность тоже есть. Как примерно этот блок кода обзывается. Буду очень признателен!

Covax

гугли ошибку “Could not find main class. Program will exist!” это проблема работы Java на машине. Конфигуратор лишь настраивает уже собранную и летающую систему. Все параметры задаются в скетче, там нужно правильно все раскомментировать и лишнее закомментировать под свои датчики и тип ардуины. По скетчу поищи чтото типа CAM1 CAM2 это будет связано с сервами на подвес.

drozd79

Посмотрел сейчас код, есть процедуры SERVO_TILT и GIMBAL. Что за что отвечает? GIMBAL - это вообще что такое? Переводится как шарнир.

tusik
drozd79:

GIMBAL - это вообще что такое?

Это вроде режим стабилизации для самолета

aleksas

GIMBAL это подвес для камеры (2 сервы держат подвес в горизонтальном положении).

kergo:

фото без джойстика

Вот насколько понял так надо резать.

drozd79
Covax:

гугли ошибку “Could not find main class. Program will exist!” это проблема работы Java на машине.

Все заработало, спасибо большое! Скачал новую Яву, удалил старую, перезагрузил комп и все заработало. Данный проект мне начинает нравится все больше и больше!

Edward_tlt
aleksas:

Вот насколько понял так надо резать.

Ну вообще отлично. Ещё шлейф убрать и пятью мягкими проводами соединить с ардуиной.

aleksas
Edward_tlt:

соединить с ардуиной

Так как раз не знаю как соединить и что коментить в прошивке.

Edward_tlt
aleksas:

как соединить и что коментить в прошивке.

Вот она эта строчка:
/* ADC accelerometer */ // for 5DOF from sparkfun, uses analog PIN A1/A2/A3
//#define ADCACC
Т.е. убрать два слеша (раскоментировать) строку //#define ADCACC и подключить к пинам А1/А2/А3 ардуины аксель в соответствии как в коде
accADC[ROLL] = -analogRead(A1);
accADC[PITCH] = -analogRead(A2);
accADC[YAW] = -analogRead(A3);

kergo
aleksas:

Так как раз не знаю как соединить и что коментить в прошивке.

Вроде соединение правильное, но на плате я не увидел кондеров на выходах осей. Вот тут на стр. 2 есть схема схожая схема с этим акселем. Я точно не знаю предназначение этих кондеров, но у меня они были и плата работала нормально. Может тут найдутся умные и расскажут их назначение.
Ну и как написали выше…припаять к А1/А2/А3 и раскомментировать //#define ADCACC

aleksas

Ага, с прошивкой понятно, такой даташит нашел. Кондеры наверно как фильтры. Я их могу на основную плату поставить (собираюсь трасирнуть) Теперь хочу уточнить
analogRead(A1)-Х
analogRead(A2)-Y
analogRead(A3)-Z

kergo
aleksas:

Теперь хочу уточнить

не знаю как там по распиновке, должны быть минусовые значения при: наклон(ROLL) влево, наклон (PITCH) назад, Z - всегда положительный

drozd79

Мне тоже пришел нунчак, на нем надпись 6331, поиск подсказал полное название акселерометра - MMA6331L, нашел на него флоушит. Также пришел WMP на чипе ITG 3205. С WMP вроде все понятно, а вот с нунчаком я так понял надо сразу акселерометр вырезать и подключаться к его аналоговым выходам? Или есть смысл попробовать подключить без отпиливания?

mahowik
drozd79:

Или есть смысл попробовать подключить без отпиливания?

смысл есть всегда, только не полетит 😃 если получится отпишитесь обязаточно!
У меня было две 6331. Сперва пробовал по аналогу - не плохо, но в целом не фонтан. Вчера также подрубил по I2C вторую платку и пробовал сегодня летать… итог ни в какую!
Лучше всего чисто на гире 3205->3200… очень плавно и устойчиво… пробовал на MultiWii_dev20110705 прошиве…
ПИДы 8.0 - 0.030 - 35
rcrate 0.5

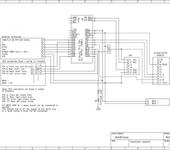
aleksas


Набросал полную схему того что собираюсь ставить. Правильно ли подрубил KXSC4?

drozd79

Парни совсем запутался! Вот окно программы, что ниже я привел, она для чего нужна, то есть программа MultiWiiConf17.exe? И когда её нужно запускать? В конфигураторе получил код конфигурации, который вставил в скетч MultiWiiV1_7.pde, закачал данный скетч в Ардуино. Все? В теории если все правильно подключено должно уже все работать? Для чего, там в архиве есть еще скетч MultiWiiConf1_7.pde, по содержанию кода он вроде тоже должен работать с программой MultiWiiConf17.exe ? Разъясните пожалуйста чайнику!

aleksas

Если коротко то в конфигураторе выставляются PID значения, только не понял почему у тебя конфигуратор 1.6 если прошивка 1.7

drozd79
aleksas:

Если коротко то в конфигураторе выставляются PID значения, только не понял почему у тебя конфигуратор 1.6 если прошивка 1.7

Не конфигуратор 7-й и прошивка 7-я, это я так первую попавшуюся вставил фотку. То есть, после того как я установил прошивку, в конфигураторе надо выставить пиды и потом сохранить это все в конфигураторе?

aleksas

Правильно, после прошивки запускаешь конфигуратор, подключаешься к своему COM порту, нажимаешь START, потом READ. Прочитаяшь дефалтовые установки. Мышкой на двигаешь по цифрам и они меняются. После того как установил нажимаешь WRITE и они будут записаны в атмегу. Чтоб откалибровать нужно добиться максимальной горизонтальности твоего коптера (гироскопов) Нажал CALIBRATE, затем WRITE.
Вот так делал я.