FrSky 2.4GHz FHSS, новый игрок на рынке 2.4ГГц

Adekamer
MxM:

однопроцентные резисторы
они …мммм… дюже не дешевы…

grumin:

В подтверждение моих опасений, что критичен к скачкам напряжения даже при тех же акках по сравнению с 40 МГ приемышем

можно поподробнее ?
что насчет хорошего (микрофарат так от тыщи) конденсатора в свободный разьем приемыша ?

saaas
Саня71:

если заменить усы антенок приемника на более длинные и вывести их в конец фюзеляжа - это даст какое улучшение?

Улучшение будет при разносе на мах расстояние от передатчика. Например установить в хвост на РН. Расстояние = длина модели.
Что такое “более длинная антенна”? Это та наружная резинка? Нас интересует длина полотна антенны, которая не видна. При увеличении длины полотна (до нек. предела) с сохранением резонанса на частоте приема, уменьшается вертикальный угол излучения. Если антенна стоит строго верикально, то более пологий угол способствует увеличению дальности.
Допустим мы и дальше увеличиваем длину антенны (также с сохранением резонанса) что получим? Получим уменьшение излучения перпендикулярно полотну. мах будет локализоваться вдоль полотна.

man-bis

Александр вовсе не об удлинении самих антенн, а о разносе коаксиальных “усов” подальше от видеопередатчика. Такой путь увеличения дальности приема РУ считаю правильным без изменения сетапа. Но возможен и обратный эффект - затухание сигнала при увеличении длины коаксиального кабеля между антенной и приемником РУ. Только опытным путем можно выяснить имеет ли это смысл. ИМХО антенны РУ нужно разносить подальше друг от друга под 90 грд. например на одну из консолей и в хвост и главное подальше от видеопередатчика.

pdv=
salamir2k:

возможно и так Но с питанием на пульте и самолете - проблем не было. Соответственно проблема в ВЧ части, а это уже страшно…

вот и у меня появились отказы приемник 8 канальный без телеметрии HV! вначале отлетал на 1600м управление было бес проблем, приземлил его! Заменил аккумулятор и отлетел еще раз но уже на расст 1 км и при сбросе высоты с 800 метров до 500 начало отваливаться управление, при этом питание на телеметрии показывало 11,6В управление пропало и ппц нашел его в березовой роще недалеко от частного сектора благодаря женщине видевшей его падение! питание было нормальное 5В с регулятора, а приемник завис без видимых причин, когда я нашел свою птичку лежавшую навзнич…приемник нервно помигивал индикатором и никаких признаков жизни не подавал…ожил только после переподключения питания, сейчас работает как ни в чем не бывало! Вот так вот…

PS видео lawmate 1,2ггц 1вт (частота 1080мгц - 1канал) на расст 50см от приемника, аппаратура JR9XII c патчем 8дб и бустером 1вт.

куда дальше копать? менять регулятор или навешивать емкости по питанию приемника? приемники то зависают без видимых причин у меня их два, один стоит на коптере (другой на самолете) и тоже исполняет иногда не ведь что, при развороте коптера рудером он крутится как волчек и не управляется, тобишь глючит приемыш! ставишь приемник spectrum все нормально!

Shuricus
MxM:


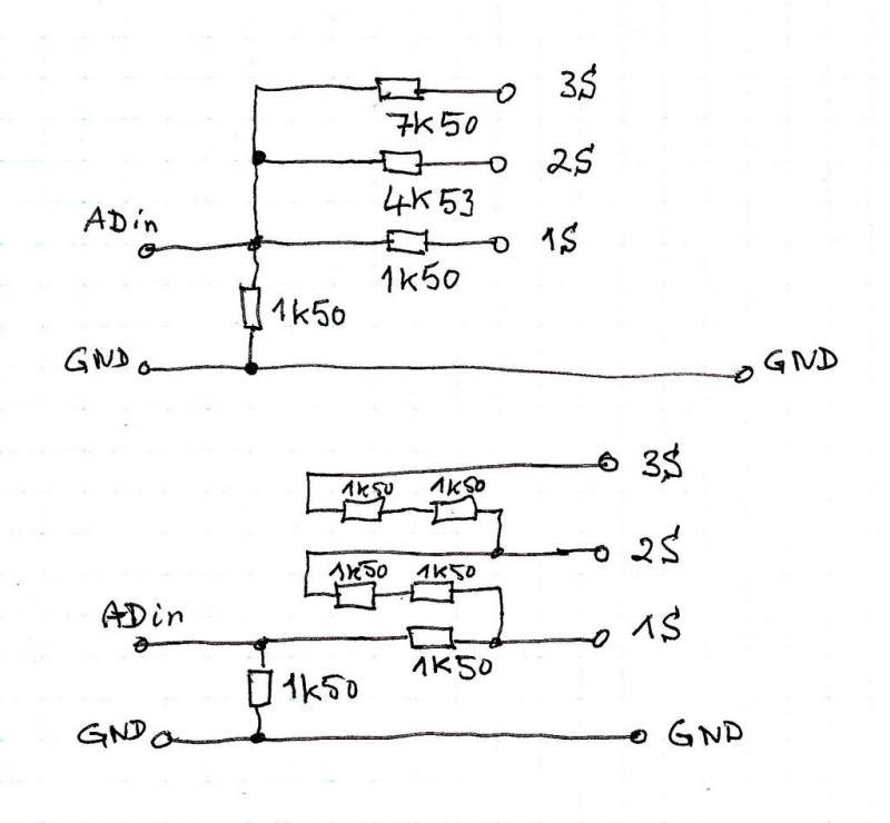
Максим, зачем с завидным упорством, вы тычете в эту схему, если она не имеет никакого отношения к реальному делителю!

Я еще раз повторяю вопрос: что нужно пере паять в ДЕЛИТЕЛЕ, что бы напряжение на выходе от 3S и 4S было одинаковым.

Посмотрев на реальную схему этого устройства(которая сверху):
Видно, что сопротивление увеличивается кратно, но из моего эксперимента #1209 напряжение на выходе получается разным, согласно показаниям ВЧ модуля. Почему мне не понятно. Может объясните?

Adekamer

Александр, если габариты не вопрос, то можно вместо обычного резистора - поставить маленький подстроечный резистор и уже эксперементально на каждом резисторе выставить необходимое значение

BigDEN
Shuricus:

Видно, что сопротивление увеличивается кратно, но из моего эксперимента #1209 напряжение на выходе получается разным, согласно показаниям ВЧ модуля. Почему мне не понятно. Может объясните?

Вопрос а какие резисторы? 1% точности или 5%?
Согласен с Антоном проше поставить подстроеный ризистор и добиться одинакового напряжения на выходе от 3S и 4S(если я правильно понял вы планируете два делителя один на 3S другой на 4S)
Кстати спаял по этой схеме делитель для 3S, он показывает напряжение 22 вольта в программе.

MxM

Хорошо.тот делитель который продает HK один из возможных вариантов. схема которую я привожу делает то же самое.

берем верхнюю “реальную” схему и меняем для входа 1S верхний резистор 1.5кОм на 10.5кОм теперь это будет вход для 4S. чем точнее будут резисторы тем меньше будет разбег при разных (2-3-4S) батареях

для переделки продаваемого HK на схему приведенную мной: нижний 1.5кОм меняется на 1.0кОм, верхний (любой) меняется на 4.3кОм, это будет вход 4S. для 3S другой верхний меняется на 3.0 кОм для 2S на 1.74кОм. для каждого типа батареи будет свой делитель. на мой взгляд разумная и логичная схема подключения.

переменник нельзя. окисление, вибрации, температура и т.п. не дадут ему долго жить

можно купить горсть 5% и из них отобрать, можно взять старую плату типа от компьютера или любой другой электроники и из нее надергать. полюбому подбирать надо с тестером

grumin
Adekamer:

что насчет хорошего (микрофарат так от тыщи) конденсатора в свободный разьем приемыша ?

А как же 4700 мФ на 10,3 В стоит как положено параллельно питанию. Ну нет больше объяснения, если с 3S 2100 мА через регулятор и с микромашинками улетает в точку, а 5 банок гидридов на 600 мА или 4 на 1800 мА со стандартными машинками на ДВС уходит в сэйф после пару проходов. Усы за бортом под 90 гр. приемник вынесен от машинок и акков. Перед каждым полетам ренжтест через проверку. Ну нет у меня больше причин… или подскажите!!!

Adekamer

2MxM - подстроечник - а не переменник
да и разные эти подстроечники бывают, так что не вибрации окисление и температуры им страшны
2grumin - на двс - другие вибрации, может где то непропай внутри приемника ?
а если попробовать через БЕК питать ?

pdv=

так никто и не может ответить почему глючат приемники FRsky…со спектрумом вообще проблем не было на таких детских расстояниях (да и не в расстояниях тут дело)!!!
может открыть отдельную ветку по глюкам этих 8 канальных фулрендж приемников?

ps давайте вместе разберемся…ведь не у меня одного эти инциденты происходят!
не ужто на нашем форуме нет толковых схемотехников с хорошими приборами?
…раз уж пустили в массы китайцы этот сабж, надо его изучать!
кто-нибудь питал его через бек бВ? не замалчивайте информацию будьте открытыми…😃
…комплектик-то достаточно хороший получился и по финансам и по возможностям!

AndyBig
man-bis:

затухание сигнала при увеличении длины коаксиального кабеля между антенной и приемником

Ну если разносить на метры, то да, а пол-метра заметного эффекта не даст, иначе значит кабель - полное г… 😃

Duschman
grumin:

Ну падаю я с ним на 1,5 метровом с 7 см3 Тундрой на расстоянии вытянутой руки

Гидриды паяные или в кассете?

Adekamer
Duschman:

Гидриды паяные или в кассете?

паяные тоже могут от вибрации “отслаиваться”
но там разные гидриты судя по описанию
могу предположить еше где то контакт типа выключателя борта

Serpent

Хороший вопрос! Вообще с ДВС в первую очередь наверное надо искать где контакт пропадает от вибрации (хотя я по-прежнему считаю, что акк 600мАч для 5 полноформатных серв - мало…)

Дока
pdv=:

давайте вместе разберемся…ведь не у меня одного эти инциденты происходят!

Да уж интересно почему именно 8 каналов, на 7 вроде никто не жалуется. Восьмерки должны быть подальнобойней судя по отзывам о показаниях RSSI, но жалобы на них наводят на мысли о близко и низко, чем о далеко и высоко с потерей связи.

Serpent:

я по-прежнему считаю, что акк 600мАч для 5 полноформатных серв - мало.

У меня 2 микросервы кушают 0,1-0,2А по показаниям телеметрии, а стандарт думаю просадит намного больше, но 1800мА не должны так просесть. Все же где-то не контакт.

Serpent
Дока:

стандарт думаю просадит намного больше, но 1800мА не должны так просесть

Не 1800, а 600 мач:

grumin:

…питаю гидридами без ВЕК 6 В 600 мА…

Причем 5 серв и 6V - токи соответственно больше. А 600 мач - совсем не энергоёмкие банки, вполне может проседать.

P.S. Вообще то какой то странный выбор питания для ДВСа. Экстремальный, я бы сказал…

Дока
grumin:

а 5 банок гидридов на 600 мА или 4 на 1800 мА со стандартными машинками на ДВС уходит в сэйф после пару проходов.

Вот же написано 1800мА. Или я что-то путаю?

Duschman

+1. На одноцилиндровом ДВСе + не совсем качественно отбалансированный пропеллер вибрации могут достигать запредельных величин ( порядка 30G). Всё что имело казалось бы хороший контакт начинает этот контакт терять. Даже в серве потенциометры начинают хандрить. Положение исправляет правда частично качественная виброизоляция.

orio55
MxM:

для переделки продаваемого HK на схему приведенную мной: нижний 1.5кОм меняется на 1.0кОм, верхний (любой) меняется на 4.3кОм, это будет вход 4S. для 3S другой верхний меняется на 3.0 кОм для 2S на 1.74кОм. для каждого типа батареи будет свой делитель. на мой взгляд разумная и логичная схема подключения.

Много проблем при установке на другую модель ?–Предлагаю следующий способ решения этой проблемы.
Запитать делитель от балансирного разъема -например от первых 3 банок. В дальнейшем независимо какой аккумулятор - втыкаеш
и все работает. Дело в том что просаживаются банки практически равномерно и нет смысла городить огород с разными делитями .

pdv=
Дока:

Да уж интересно почему именно 8 каналов, на 7 вроде никто не жалуется. Восьмерки должны быть подальнобойней судя по отзывам о показаниях RSSI, но жалобы на них наводят на мысли о близко и низко, чем о далеко и высоко с потерей связи.

да не в близко и низко здесь дело, а в том что бы заставить приемник не сбоить! почему он зависает, причина? все питание в норме 5в с бека идет, просадки при работе серв (4шт у меня) нет (просадка до 4,92В), и приемник может работать без проблем все время полета от начала и до полной просадки аккумулятора (отлетал с ним на 1600м высота 500 все было отлично, те приемник V8FR HV является действительно дальнобойным, но…), а может сразу после первой минуты полета зависнуть, те не понятны причины его неравномерных сбо-ев!?! вот отсюда и надо начинать думать!

PS запитал его от отдельного бека 6ю вольтами…вроде работает, но время покажет что и как!
…продолжаем думать! о сбоях не забываем, хоть он и работает казалось бы отлично!
…вибрации и плохой контакт в моем случае исключен летаю на электричке!

Niko83
orio55:

Много проблем при установке на другую модель ?–Предлагаю следующий способ решения этой проблемы.
Запитать делитель от балансирного разъема -например от первых 3 банок. В дальнейшем независимо какой аккумулятор - втыкаеш
и все работает. Дело в том что просаживаются банки практически равномерно и нет смысла городить огород с разными делитями .

Полностью поддерживаю!

AQUAPLUS
Serpent:

Вадим, можете обижаться, но вы действительно не поняли задачи, если лезете со своими тремя баксами. Из плоскости совместимости по настройкам действительно выпадают батареи 4S и 5S, весь никель и LiFe, также проблемно применение различных типов приёмников и батарей (например, если на планере отслеживать питание отдельного NiMH борта по встроенному AD1 и силовой LiPo батареb по AD2, то на другой модели никак не получится с теми же настройками отслеживать 2 разных LiPo на (вариант для FPV с раздельным питанием передатчика видео). Ну и так далее… так что с тремя президентскими рублями вы ооооочень поспешили. 😉

Согласен. Сам летаю на разных моделях и двух передатчиках, поэтому полностью поддерживаю.

К сожалению сам ни разу не инженер-радиотехник, поэтому с рассчетами не помогу.
С формулировкой задачи - пожалуйста:
Неоходима схема и рассчет делителя, позволяющего путём несложной настройки получать одинаковое количество “FrSky попугаев”, соответствующего предельному разряду 3.3V (3.2; 3.4; и т.д.) на банку для аккумуляторов 1S, 2S, 3S, 4S и так далее (до 8S включительно), а также предельному разряду для NiMH, LiFe и прочих модельных источников тока…

Тогда всё сведётся к чистовой подгонке уровня тревоги в модуле в зависимости от желаемого уровня побаночного разряда.

P.S. Я обхожусь проще - у меня на ноутбуке есть файлы преднастроек для каждой модели, вставить шнурок и нажать 3 кнопки - дело одной минуты… Рекомендую.

Да я не обижаюсь, че го уж мне.
И прошу прощение если сначала не понял полностью проблему.
Давайте начнем с того, что не было указано, что для разных моделей используются кроме разных батарей (3S и 4S) еще и другие разные настройки сигнализации модуля. Про то что на разных моделях стоят отдельные делители сначала тоже не было и слова.
Так что Вы немного не правы про питание от других типов акков, и про разные настройки.
Мои делители пока только в дороге, но кажется все дело именно в них. В том смысле что модуль срабатывает при определенном значении “попугаев”, поэтому ему впринципе все-равно сколько у Вас батарей. Видимо используются не совсем качественные резисторы, с большим % отклонений (за такие деньги и не удивительно), поэтому разные делители выдают разное значение “попугаев” при одинаковом напряжении.

Я очень далек от электроники, но может кто знает и подскажет.
Возможно ли сделать делитель таким образом, что бы входящие провода (от батареи) ишли сначала на многопозиционный переключатель (такой меленький, переключающийся отверткой, и имеющий несколько положений), а потом в зависимости от необходимости, 1,2,3,4,5…S переключаем этот переключатель, и он “направляет” напряжение с акка на нужное кол-во, номинал резисторов делителя?
Таким образом получается универсальный делитель на резное кол-во банок, который можно отверткой перенастроить прямо в поле (если будет такая необходимость)

Вахтанг
Adekamer:

однопроцентные резисторы они …мммм… дюже не дешевы…

Антон, а разве вам надо купить несколько сотен этих резисторов? Даже поштучно, в розничных магазинах, они стоят меньше рубля.
Специально глянул на расчет себестоимость устройства, разработанного в конце прошлого года, 1%-ие резисторы числятся по 6 копеек!
правда я их покупаю катушками, т.е по 5 тыс. штук, одного номинала.

Pav_13
AQUAPLUS:

…а потом в зависимости от необходимости, 1,2,3,4,5…S переключаем этот переключатель…

Интересно, а зачем надо заморачиваться с “кучей” делителей? Неужели порог сигнализации нужно выставлять с точностью до сотых вольта? 😃
Мне кажется, достаточно сделать один делитель на входное напряжение 25,5 В… Поскольку уровень напряжения оцифровывается восемью разрядами (255 значений), то с таким делителем порог можно выставлять с точностью 0,1 В для любой подключенной батареи с напряжением 0-25,5 В (до 6S)…
Или я чего-то недопонимаю…?