Ещё одна китайская копия китайских копий Solo Pro?

sirBaskervill

и опять же, надо, чтобы детектился только при падении, а не постоянно пищал.
Я заказал один девайс, скоро должен приехать, буду колхозить насчет снижения его веса, обкатки и питания. как только будут результаты, обязательно отпишу.

AAI

Такой вопрос. Раз все равно полезли в электронику, а вертолетик чувствителен к напряжению на аккумуляторе (на полонм в одну сторону ведет, на пустом - в другую…), то, может быть, есть смысл поставить между аккумом и тушкой DC-DC преобразователь на фиксированное выходное напряжение?

Zloyuzver

Теоретически можно попробовать - воткнуть какую-либо AMS на 3,3v с низким падением на ней самой.

Igoly
Zloyuzver:

Теоретически можно попробовать - воткнуть какую-либо AMS на 3,3v с низким падением на ней самой.

Да наверное стаб на гиру и контроллер там стоит , а вот просадка на стороне питания движков и влияет.

copter_v911

если ставить то step up преобразователь причем с токоотдачей в пару ампер чтоб не сгорел и весу это точно прибавит

Igoly

Вообще то надо найти на плате и проверить что за стаб они всунули , вполне возможно и не с самым малым падением . Тогда можно экспериментировать с ним. Делать step-up не практично , да и пиковые нагрузки неизвестны. Я все же склоняюсь к тому ,что дрейф по курсу связан с моторами (температура ,потребление) а не с управлением.

master-kostya
Igoly:

дрейф по курсу связан с моторами (температура ,потребление) а не с управлением.

Поддержу. Падает ёмкость, напряжение на аккумуляторе, соответственно двигатели не могут давать те же обороты, что и при свежей батарее. Электронике абсолютно всё равно от какого напряжения питаться от 3 или от 4 вольт, так как производителем радиодеталей заложен корридор питающих напряжений.
Гироскоп на вертолёте цифровой, к снижение питания не ниже допустимого уровня безразличен. Единственное, что может влиять на устойчивость, так это опорное напряжение на переменные резисторы серв. Это напряжение берётся на прямую с батареи и если попытаться стабилизировать его, то может, что и получится. Вот там то ток как раз минимален, можно применить детальку весом сотые грамма.

Igoly

сомневаюсь я , однако ,что опора на резисторы не стабилизирована - скорее всего от общего стабилизатора схемы управления и запитаны. Да и про диапазон питающих напряжений вы немного переборщили. Что проц ,что гиро должны питаться по даташиту , изменение этого напр ведет к нестабильности.Конечно какие то дельта есть , но ни как 3…4 … Что то форум опять заглючил ( Вот кусочек соло про - ребята в их ветке пытались нарисовать - на 2,8в стоит родимый.

master-kostya

Прошу прощения, писал по памяти. Сейчас специально посмотрел плату, потом увидел схему (кста, есть полная?). Стабилизатор для питания цифровых микросхем и резисторов ЕСТЬ.
Следовательно проблема дрейфа кроется в моторах и ёмкости батареи.
С диапозоном конечно загнул, но суть понятна. 😃

Igoly

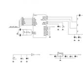
посмотрел их стабилизатор - XC6206 - на 100мА 160мВ падение - хорошенький . Блин надо наш посмотреть . Я в свое время всю ветку про соло перечитал , но что то не помню чтоб у них проблема с дрейфом стояла , может просто не отложил - поправьте кто знает. Там еще одна страничка есть , но схема не полная - так для представления , если поиском не найдешь на форуме ,стучись в личку - передам. Посмотрите на их плату - wiki.shelek.ru/…/RC_Heli:NE_Solo_Pro:Электроника Там и схема.

Pavel2509
master-kostya:

Падает ёмкость, напряжение на аккумуляторе, соответственно двигатели не могут давать те же обороты, что и при свежей батарее

У меня, например, хвост уводит по часовой стрелке, то есть обороты у ХР болше, чем нужно. Причем по мере разряда аккума этот эффект усиливался… А на гире (если это всеже она) я намерял 3,3 в, на свежем аккуме.

Igoly

Да ребята , наверное и у на стоит с малым падением , нечего тут копать.только на 3.3в.

Pavel2509:

Причем по мере разряда аккума этот эффект усиливался…

И это у всех наблюдается… Них не сделаем - печалька… Убивает одно - какой то ср. гиро - 105 висит как вкопанный от начала до конца ,правда один движок заменил.

Pavel2509
Igoly:

но что то не помню чтоб у них проблема с дрейфом стояла

на 4 странице Ryoko Arisugawa жалуется на плохое поведение гиры

Igoly

закинул им вопрос ,может подскажут что . Пока можно учесть опыт VIOXа с его мотором и пиньоном от ксиеды.

нас начинает закручивать по мере разряда батареи - ответили.

ViOX

Если хотите могу заснять видео с момента установки акка и первые минуты висения.Посмотрите как оно себя ведет-МУХО.😉

Pavel2509
ViOX:

Если хотите могу заснять видео

Хотим

AAI
Igoly:

Посмотрите на их плату - wiki.shelek.ru/index.php/RC_H...троника Там и схема.

Получается, что ключ, управляющий мотором, - это полевой транзистор, работающий в режиме управляемого сопротивления? Пошел вспоминать принципы работы полевика.
Пока что вопросы:
Можно ли считать, что в стационарном режиме, проще говоря, при неподвижном висении токи моторов постоянны?
Просто висим, висим, батарейка садится… и ближе к концу начинает уводить хвост. Не уловил точно, уводит по часовой стрелке? То есть на почти севшем (но еще летабельном) аккуме имеем избыток тяги ХР?

ViOX
Pavel2509:

Хотим

Ну вот, смотрите. В конце полета к моменту разрядки аккумулятора сек за 30 начинает разворачивать вправо и сразу опускается.
Но с тем движком я в начале полета рулил кнопочкой конкретно.

Короче теория и практика схлестнулись.😄
Звук тока убавьте -айфон какой то очень уж чуйственный у приятеля.😉

vanessa
ViOX:

флайбар как-то не
стучит

А какая связь между мотором и флайбаром ?

ViOX
vanessa:

А какая связь между мотором и флайбаром ?

А кто-то говорил про связь?.
Летаю так что не стучит.

prodigy489

Всем здрасте!Здесь промелькивала информация, что вертолет может сопрягаться с пультом Hobbyking 6ch v2,кто нибудь подскажите пожалуйста-это так??

prodigy489
Zloyuzver:

Да, сопряжимо с Hobby King 2.4Ghz 6Ch Tx & Rx V2 (Mode 2)

Огромное спасибо!)

vanessa
ViOX:

Летаю так что не стучит.

У меня и на стоковом моторе уже так получается… Но интересно какой эффект есть именно от мотора.