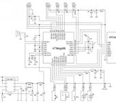
OSD на ATmega1281

Vlado
ubd:

А чертёжик антенны можно?

И на самолете, обычный четверть волновый диполь?
Разве есть разница между, просто штырьком четверть волны?
И как определили 2-5 db.

И ещё вопрос, поляризация какая подразумевается?

я подразумевал 3/4 ( 5/8 ) диполь у того гейн поболее а штырь на 400МГц нужна крыша ( пара кв метров ) в качестве противовеса иначе не работает. У штыря импеданс (36 + j20) Ом главное отмерить и прилепить к крыше по центру.
Поляризация ессно линейная.

msv

Имхо 5/8 имеет скромные 2-3db по сравнению с GP только в узком секторе. Зато на вполне “ходовых” углах возвышения имеет жуткие провалы…

Vlado
msv:

Имхо 5/8 имеет скромные 2-3db по сравнению с GP только в узком секторе. Зато на вполне “ходовых” углах возвышения имеет жуткие провалы…

Я собственно считал, как вариант 5/8 диполь, изогнутый буквой V. Он имеет вполне цивильную диаграмму, типо серпа, перекрывающую всю нижнюю полусферу а gein там около 5-6 dBi получается. Но это так, для коллекции. А провалы характерны для монопля ( штырь ) без противоеса.

msv
Vlado:

… изогнутый буквой V…

Хотелось бы ммана-модельку… Там бы и ДН поглядел…

dollop

Добрый вечер.
Извините, что встреваю в дискуссию, но уже голова квадратная.
Решил повторить проект Сергея. Собрал ОСД, но что-то не заладилось у меня совсем 😦
Мега после 3-5 включений перестает видится программатором (isp). Кажется слетают фьюзы, потому что фьюз-доктор в режиме параллельного программирования мегу поднимает. У меня последовательность действий такая:

  1. Подключаю isp программатор
  2. Заливаю бутлоадер
  3. Ставлю фьюзы на внешний кварц и бутлоадер, а также brownout protection
  4. Подключаюсь к ногам 28, 29 меги при помощи кабеля USB-UART
  5. Пытаюсь при помощи MegaLoad залить прошивку - выбираю hex и ставлю скорость 38400
  6. Как только MegaLoad пишет, что Waiting for device - подаю питание на ОСД. Ничего не происходит. Зеленый светодиод моргает.
  7. После пары-пятерки передергиваний питания саетодиод не мигает.
  8. Мегу считать/записать при помощи isp программатора невозможно. Подключаю фьюз доктор, сброшу фьюзы и все по-новой.
    Вот такая история на тему как я провел субботу 😃

UPD.
Залил просто хекс без бутлоадера. К конфигуратору коннектится, пока все пишет и читает.

msv

Константин, без паники! 😃

  1. На всякий скачайте последнее обновление OSD.rar, разархивируйте.
  2. Программатором залейте в OSD cvmegaload.hex и установите фузы согласно fuse.JPG.
  3. Запустите OSDcnf.exe. Выберете порт вашего USB-UART, нажмите Open.
  4. Подключите USB-UART вместо GPS-модуля ( к 28,29 ногам меги). Питание OSD отключено!
  5. Нажмите кнопка Flash, выберите файл osd.hex.
  6. В течении ~5сек(не помню точно, но без того чтобы кофейку попить), пока статус “Ready from target”, включите питание OSD.
  7. Несколько секунд наслаждайтесь процессом загрузки прошивки.

В принципе загрузка через бутлоадер сделана для возможности заливать прошивку прямо в поле, с ноута, без программатора (чем неоднократно пользовался). А так, конечно, можно сразу залить osd.hex сразу программатором, не заливая предварительно бутлоадер (только скорректировать фузы…)…

Удачи!
ЗЫ О! уже догадались сразу залить… 😃

dollop

Сергей, спасибо!
С таким порядком действий все работает в лучшем виде. GPS (mtk3329) нашелся сразу. Красотища, и плавненько вся анимация. Не налюбуюсь. Теперь жду когда приедет IMU и погоду.
Сергей, а подробнее про кнопки расскажите, пожалуйста.
S1 - если подержать секунды две - моргнет красный светодиод и запишется позиция home. А если подержать еще секунды две, то красный светодиод моргнет два раза и кажется тоже запишется home. Что-то со временем еще происходит 😃 Получалось его запустить на счет
Назначение S2 не выявил.

msv

Отлично! Теперь стоит пройти процедуру калибровок… Вещь неприятная, благо ее надо сделать только один раз.
Ну и проверить PPM, честно говоря в последних прошивках даже не проверял, пользуюсь только LRS.
Если будут вопросы, конечно спрашивайте.
По кнопкам: одна кнопка пока чисто для отладки, не заморачивайтесь.
Вторая, все правильно:

  • нажатие до 1 мигания -уточнение home (позиция, высота, итп). У меня такой ритуал запуска: после того как все включил, проверил, наловил спутники, похожу с моделью вокруг машины ( заодно проверяю работу антенного трекера… ). Затем ложу модель на несколько сек и смотрю насколько ушло показания расстояние до база, высота. Значения могут сильно отличаться от 0 (GPS уточнил высоту и положение), и если это так, жму кнопку до одного мигания- ура, опять все нолях…
  • продолжать держать до двух миганий- режим “продолжения полета”. Тут такая штука…
    АП определяет момент взлета после увеличения GPS-скорости больше минимальной (по конфигурации) и поднимает флаг- “Полет”. По этому флагу начинает работать таймер полетного времени. Если после этого скорость GPS станет равна 0, АП считает что самолет приземлился и записывает автоматом в eeprom значения таймера полетного времени, пройденное растояние и (главное!) количество съеденных мАч. Естественно отключаю батарею, прихожу в себя… Затем, если решу сделать еще полет на том-же акке, есть смысл при уточнении home подержать кнопку подольше и к текущему расходу акка, времени полета и пройденному пути будут добавлены значения из eeprom. Те система считает это продолжением полета и будет показывать реальное состояние батареи. А в конце полета можно оценить сколько км и сколько мин пролетели на одном акке, даже с промежуточными посадками.
Denn
msv:

-----
Самым неудобным моментом системы сейчас является привязка проводом пульта к передатчику, установленному на крыше авто… Может есть какие дешевенькие RF-модули желательно на 2.4 обеспечивающие уверенный цифровой линк до 15-20м? Интерфес… не знаю… UART что-ли…

Посмотрите на www.ebay.com/itm/…/251120188388 , есть разные варианты исполнения, но лучше использовать м/сх с + - nRF24L01+

Есть форум по ней - kazus.ru/forums/showthread.php?t=19992&page=1
Успехов!!!

varvar
msv:

Тут как раз и обновление поспело: FPVCap 1.1(beta)… Со “спасибами” не торопитесь, все-таки сыровато наверное…

Слишком старое сообщение - мое спасибо не подоспело 😃 Пришел новый китайский изикап - дорогая вещь, 6 баксов платил, однако 😃 С предыдущим прекрасно справлялся StkATVAp - тоже программа безо всяких плюшек. Новый не переварила. Ваша программа успешно переварила их по очереди - правда, когда перетыкаешь платки - информация берется из ini файла про старый модуль и приходится все перенастраивать, настройки на старый, соответственно, пропадают.
Но это так, к слову - а программа чем проще и меньше ресурсов кушать изволит - тем лучше.
То, что ini лежит на виду, а не зарыт в реестре - еще один громадный плюс.
Давным давно пользуюсь чьей-то Quick Start Menu - программа, которая работает под Windows размером 20кбайт (не мега или гига!) - это правильная программа.

Может, в FPV ветке напишите про нее (про свою, конечно, а не QSM) - то в одном, то в другом месте возникают у людей вопросы, на которые Ваши программа - отличный ответ. Сюда-то большинство народа не заглядывает.

Vlado

Там бы и ДН поглядел…

Под серпом я подразумевал такую диаграмму и конструкцию.
Два луча по 5/8 лямбды , вмесле диполь длинее лямбды.

Vlado

Тут еще… раз пaшла такая пьянка, в предверии праздников, реж последний огурец. Тут может и почитателям стакан о в. Раз стаканчик, два стаканчик а в результате OMNI на 2.5Гига, Ку ~ 4dB.

ubd

Начал паять IMU Сергея. Посмотрим что получитсья…

dollop

Аналогично. Со дня на день получаю 9DOF. Думаю, то ли платку свою разводить под IMU, то ли попросить у Сергея. Сколько думал, уже б свою сделал, но пока отсутствие в руках датчиков останавливает 😃

msv
dollop:

… то ли попросить у Сергея.

Разве я не выкладывал печатку? Может и нет… плз: imu_pcb.rar.
Платка сенсоров припаивается пин в пин сверху контроллера. Через единственную дырочку в плате сенсоров и пару втулочек стягивается болтиком из немагнитного материала такой бутерброд: платка сенсоров, контроллер и пластинка из дюраля. За эту пластину через силиконовые резинки вся конструкция подвешивается в корпусе (по типу анти-вибрационной платформы c rangevideo). Частота собственного резонанса этой системы должна быть много ниже всех возможных вибраций на борту.

Vlado

Платка сенсоров

А платка сенсоров тоже своя, если нет то плз ссылочку где брать. И прошивку для меги 8 плз из посвежей.

dollop

Отвечу за Сергея. Прошивка (на предыдущей странице. О сенсорах - тут. Я купил такие же. Думал, может 10DOF брать с другим гироскопом плюс баро (на 5 у.е. дешевле), в итоге взял вот здесь 9DOF

Vlado
dollop:

Отвечу за Сергея. Прошивка (на предыдущей странице. О сенсорах - тут. Я купил такие же. Думал, может 10DOF брать с другим гироскопом плюс баро (на 5 у.е. дешевле), в итоге взял вот здесь 9DOF

А, ооо, спасиб сами понимаете вотка бывает не свежая. А 10DOF супортится?
Так я понимаю этот девайс лучше себя ведет чем пирогоризонт а то энтот горизонт стоил кучу денег.

dollop

Игорь, ввиду того, что Сергей любезно предоставил исходники IMU то сделать саппорт другим датчикам не сложно. Однако для данного АП от платы IMU требуются гироскоп и акселерометр (может быть и компас - пока сильно не смотрел). А высоту и курс АП берет от GPS. Поэтому сенсу в 10DOF может и не быть.

Так я понимаю этот девайс лучше себя ведет чем пирогоризонт

Думаю - да. Коптеры ж все подобной связке датчиков летают и стабилизируются огого 😃

Vlado

предоставил исходники IMU то сделать саппорт другим датчикам не сложно.

Дык я почти инвалид, видишь стаканами занимаюсь, код почти атрофировался, эх давненька кода не правил.

msv

Решил слепить маленький пультик (atmega88, nRF24L01+) для своего FPV-комплекта. Схема готова , печатка разведена, софт на подходе… 5 аналоговых каналов+ 4 дискретных, мне хватит. LRS будет работать ретранслятором.
Корпус- может удастся впихнуть в ви нунчак (плата контроллера 35x50).
Почта… заказы доходят за 2 месяца, такими темпами боюсь к сезону не успею… 😃
Спасибо Denn и Aleksey Gorelikov за дельные советы и идеи!
ЗЫ Да… самое главное забыл… Может у кого есть под рукой ви нунчак, гляньте плз, какой размер платы туда влезет…