Помощь в разработке и адаптации эл.самоделок

Синклер

Вобщем почилал я этот раздел и стало и грустно и весело одновременно, тк:

  1. Когда я 2 года назад тут предлагал стабилизатор тока свечи на PIC - народ крутил пальцем у виска (в МК практически никто не разбирался), а теперь - ЛЕПОТА 😉 Молодцы, контроллеры освоили 😉

  2. Схемы (не обижайтесь - чисто здоровая критика) оставляют желать лутчшего… тё или ставят диоды для защиты - там где они вообще не нужны, или питание рвут IRF-кой по земле (хотя есть IRF “верхнего плеча” тё для коммутации питания), или…

Если у кого есть идеи по конструированию различного рода RC приблуд (типа а вот хочу - но не знаю как сделать ), пишите, могу попробовать реализовать в железе на базе МК типа PIC, c использованием нормальных схемных решений (а не как тут предлагают ), толковых защит и современной эл.базы (нормальные IRF ключи с сопростивлением канала 20-30 милиОм итп).

Или если есть какие нить ещё не реализованные идеи, по каким то причинам считающиеся “сверхсложными” для самоделок, например о реализации (дешёвым методом) передачи инфы от модели на землю по обратному радиоканалу, или ещё чего-нить - давайте делитесь - будем думать как их реализовать 😉

BABYLON

Здравствуйте.

Приятно кагда человек предлагает помощ.
Дествительно МК позволяют сделать много интересных вещей, но если ты с ними не дружиш то это не для тебя. Простой пример: дешифратор если его научить понимать помеху(я думаю это не сложно)то защищённость РРМ канала подымится до уровня РСМ или на худой конец просто улучшится стабильность, не будет реагировать на помеху.
В принципе что то подобное уже есть, но расширить его 5 или 9 каналов это уже проблема, во всяком случае для меня.

Есть желание сделать серво електронику, но не за тем что бы дешевле, а потому что все рулевые машинки расщитаны на 4,8в, и на 3,6 (елемент Li-Po) они уже не работают.

Если вас это заинтересует то подробности можно в личку.

Синклер
BABYLON:

Есть желание сделать серво електронику, но не за тем что бы дешевле, а потому что все рулевые машинки расщитаны на 4,8в, и на 3,6 (елемент Li-Po) они уже не работают.
Если вас это заинтересует то подробности можно в личку.

Давай подробности в личку - я вроде как настроил приём сообщений с лички на мыло, а то сегодня зашёл, и был приятно удивлён таким их кол-вом, и своим неведеньем об их наличии. А сюда на форум я неделю не заходил - просто машину к сезону в гараже сейчас готовлю - немного не до серфинга форумов инета мне было 😦 Вобще приношу за своё случайное невежество (типа предложил помощь и пропал 😦 ) участникам форума извинения…

Но для остальных по этой теме приводов (мало ли кому интересно будет) - так просто совет для данного случая - если будете делать свой привод - не жалейте деньги на хорошие ключи с низким сопротивлением открытого канала (как пример посмотрите параметры IRL2505) и в качестве управления используйте МК с буквой L в названии (она ставится на МК (и не только на МК) если требуется питание от низкого напряжения (вплоть до 1,8 вольта приенительно к PIC)).

Ну а по теме выше… ну незнаю что пока сказать - будет от BABYLON - ТЗ буду что-то под ТЗ уже в железе предлагать 😉 Если вопрос касается (вся проблема состоит) только передачи помехозащищённого кода по радиоканалу - то уже есть готовое решение на основе кода Баркера.

Добавлено

VG:

Вот, надо что-то в этом роде:  www.rc-cars.ru/forum/viewtopic.php?t=142 Смогём?

А в чём суть этой системы - сам в двух словах можешь рассказать…

А то я пока как понял - это просто регистратор проезжающих мимо приёмника моделей, сливающий инфу в комп через СОМ порт. Основная фишка системы состоит в том чтоб иметь возможность накапливать результаты “кешировать” а потом сливать в комп, а вспомогательная в использовании оптоканала.

Что я пока по этой системе вижу (что можно предложить как альтернативу):

  1. В целях удешевления системы (эта схема “габаритами” меня шокирует cs.rosinter.ru/files/Ikar312.gif) убрать буфер (память сообщений) и индикацию (тё ноут какой нить - 486 даже пойдёт для подключения датчика) всяко у организаторов гонок есть, да и можно пойти по другому пути - сделать “честный” СОМ (+/-12 вольт) чтоб “стрелять” по витой паре (или вообще по “полевику” (так даже круче 😉 тк можно армейскую катуху на 500 метров для подключения датчиков удалённых юзать)) до ближайшего компа за несколько десятков (или даже сотен) метров) тё использовать просто выносной датчик (или несколько датчиков-регистратов в разых частях трассы).

  2. Всё- таки мне кажется стоит перейти на радиоканал а не городить какие-то арки со светоприёмниками над трассой (я вообще не понимаю как можно устойчиво ловить на скорости излучение от светодиода…) с передачей очень коротких инфопакетов от машинок с минимальной мощностью (тё вписатся в нормы ГКЧСС), с большой паузой между инфопакетами и её разной (для каждой машинки длительностью). Но тут есть один момент - какое расстояние для захвата (оптимальная зона от датчика в метрах) допускается (интересует размер трассы).

  3. Кварц в модели ставить я бы не стал (если можно без него обойтись)… я конечно не знаю… может есть “крутые” кварцы у которых не обрывается кристалл при лобовом ударе автомодели об стенку бетонную, но ЗАЧЕМ ? Есть же решения с захватом несущей (АПЧ то-бишь).

  4. Почему МК не 8 ног (типа ТИНКИ или 508 или 629), а код (от 0 до 99 (больше думаю что и не надо)) задаётся не с двух кнопок по принципу подстчёта числа их нажатий ?

  5. Кренку (даже L) то-же, (АКБ бы хоть ИКАР пожалел 😦 ) тё МК ему надо запитать током (для пика хватило бы и 1 ма) от резистора со стабилизацией на 2х светодиодах, а взамен КТ503 - поставить полевик (попутно убирается 2 резистора)… Вобщем я наверно завтра схему своего варианта передатчика выложу 😉 Так проще будет по ней все недостатки cs.rosinter.ru/…/IKAR_TX_v1_36K.gifобъяснить 😃

ps: А вообще мне у Вас ндравится - такие интересные нестандартные проблемы 😃 Не… я всё вам решать не собираюсь (сейчас выберу по обсужению тех тем что мне вы тут и в привате “накидали” что-нить мне интересное), но некорорые темы можно проработать (тё выдать готовые решения или просто подкинуть идею или вариант решения).

VG
Синклер:

…сейчас выберу … что-нить мне интересно

Если в “Поиске” набрать “Засечка”, то очень даже “интересная” тема вырисовывается! Обратите внимание на спрос, на цены и сопоставьте. А если еще на rc-cars поискать, а если ещё rc54, а если на киевском сайте… Дух захватывает от перспективы! Эх, кабы сам умел - не упустил бы.

Синклер

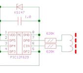
А я и не “торможу” 😉 Вот вчера подумал - чем своё со своим протоколом делать проще (в целях совместимости систем) развить уже готовую идею (сделать проще, дешевле и надежнее). Вот Вам готовая схема инфрокрасного передатчика на PIC12F629 c описанием (на основе того о чём я писал вчера). По функциональности она полный аналог оригинальной: cs.rosinter.ru/files/ikar/img/IKAR_TX_v1_36K.gif, но проще и дешевле.

Описание работы схемы:

Передатчик может обеспечить передачу любого кода (зависит от прошивки МК) для передачи по инфракрасному каналу.
Алгоритм передачи кода так-же зависит от протокола обмена и может быть в любой момент изменён перепрошивкой МК.
Использование для управления излучающим инфракрасным светодиодом полевого транзистора позволяет запитать МК от
параметрического стабилизатора некомпенсационного типа. Необходимость использования в качестве стабилизирующих
элементов светодиодов вызвана малым током стабилизации (широко распостранённые стабилитроны как правило не
обеспечивают нормальный режим стабилизации токов менее 1 мА). Передатчик позволяет осуществлять ввод информации
(например кода посылки) методом нажатия кнопки по следующему алгоритму:

  1. При включении питания для перехода в режим программирования нового кода необходимо удерживать кнопку в нажатом состоянии.
  2. После отпускания кнопки необходимо её нажать от 1 до 10 раз (10 это ввод нуля) с паузой не более 3х секунд между нажатиями кнопки.
  3. Отсутствие нажатия кнопки более 3х секунд, означает конец ввода нового кода, введённый код сохраняется в энергонезависимой памяти минимум на 40 лет.
  4. Для ввода кода размерностью более 10 (несколько разрядов) 3х секундная пауза означает ввод очередного разряда.

Схема включения контроллера оптимизирована под 3х контакное включение МК, оптимизация сделана в целях упрощения разводки печатной платы.

Остаётся только “вежливо попросить” 😉 автора открыть протокол обмена и эта схема на PIC “оживёт” (будет работать аналогично схеме на AVR), потому как “снять” (взломать) протокол с готового передатчика это мне на полчаса работы… да и не обязательно мне (надо всего-то осциллограф с памятью). Вобщем кто пришлёт мне протокол тому хоть 100 штук прошитых контроллеров я вышлю вообще по их себестоимости (по цене чистых (что-то в районе до 100 руб) с магазина).

Ну а дальше… 500 руб с одного прошитого контроллера (включая стоимость камня и мои расходы по отправке контроллера Вам по почте), само собой чем больше их будет вам надо - тем дешевле, тё думаю что я возьму уже только 1500 руб (включая стоимость пересылки всех вместе на 1 адрес) за 10 шт (5 уе за 1 шт тё по 150 руб) итд я думаю что всех устроит 😉

И последнее (как доказательство что предложение выше это не развод, тё я реально вышлю за такие деньги прошитые чипы), так сказать, для подтверждения того что я до денег не жадный (работаю можно сказать в таких случаях подчти за пиво) одна из моих разработок - reschip.narod.ru И ещё вторая (мой тех.уровень как программиста МК) smsn.chat.ru/low_modem.html, и ещё… (а ладно… хватит для начала 😉 ).

Вобщем жду протокол используемый в Икар Lap System… Или буду делать свой (тё в итоге проиграют все 😦 ).

Добавлено

Да вот ещё… сейчас делаю под заказ схему для снятия (и последующего изучения) графиков динамики разгона двухтактных моторов установленных как я понял на испытательном стенде (для мотиков гоночных итп), вобщем если кому это интересно будет - со временем могу предложить, а пока только могу показать схему датчика (дроссель это несколько витков вокруг высоковольтного провода), который скидывает отсчёты на COM порт компа c фиксированным интервалом (тё по сути точки графика). Вобщем то эта разработка пока ещё “вилами на воде” но уже на неё есть заказ, и скоро она будет уже отлажена в железе.

Val

Помощь в разработке и адаптации эл.самоделок

Ну а дальше… 500 руб с одного прошитого контроллера (включая стоимость камня и мои расходы по отправке контроллера Вам по почте), само собой чем больше их будет вам надо - тем дешевле, тё думаю что я возьму уже только 1500 руб (включая стоимость пересылки всех вместе на 1 адрес) за 10 шт (5 уе за 1 шт тё по 150 руб) итд я думаю что всех устроит

😊
Во!!! Новое понимание помощи…
Мне нравится… 😁

А вообще это тема барахолки…

Остаётся только “вежливо попросить”  автора открыть протокол обмена

??? Попросить и продавать - это мы умеем… 😲

Петрович

Привет! Разрешите встряч!
1.Примерно пол/года назад получил на мыло предложение о сотрудничестве по реализации идей в электронике для моделей от “viatcheslav” andreyavi2003@mail.ru
Он из Ярославля, 51 год, КМС по радиоспорту, есть возможности что-то производить своими руками… Спишитесь, может найдете общую тему для пересечения…

2.Уважаемый Петрович.
Прошу Вас удалить из своего поста всё относящееся
к конструкции над которой ведётся активная работа:

> 2.Примерно год назад на форуме Всеукраинского RC-портала бурно
> обсуждалась идея переделки стендовых копий танков 1/35 в действующие
> (ползающие, вращающие башнями и стреляющие)…

Заранее благодарен Andrew Djanumov

3.Скорее по инерции продолжаю заниматься судомоделизмом. Столкнулся со следующей проблемой: на один регулятор с реверсом повесил два движка параллельно. Двух одинаковых движков не бывает, один стартует раньше другого… При попадании посторонних предметов в винт происходит перераспределение током меж ними, один встает, другой работает… Возможно нехватка по току, хотя моторчики не супер, 180 серии и запитывали от батареек…
Ставить два регулятора раздельно на каждый мотор дорого, к лету попробую усредненный вариант, один регулятор с двумя парами силовых ключей… На соревнованиях был Жорник с Москвы, у него стоял интересный регулятор с раздраем, т.е. второй канал от руля направления заводился на регулятор и движки меняли скорость и направление вращения в зависимости от угла поворота руля направления… Это позволяет модели практически по танковому принципу разворачиваться на месте… Тоже довольно интересно и актуально…

Приветствую Вас, Петрович!

Я Вас просил удалить часть Вашего письма не для того что-бы Вы
наоборот привлекали внимание к этой теме. Удалите пожалуйста.


Best regards, Andrew.
da_c@mail.ru ln.com.ua/~dj-andy

Не понял, что за монополизм на тему? У вас патент? Тоды предьявите!!!
Ах нет…, тоды не ущемляйте моих конституционных прав на свободу слова!!!

dynaco

2 синклер

Лови идею -может быть буду делать скоро.
используя микроконтроллер в связке с синтезатором часоты AD9850 сделать генератор качающейся частоты. Там максимальная частота 60мГц - итого в диапазон русских рс 35, 40, 27 мгц ложимся нормально, ну а дальше - задаем девиацию и делаем пилу на вход горизонтальной развертки, частотные метки на канал У1 и собственно мерять на канале У2. Получается в сумме неплохой характериограф. Можно приемники, да и передатчики настраивать.

ДАК
Петрович:

Привет! Разрешите встряч!
1.Примерно пол/года назад получил на мыло предложение о сотрудничестве по реализации идей в электронике для моделей от  “viatcheslav” andreyavi2003@mail.ru
Он из Ярославля, 51 год, КМС по радиоспорту, есть возможности что-то производить своими руками… Спишитесь, может найдете общую тему для пересечения…
2.Примерно год назад на форуме Всеукраинского RC-портала бурно обсуждалась идея переделки стендовых копий танков 1/35 в действующие (ползающие, вращающие башнями и стреляющие). Как всегда все уперлось в схемотехнику… Контактировал на эту тему аж с тремя Киевлянами, но все наверное как ушли на «баррикады» «делать революцию», так до сих пор обратно не вернутся… Вот вам тема для размышлений, простая система управления и боя для модели танка, с учетом количества боеприпасов, выстрелов, попаданий, шумаимитации…
3.Скорее по инерции  продолжаю заниматься судомоделизмом. Столкнулся со следующей проблемой: на один регулятор с реверсом повесил два движка параллельно. Двух одинаковых движков не бывает, один стартует раньше другого… При попадании посторонних предметов в винт происходит перераспределение током меж ними, один встает, другой работает… Возможно нехватка по току, хотя моторчики не супер, 180 серии и запитывали от батареек…
Ставить два регулятора раздельно на каждый мотор дорого, к лету попробую усредненный вариант, один регулятор с двумя парами силовых ключей… На соревнованиях был Жорник с Москвы, у него стоял интересный регулятор с раздраем, т.е. второй канал от руля направления заводился на регулятор и движки меняли скорость и направление вращения в зависимости от угла поворота руля направления… Это позволяет модели практически по танковому принципу разворачиваться на месте… Тоже довольно интересно и актуально…

Я один из тех самых киевлян. Да, действительно мы начали разрабатывать систему управления танками для 35 масштаба. Причём с системой боя. Но в самом конце декабря, перед Новогодними праздниками, я совершенно случайно на киевском рынке Петровка наткнулся на несколько разновидностей китайских р/у танков. Один из вариантов выполнен просто ВЕЛИКОЛЕПНО!!! Полное управление танком, башня, есть даже привод на пушку, но не задействован. Очень здорово выполнен передатчик!!!
Эргономика на самом высоком уровне. Это управление, редуктор- здорово вписалось в масштабные модели. Есть возможность сдвига частоты и одновременного управления тремя моделями! И цена очень хороша- примерно 32уе. Так что самостоятельная разработка стала просто экономически не выгодна. Туда же стала и простенькая самодельная програмируемая система боя.Которая требует конечно доработки. Но действительно, после всех наших событий, многие, кто руководит собственным бизнесом, потеряли время на хобби. Вот только сейчас что-то удаётся иногда делать. Таковы реалии жизни…
А по поводу негораздов с двух моторной схемой- так оно и понятно. Если есть необходимость чётко держать направление при приличной скорости- так надо иметь регулятор с датчиками оборотов и естественно с обратной связью.
Сделать зависимость оборотов и углом поворота руля- вроде тоже нт проблем, конечно при налиичии соответствующей апаратуры: микшируются каналы и вводится зависимость.

romychs
  1. Когда я 2 года назад тут предлагал стабилизатор тока свечи на PIC

Конечно, можно забивать гвозди молотком, а можно кувалдой…

  1. Схемы (не обижайтесь - чисто здоровая критика) оставляют желать лутчшего… тё или ставят диоды для защиты - там где они вообще не нужны, или питание рвут IRF-кой по земле (хотя есть IRF “верхнего плеча” тё для коммутации питания), или…

Если Вы такой крутой схемотехник, то ЧЕМ это плохо? Вы подключали аккумулятор к приемнику? Какая разница, что отрывать? Можно делать на том, что есть в магазинах и ждешево, а можно на современной элементной базе, причем на выходе получить одно и тоже… Но по совсем разной цене. Да, и не надо мне указывать на найденные мной же ошибки 😃

DjAndy

В целях удешевления системы (эта схема “габаритами” меня шокирует cs.rosinter.ru/files/Ikar312.gif) убрать буфер (память сообщений) и индикацию

Мне понравилось. Не вникая вообще в суть вопроса человек выбрасывает из схемы всё что он лично считает ненужным. Да, понятно что можно немного не так сделать, но устройство это должно быть полностью автономным, а слив информации на компьютер производится по приходу домой, если это нужно вообще. 😃 Тщательней надо.
А вообще, с неприкрытым интересом наблюдаю за ходом беседы. 😃 😃 😃

ILUHA
Синклер:

Если у кого есть идеи по конструированию различного рода RC приблуд (типа а вот хочу - но не знаю как сделать ), пишите, могу попробовать реализовать в железе на базе МК типа PIC, c использованием нормальных схемных решений (а не как тут предлагают ), толковых защит и современной эл.базы (нормальные IRF ключи с сопростивлением канала 20-30 милиОм итп).

Или если есть какие нить ещё не реализованные идеи, по каким то причинам считающиеся “сверхсложными” для самоделок, например о реализации (дешёвым методом)  передачи инфы от модели на землю по обратному радиоканалу, или ещё чего-нить - давайте делитесь - будем думать как их реализовать ;)

Предлагаю заняться Самым накипевшим (судя по форуму) вопросом, а именно регулятором безколлекторника. Сам не собирал, но смотрю не у всех все гладко выходит( также судя по форуму). А вот за это Вам огромная куча народа спасибо скажет!

Петрович

…Я один из тех самых киевлян. Да, действительно мы начали разрабатывать систему управления танками для 35 масштаба. Причём с системой боя. Но в самом конце декабря, перед Новогодними праздниками, я совершенно случайно на киевском рынке Петровка наткнулся на несколько разновидностей китайских р/у танков. Один из вариантов выполнен просто ВЕЛИКОЛЕПНО!!! Полное управление танком, башня, есть даже привод на пушку, но не задействован. Очень здорово выполнен передатчик!!!
Эргономика на самом высоком уровне. Это управление, редуктор- здорово вписалось в масштабные модели. Есть возможность сдвига частоты и одновременного управления тремя моделями! И цена очень хороша- примерно 32уе…

Отсюда плиз поподробнее: фирма, наименование товара, ссылки если есть на сайты производителя!?

…Так что самостоятельная разработка стала просто экономически не выгодна. Туда же стала и простенькая самодельная програмируемая система боя.Которая требует конечно доработки. Но действительно, после всех наших событий, многие, кто руководит собственным бизнесом, потеряли время на хобби. Вот только сейчас что-то удаётся иногда делать. Таковы реалии жизни…
А по поводу негораздов с двух моторной схемой- так оно и понятно. Если есть необходимость чётко держать направление при приличной скорости- так надо иметь регулятор с датчиками оборотов и естественно с обратной связью…

Ну во первых не все так продвинуты в электронике! У нас на областных соревнованиях у половины участников еще стоят механические устройства управления ходовым мотором, т.е. еще одна серва замыкает нужную группу контактов… Это увы проще и пока дешевле! Далее в классе Ф4 (РУ копии из наборов) на лодочке 50-60 см. длиной городить такие сложности…, а нуно ли!?
Проще поставить один движок и через редуктор вращать два винта или вооще сделать одновинтовую схему…
Сделать зависимость оборотов и углом поворота руля- вроде тоже нт проблем, конечно при налиичии соответствующей апаратуры: микшируются каналы и вводится зависимость.
Раздрай нужон в основном при в ходе в док, на дистанции модель и так хорошо держится без раздрая, поэтому многие опять прибегают к чисто механической схеме, когда качалка руля в крайних положениях замыкает группу контактов, те включают соответствующую релюшку и она перебрасывает соответствующие контакты на одном из моторов на противоположное вращение… Смысл от такого регулятора будет если он по цене будет ниже и надежнее сервы + 2 релюшек! Например схемно одна ПИК-контролеер и пара ключей например ТА7291 или аналогичных…

Синклер
Val

😊
Во!!! Новое понимание помощи…
Мне нравится…  😁
А вообще это тема барахолки…

Согласен, критика принимается, больше на эту тему тут заикатся не буду. Просто буду сразу говорить - что это(конкретное сложное или большое по разработке решение ) будет для тех кому это нужно - не бесплатно, тё всё дальнейшее по реализации и разумной оплате моего труда - в приват.

Вобщем предлагайте идеи (что надо сделать), а уже договариватся будем теперь только в привате (если работа по объёму большая), опять же, часть идей (несложные) я и так вам бесплатно реализую. А если надо будет что нить посоветовать по реализации схемы (на чём и как сделать лутчше) или как программно реализовать - это однозначно бесплатно, кстати пример есть выше (со схемами передатчиков, тё на чём и как их лутчше сделать).

Добавлено

DjAndy:

Мне понравилось. Не вникая вообще в суть вопроса человек выбрасывает из схемы всё что он лично считает ненужным. Да, понятно что можно немного не так сделать, но устройство это должно быть полностью автономным, а слив информации на компьютер производится по приходу домой, если это нужно вообще. 😃 Тщательней надо.
А вообще, с неприкрытым интересом наблюдаю за ходом беседы. 😃 😃 😃

Ну давайте аргументированно поспорим 😉 Докажите обоснованность наличия в схеме как Вы считаете - “нужного”. В споре рождается истина 😃 Согласен что в варианте отсутствия компа на соревнованиях - такое решение имеет право на жизнь, но в реале разве не проще выдавать инфу сразу в комп (пусть даже стоящий от трассы за 500 метров) и обрабатывать её тут-же ? В реальном времени ? При желании можно даже передавать её по радиоканалу, тё датчик с антенной у трассы а комп “где-то там…” за 300-500 метров.

ps: Ну а по реализации приёмника (моя альтернативная схема) тут чем крыть будете 😉

Добавлено

ILUHA:

Предлагаю заняться Самым накипевшим (судя по форуму) вопросом, а именно регулятором безколлекторника. Сам не собирал, но смотрю не у всех все гладко выходит( также судя по форуму). А вот за это Вам огромная куча народа спасибо скажет!

Уже в привате помаленьку занимаемся… но тема по причине отсутствия оного бесколлекторника у меня под рукой - для меня очень сложная, потому и ограничусь по ней пока просто общими консультациями. Со временем может вникну в её проблемы и действительно - реально помогу.

Добавлено

romychs

Конечно, можно забивать гвозди молотком, а можно кувалдой… Да, и не надо мне указывать на найденные мной же ошибки 😃

Да ладно, не обижайся, я просто сам по себе такой вредный, но абсолютно беззлобный и тем более - не злопамятный 😉

Сам же понял что когда “масса” девайса в воздухе - это обычно хорошим не заканчивается 😦

Добавлено

Петрович

Смысл от такого регулятора будет если он по цене будет ниже и надежнее сервы + 2 релюшек! Например схемно одна ПИК-контролеер и пара ключей например ТА7291 или аналогичных…

А можно от Вас получить примерные схемы входной и выходной части, а так-же желаемый алгоритм работы.

DjAndy
Синклер:

Ну давайте аргументированно поспорим 😉 Докажите обоснованность наличия в схеме как Вы считаете - “нужного”. В споре рождается истина 😃 Согласен что в варианте отсутствия компа на соревнованиях - такое решение имеет право на жизнь, но в реале разве не проще выдавать инфу сразу в комп (пусть даже стоящий от трассы за 500 метров) и обрабатывать её тут-же ? В реальном времени ? При желании можно даже передавать её по радиоканалу, тё датчик с антенной у трассы а комп “где-то там…” за 300-500 метров.

ps: Ну а по реализации приёмника (моя альтернативная схема) тут чем крыть будете 😉

Спор тут совершенно ни при чём. Взятая Вами за основу схема “Personal LAP System” в самом названии несёт своё назначение. Из него-же понятно что устройство сделано не для соревнований, а для личных тренировок. Подумайте сами, зачем каждому человеку на собственную тренировку ноутбук с собой таскать, особенно в случаях когда его вовсе нет. Вы просто идею изначально немного не поняли. А для соревнований конечно-же находится компьютер и всё остальное. По поводу приёмника. Схемка простенькая, всё хорошо, осталось только разобраться с антенной, частотами, чувствительностью, помехозащищённостью, скоростями распознавания движущихся объектов, точностью замеров. Мне крыть не нужно, т.к. у меня уже разработана засечка на 20 моделей. Вот только смысла её делать не вижу, никто деньгами не поощряет. Когда столкнётесь с изготовлением и поиском клиентов, поймёте. А говорить тут много будут и всякого. Контроллер всем нужен ? Ок. Немцы нашлёпали схем и программ. И что ? Из тысяч один-два человека только и смогли собрать. Марк сделал свои контроллеры и продаёт их успешно, но не дешевле чем импортные, как народ надеялся. Т.е. здесь, как и на любом другом форуме, масса людей желающих но не всемогущих, соответственно просящих и выжидающих нужные им разработки. В то-же время получив эти долгожданные разработки, дальше с ними тоже сделать ничего не могут, т.к. опыта не хватает, начинают искать кто-бы собрал, настроил… К чему я это всё ? 😃 Да к тому что Вы наверное будете следующим популярным человеком на форуме, весь в вопросах и постоянных ответах. Наслаждайтесь. 😃

Синклер
DjAndy

В то-же время получив эти долгожданные разработки, дальше с ними тоже сделать ничего не могут, т.к. опыта не хватает, начинают искать кто-бы собрал, настроил… К чему я это всё ? 😃 Да к тому что Вы наверное будете следующим популярным человеком на форуме, весь в вопросах и постоянных ответах. Наслаждайтесь. 😃

Да нет, наслаждатся тут нечем, я хотел узнать какие в RC есть проблемы с электроникой, я их узнал, Вы не допускали мысли что иногда может быть такая ситуация что накопившихся наработок, на которые потрачено много сил и времени - море, а использовать их не для чего (ну разве что для курсовиков студентам с Бауманки). Возможно со временем часть их (проблем) помогу решить, возможно так-же со временем и не упущу возможности и немного заработать… но по божески (если я прошу за прошивку оптом меньше $2 то куда уж ниже-то ? Или предложите бесплатно прошивки выкладывать ? Как с ресетером катриджей, от которого я что и поимел так ожидаемых (всё никак ко мне на север не доедут бедолаги) "БАААЛЬШИХ … " от представителей “самостийной” которым я бизнес их в МСК обломал (потому как они такие девайсы в МСК по 100 баксов “страждущим” толкали.)) и не на какой нить мелочёвке (таймере) а на реальных сложных решениях.

DjAndy
Синклер:

Возможно со временем часть их (проблем) помогу решить, возможно так-же со временем и не упущу возможности и немного заработать… но по божески (если я прошу за прошивку оптом меньше $2 то куда уж ниже-то ? Или предложите бесплатно прошивки выкладывать ? Как с ресетером катриджей, от которого я что и поимел так ожидаемых (всё никак ко мне на север не доедут бедолаги) "БАААЛЬШИХ … " от представителей “самостийной” которым я бизнес их в МСК обломал (потому как они такие девайсы в МСК по 100 баксов “страждущим” толкали.)) и не на какой нить мелочёвке (таймере) а на реальных сложных решениях.

Насколько я понял, Вас тот случай ничему не научил. Вы тогда поступили по принципу “сам не заработаю и другому не дам”, и сейчас бесцеремонно продолжаете в том-же духе. И вообще, Ваш изначальный пост в этой теме просто похож на саморекламу со сбором идей. Причём чужих идей, заметьте, над которыми люди работают, и обсуждали свои идеи не для того что-бы кто-то за них схватился и развалил всё в пух и прах. То что у кого-то лежит без дела, никого не должно волновать, кроме тех кто над этим работал. И то что на идеях и мозгах студентов сейчас некоторые личности делают себе деньги, совершенно не секрет. Вы, кстати, к ним не относитесь случайно ? Если Вы хотите получать деньги за свой труд, то свяжитесь с кем-то из производителей и под его продукцию/заказы делайте ему схемотехнику и пишите программы.

Val

я хотел узнать какие в RC есть проблемы с электроникой, я их узнал,

Вряд ли узнали…
То, что на поверхности не всегда отражает истинное состояние дел…

Надеюсь, будете держать в курсе ход вашей компании “помощи моделистам”…

Уж очень необычное ваше предложение…

Синклер
DjAndy

Насколько я понял, Вас тот случай ничему не научил. Вы тогда поступили по принципу “сам не заработаю и другому не дам”, и сейчас бесцеремонно продолжаете в том-же духе.

А Вас ? Ну в смысле ваших земляков. Разве можно было надеятся что такая “лафа” (продажа (а по большому счёту впаривание “москалям”) девайса больше чем за 100 баксов) так долго продлится ? Ну торговали бы по божески тё 10-20 баксов девайсами красная цена которым 2 бакса, никто бы бузы поднимать по этому поводу на IXBT форуме бы не стал, ну а так - раз такой беспредел пошёл (новый товар из самостийной, альтернативы нет, ценик задран на 2 порядка) - “москали” типа собрались, обмозговали и сделали открытый некоммерческий проект, а так как делалось это всё сообща то даже 2 бакса мне советь за прошивку (моя версия (есть ещё несколько у других участников) этого проекта) попросить не позволила.

Теперь по поводу бесцеремонно - да отчасти это так, я действительно ищу тут темы которые можно было бы реализовать и продавать за разумную цену, именно за разумную доступную цену, так что те кто на этой нише надеется заработать (сорвать) большие бабки - сильно в своих надеждах ошибается 😉 Тк есть такая штука - конкуренция, так зачем тогда вы ноете что вам мешают работать такие как я на этом RC рынке ?

В конце концов - это же то-же своего рода RC, тё констуирование и спорт, так что в этом плохого если кто-то может повторить вдруг вашу идею (Кстати а почему именно вашу если вы её публично обсужаете ? То какая она Ваша ?), и не просто повторить, а сделать её лутчше и дешевле ? Давайте будем малость спортивнее, и займёмся здоровой конкуренцией, тё не будем переходить на взаимные наезды, упрёки итп.

зы для АЛЛ: Я на неделю в деревню уезжаю (так что извиняйте, даже не всем по мылу ответить успел, хотя есть что ответить), но по приезду достаточно интересное общение (втч и помылу) продолжим.

DjAndy
Синклер:

я действительно ищу тут темы которые можно было бы реализовать и продавать за разумную цену, именно за разумную доступную цену

Флаг в руки. Идеи собраны точно будут, а вот результата, тем более хорошего, 99% нет. Уважаю Вас как программиста, а во всём остальном не очень. Что касается того что обсуждается на форумах, люди обычно спрашивают не нужна-ли помощь, но не лезут со своей конкуренцией свистнув идейку. Посмотрм на Ваши разумные цены. Хотя я то знаю какими они будут. Больше я в эту тему не ввязываюсь, варитесь в собственном соку. Человек без собственных идей мне лично неинтересен.

15 days later
Синклер
DjAndy

Флаг в руки. Идеи собраны точно будут, а вот результата, тем более хорошего, 99% нет. Уважаю Вас как программиста. Больше я в эту тему не ввязываюсь, варитесь в собственном соку. Человек без собственных идей мне лично неинтересен.

… ммм, но в целом (что точка в этих ненужных тут как я думаю - “религиозных войнах” хоть так да поставлена 😉), кстати я то-же “хорош” - ломанулся с ходу в чужой монастырь со своим уставом - хотя вроде как и с благими намереньями 😉 Но будем считать что “тему эту проехали”, я наконец-то с отпуска “оклемался” переходим к реальным проектам и железу (больше я на провокации не поддамся, пишите обо мне что хотите)):

В качестве моего очередного взноса (так сказать одна из реализации идей полученных через приват) выкладываю схему (рабочая и уже не раз на практике мной провереная) привода для коллекторных моторов. В ней есть сразу датчик для замера оборотов мотора и отключения при его заклинивании… Коротыша схема не боится (тё определяет его, выжидает паузу (2 секунды например и снова пробует запустить мотор)), радиаторы для ключей скорее всего то-же не понадобятся 😉 Программа управления (входные сигналы) - сделаю какую захотите, как и напряжение питания (но не ниже 7,2 вольта !!!).

Следующее что я планирую вам предложить это очень простую и надёжную схему электронного зажигания на основе маленького строчника ТВС-70П1 (если это ещё актуально… отстал я от жизни за время отпуска увы). Хотя возможно это будет уже совместный коммерческий проект с одним из участников данного форума 😉

По поводу прошивок итп… сразу предупреждаю - 100% халявы не будет, но сумма за прошивку (отправленный вам прошитый контроллер) будет минимальна, а вот достаточно хорошо продуманные схемы (с оптимизацией по числу элементов и др.) - это я вам как халяву тут обещаю, тё тех кто захочет написать под эти мои схемы свою прошивку - я буду только приветствовать 😉

DjAndy
Синклер

В качестве моего очередного взноса (так сказать одна из реализации идей полученных через приват) выкладываю схему (рабочая и уже не раз на практике мной провереная) привода для коллекторных моторов. В ней есть сразу датчик для замера оборотов мотора и отключения при его заклинивании…  Коротыша схема не боится (тё определяет его, выжидает паузу (2 секунды например и снова пробует запустить мотор)), радиаторы для ключей скорее всего то-же не понадобятся 😉 Программа управления (входные сигналы) - сделаю какую захотите, как и напряжение питания (но не ниже 7,2 вольта !!!).

Какое угодно управление здесь не получится, в случае включения тормоза микроконтроллер перейдёт в режим выжидания паузы по превышению тока. И ещё, в момент к.з., при свежезаряженных батареях, а это 9в, 6-му выводу контроллера несладко прийдётся. А что в роли датчика оборотов используется ?

ILUHA
Синклер:

В ней есть сразу датчик для замера оборотов мотора и отключения при его заклинивании…  Коротыша схема не боится (тё определяет его, выжидает паузу (2 секунды например и снова пробует запустить мотор)), радиаторы для ключей скорее всего то-же не понадобятся 😉 Программа управления (входные сигналы) - сделаю какую захотите, как и напряжение питания (но не ниже 7,2 вольта !!!).

Датчик оборотов ? это где? Про 7.2 вольта предлагаю поставить low drop регулятор на 5 вольт и минимальное напряжение снизиться и BEC для питания приемника с машинками. А если pic 675 то не плохо бы сделать програмируемый с передатчика порог отключения разряженных батарей, как NIcd так и LIPO.

Да и любой кто летал со мной согласиться, что отключать мотор надо не резко, а плавно, в течении примерно 5 секунд уменьшать обороты. А то если в свечке он отрубиться то красивый штопор с морковкой вам будет долго сниться 😃.

Да и поймите, что тем кто может себе позволить регулятор, те его купят в магазине. А молодым мальчишкам которые только начинают не интересны Ваши “почти бесплатные” взносы.
Я не обвиняю Вас в том, что есть нормальное желание просто получить вознаграждение за работу. Но Схема с применением pic без присоединеной прошивки не интересна, мы и так все уже поняли что в электронике ВЫ хорошо разбираетесь.

Удачных реализаций!!!