Самодельный передатчик (часть 2)
Ксттаи вот они:
rcproject.narod.ru/rfch/rfch.htm
Свои модули да же не продают готовыми, я уже не говорю о схемах и прошивках. Так что это не вариант.
Ксттаи вот они:
rcproject.narod.ru/rfch/rfch.htmСвои модули да же не продают готовыми, я уже не говорю о схемах и прошивках. Так что это не вариант.
Ну в ветке, на что ссылка постом выше - есть прошивка с исходником, правда первой, пробной версии, без обратного канала, без прыжков по частоте, но рабочая. Начать есть с чего… Не все так сложно.
Да и в случае с 40 мгц - для настройки контуров достаточно индикатора напряженности поля (стрелочный тестер+диод в простейшем случае) , по постоянному току режимы у транзисторов выставить - тоже кроме тестера ничего не надо. Ну а среднюю частоту и девиацию - тут уж да, желательно хотябы осцил и рабочий приемник. Хотя, при большом желании можно и наушником обойтись.
Знания конечно нужны, будь то теоретические (с чем уже проблема почему-то) или практические (опыт - мудрость дураков. От части - верно 😃 ). А вобще не так все сложно. Вон народ конверторы на спутниковые тарелки на коленке делал, ничего, работали. Из приборов только свч диод с иголкой и куском коаксиала. 😃
О, разговр про цифру зашел…
Хотелось бы услышать мнение по поводу такой реализации:
www.rcgroups.com/forums/showthread.php?t=801036
интересные такие модули вроде как, и с процом на борту, прям Single-chip RC-system 😃
Почитав тему почти с первой страницы, решил спросить:
- а можна чтоб термометр и тахометр появлались какбы на чистом екране путем переклучения отдельным тумблером режима меню (например: стандарт/вспомогательные програмы). Как на меня, ето былоб намного удобней!
- добавить такую вещь как сервотестер и монитор батареи приемника
Спасибо!
2 msv, еще фичу придумал, если будет место в прошивке, может общее время полетов добавить, согласно таймера который отсчитал время налета кадого самолета? (т.е. обще время таймера данной модели)
Для ДВСников это было бы актуально (наработка движка), да и вообще прикольно бы знать время налета каждой модельки…😉
Монитор батареи приемника и серво тестер- это уж перебор, может еще и измеритель скорости ветра?😉
ето только предложения, а измеритель ветра точно лишнее!
А так все под рукой, можно оперативнинько все проверить! Хотя память в атмеги не резиновая!
ПС: ети “фичи” подсмотрел в микростара! зачем они там!?
Т.е. с пультом в магазин ходить сервы проверять?))
Если есть пульт, то и приемник есть, вот это и будет сервотестером, и монитор продается стоит копейки, в самоле (если ДВС) должен стоять, а если в передатчике делать, то лишние провода от передатчика и на поле пользоваться не удобно будет, проще тестер за 100 руб носить с собой…
Почитав тему почти с первой страницы, решил спросить:
- а можна чтоб термометр и тахометр появлались какбы на чистом екране путем переклучения отдельным тумблером режима меню (например: стандарт/вспомогательные програмы). Как на меня, ето былоб намного удобней!
- добавить такую вещь как сервотестер и монитор батареи приемника
Ни что там дать не нужно. Там и так всё классно! За дорма полную рабочую версию такого кодера - аналогов такого в мире нет!
2 АлександрСамара, может вы и правы, хотя для себя яб наверно сделал!
2 ubd огромное спасибо всем людям которые занимались етим кодером, и спасибо за то что ето действительно открытый проект, но предложение по улучшении никто незапрещал, вот я и предложил!
Хотя память в атмеги не резиновая!
Ну флешь процентов на 30-40 только используется. Можно считать что резиновая.
Обзавелся dx7 для пределки (спасибо Aleksey_Gorelikov). Очень хочется прикрутить родной индикатор.
Помогите опознать его, ну или направте где копать.
Шлейф о 21 жилке. Надписей на индикаторе никаких. 12 ножек седят на кондесаторах; такое ощущение, что они больше никуда не подключены. 5 лапок (их четко прозвонил) - идут на выходы инвертора 74lv07 (6 элементов).
Есть идеи? И с какой стороны у индикаторов отсчет лап ведется?
Я наверное совсем спать хотел.
Шлейф 20 жилок. Обвязка - конденсаторы питания внутреннего преобразователя.
Судя по размерам и обвязке это что то типа HDG12864F-1.
Маркировка там есть, правда заводская и непонятная. Смотреть саму стекляшку, при ярком освещении, желательно с лупой.
Самое оптимальное - разобраться в протоколе. При помощи вот такой штуки к примеру: kazus.ru/forums/showthread.php?t=13724 Искать инфу по нему - кажется бесполезно.
А нет ли у кого-нибудь схемы кодера (любого из вариантов) в Протеусе? А платы, разведенной в нем же? А если есть - не поделитесь ли? 😒
Дык фокус выкладывал проект в протеусе. Была ли плата - не помню, а собственно что там разводить то? Кроме кренки и кварца с процом - больше ничего и нет.
С одной стороны оно как бы и да, а с другой - одних только конденсаторов там 31 штука…
Я прилежно пролопатил все, начиная с первого поста (и все аттачи, которые относятся непосредственно к кодеру и еще живы) - для Протеуса выложены только схемы, только две (вроде как), и сделаны они только для моделирования. Плат нету вообще.
…А жаль, я крепко подсел на Протеус (за почти 10 лет то…). Да, разводить не сложно, но ведь одно дело немного подправить под свои потребности плату, про которую заранее известно, что она проверенная-рабочая, и совсем другое дело - раскладывать с нуля. Ну да разложу конечно, не вопрос.
А вот кстати, Алексей, про умершие аттачи. Я хочу применить TIC149; в посте #1679 Вы выкладывали ссылку на то, что Вы когда-то находили про подключение этих LCD. Не живая ссылка, а очень бы хотелось. Если тот файл жив, то может быть, выложите еще раз? Или, если не затруднит, пришлите его мне на мыло, пожалуйста.
rcopen.com/forum/f8/topic82797
Дисплей за такие деньги хорош, но как по мне, слабая контрастность в нем. Необходимо ставить подсветку.
Подсветка к нему тоже продается, дешевая. так что не вопрос.
Для лучшей контрастности - надо брать не “пропускание”, как TIC149, а “полупропускание” (например, TIC154, TIC218).
А вот здесь есть небольшие примеры работы на Си с этими дисплеями: www.trt.ru/products/tic/graphic.htm
А вот кстати, Алексей, про умершие аттачи. Я хочу применить TIC149; в посте #1679 Вы выкладывали ссылку на то, что Вы когда-то находили про подключение этих LCD. Не живая ссылка, а очень бы хотелось. Если тот файл жив, то может быть, выложите еще раз? Или, если не затруднит, пришлите его мне на мыло, пожалуйста.
То, что я находил - это даташит на дисплей и его контроллер. А то, что выкладывал так это: в проекте фокуса выкинуть спи и активировать софтовый и2с
"
#include <mega128.h>
#include <delay.h>
#include <stdio.h>
#include <def.c>
#include <Variables.c>
//#include <spi.h>
#asm
.equ __i2c_port=0x15 ;PORTC
.equ __sda_bit=5
.equ __scl_bit=4
#endasm
#include <graph_new.h>
#define ADC_VREF_TYPE 0x00
", подтянуть и2с к питанию, через резюки в 1-10кОм, ну и 10минутная переделка файла graph_new.lib во вложении.
Собственно ничего сверхестественного и секретного нет. Т.е. просто по быстрому прикрутил дисплей, лишь бы попробовать к коду фокуса, практически ни меняя схем и прошивок. Результат: 
Контрастность вполне достаточна, чтобы использовать дисплей без подсветки (конечно же дисплей с полуотражением). К томуже контрастность можно регулировать. В graph_new.lib : “i2c_write(45 | 0x80); // установка напряжения.” - вот тут 80 - и есть значение контрастности. Можно поставить переменную и менять ее из меню, хранить значение в епроме.
З.Ы, на фотке кажется первая прошивка msv, но не суть важно, вывод графики по смыслу такой-же.
Для лучшей контрастности - надо брать не “пропускание”, как TIC149, а “полупропускание” (например, TIC154, TIC218).
Спасибо огромное! Мой сынуля уже в “Тритон” входил, когда я ему звякнул и со 149-го на 154-й переметнулся. 😃
:)Dear Friends,
First of all I appologize not speaking russian, but I found this thread very interesting (only by using available on-line translation software); so I decided to build the ppm encoder.
My option is schema version_2 and I decided to try the 1.7 extended firmware from Denn (post#1877) for a Nokia 3410 display.
So far I have etched the pcb, soldered the Atmega128 and burned it with the firmware and required fusebits. I have hardly tried to understand how the initial calibration of the joysticks and Aref should be made, but the translations which I have obtained are very poor.😵
Can somebody help me with some brief steps on how the sticks range must be done in English?
I don’t know also what are used for the pushbuttons SA14÷SA16, maybe you can help me.😦
I have also copied a russian translation below for your help, but I’m sure is not correct.
Thank you in advance!
:)Дорогие друзья!
Прежде всего, я не говорю извинения русский, но я нашел очень интересную потока (только с помощью имеющихся на программное обеспечение перевода строки), так что я решил построить ppm Encoder.
Моя вариантом является схема version_2 и я решил попробовать расширенный 1,7 микропрограммы с Denn (пост # 1877) для Nokia 3410 дисплей.
До сих пор я травлению печатных плат, пайка ATmega128 и сожгли его микропрограммы и необходимости fusebits. Я почти не пытался понять, как первоначальной калибровки джойстиков и Ареф должно быть сделано, но перевод, который я получил очень плохие.😵
Может кто-нибудь помочь мне с некоторыми краткими шагах от того, как палки диапазона должна быть сделана на английском языке?
Я не знаю также, что используются для кнопки SA14 ÷ SA16, возможно, вы можете мне помочь.😦
Это русский перевод вышеприведенного текста, но я уверен, что это не правильно.
Заранее спасибо!
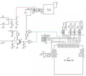
To roma9112 в схеме ВЧ модуля ошибка Т1 нарисован неправильно там NPN нарисован, а надо PNP.
To all Ну наконец и я взялся за переделку. Приехал хоббиситевский передатчик на 2,4 Ггц, в нем отдельный ВЧ модуль с входящим PPM😁. На RCGrоups давно его по косточкам разобрали, пендосы кипятком сцутся от него😁. Посему возникло несколько схематических вопросов:
- Кодер focusa-msv запитывается от 5в, ВЧ модуль моего прд. тоже от 5в. Я собираюсь в качестве силовой АКБ использовать LiPo, спрашивается- достаточно ЛИ будет 2 х баночной АКБ? Понимаю, возможно(?) придется использовать LowDrop стабилизатор(ы) , нехочется при питании от 3х банок усиливать парниковый эффект дополнительным обогревом планеты😁.
- По выводам исследователей с RCGrоups на ВЧ модуль должен подаваться сигнал с амплитудой ~3,3в, какая амплитуда у данного кодера (5в?), я так подозреваю что надо ставить резисторный делитель. отсюда вытекает следующий вопрос.
- В передатчике собираюсь оставить кастрированный тренерский разьем, т.е. только выход для сима. Как разделить сигнал на вч и тр.разьем? Эти сигналы инверсны? Если да, можно сразу с меги сигнал подать и на базу транзистора через резак, и на делитель к ВЧ модулю, не будет ли это схематической ошибкой?😃
To roma9112 в схеме ВЧ модуля ошибка Т1 нарисован неправильно там NPN нарисован, а надо PNP.
DmitryS, Он вообще то, не спрашивал про ВЧ модуль, зачем путать человека, ему и так трудно общаться…
- Кодер focusa-msv запитывается от 5в, ВЧ модуль моего прд. тоже от 5в. Я собираюсь в качестве силовой АКБ использовать LiPo, спрашивается- достаточно ЛИ будет 2х баночной АКБ? Понимаю, возможно(?) придется использовать LowDrop стабилизатор(ы) , нехочется при питании от 3х банок усиливать парниковый эффект дополнительным обогревом планеты
Я думаю будет достаточно, раз у вас ВЧ модуль от 5В питается.
Только есть одна проблема. В программе кодера не предусмотренна сигнализация по разряду батарей для двух банок Li-po. Там самый нижний диапазон по моему вольт 8,5. Так что даже при полной зарядке 2SLi-po, кодер будет пищать, что сел аккум. Нужно в программе изменить что бы сигнализация срабатывала на 6,7-7В. Темболее акки Li-po, нельзя разряжать ниже чем 2,85В.
- По выводам исследователей с RCGrоups на ВЧ модуль должен подаваться сигнал с амплитудой ~3,3в, какая амплитуда у данного кодера (5в?), я так подозреваю что надо ставить резисторный делитель. отсюда вытекает следующий вопрос.
Ну конечно 5В, у него же питание 5В, значит и выход 5В. Видимо вы не знакомы с микроконтроллерами…
- В передатчике собираюсь оставить кастрированный тренерский разьем, т.е. только выход для сима. Как разделить сигнал на вч и тр.разьем? Эти сигналы инверсны? Если да, можно сразу с меги сигнал подать и на базу транзистора через резак, и на делитель к ВЧ модулю, не будет ли это схематической ошибкой?
Вообще то там на выход тренерского разъёма, идёт инверсный РРМ, и он амплитудой 10В, хотя если симулятор настроите под амплитуду 5В, то должно работать. Сильно много вы кастрировали, оставте хотя бы ту часть которая делает амплитуду 10В, и инвертирует сигналл. Всё это нужно проверять на практике.
So far I have etched the pcb, soldered the Atmega128 and burned it with the firmware and required fusebits.
Если вам нужны точные fusebits, смотрите вложенную катринку Fuzes (PonyProg).JPG. Эти fusebits для программы PonyProg.
Я почти не пытался понять, как первоначальной калибровки джойстиков и Ареф должно быть сделано, но перевод, который я получил очень плохие.
К сожалению нет точной инструкции как делать калибровку кодера.
Рассказываю по шагово:
-
Сделайте так что бы с резисторов джойстиков, напряжение выходило окло 0,3 вольт - это в одном крайнем положении, а в другом крайнме положении, напряжение - сколько получиться.
Если это условине не совпадёт, то калибровка будет не возможна. -
Установите напряжение AREF. Напряжение AREF, должно быть немного больше, на 20 -25%, чем максимальное выходное напряжение с джойстиков.
-
Перепрошейте ATmega, и когда запуститься калибровка, подвигайте всеми ручками джойстиков во все стороны.
Всё должно получиться.
I don’t know also what are used for the pushbuttons SA14÷SA16, maybe you can help me.
Эти кнопки не используются.
Объясните мне в чем суть упрощений схемотехники типа поста 2073 (и гдето раньше еще было) по сравнению с полной схемы с 5ю транзисторами и 4066? Преимущества и недостатки?
Единую схему с термометром и тахометром (под v1.7) никто не рисовал?