Автопилот Arduplane - открытое ПО

btframework

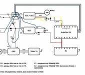
Мне кажется, зря вы двойное питание на APM подаете (с PowerModule и с RX). Я с BEC отдельного пустил (с ходовой батареи) на сервы. PM с нее же (ходовой) питает APM и RX. BEC который в ESC вообще не использую. Ну и видео батарея питает OSD, камеру и видеопередатчик. В такой конфигурации 2200 ходовой хватает на минут 25 полета (22 без проблем, 3 минуты на случай повторного захода). Видео батареи (1000) хватает на три полета.

hippp
btframework:

Мне кажется, зря вы двойное питание на APM подаете (с PowerModule и с RX). Я с BEC отдельного пустил (с ходовой батареи) на сервы. PM с нее же (ходовой) питает APM и RX. BEC который в ESC вообще не использую. Ну и видео батарея питает OSD, камеру и видеопередатчик.

К сожалению, в такой схеме нет дублирования. Выход из строя вашего единственного BEC’a приведет к аварии. Тогда как с приведенной выше схемой такого не случиться.

btframework

В приведенной выше схеме есть вероятность выгорания APM, так как при подаче питания на APM с PM одновременно питается и RX. Вы же, в свою очередь, с RX на встречу PM еще 5 вольт даете. Дублирование же, как я вижу, сделано до всех BEC/ESC.

Про мой единственный BEС вы правы. Но так как от отпахал у меня на 500ке до этого и прекрасно себя на ней показал (и сервы клинили и всяко было), то на него я полагаюсь больше, чем на ESC.

Ваша схема интересна, но если бы как-нибудь развязать питание между PM/APM/RX (чтобы оно одновременно не подавалось). то вариант отличный. Я подумываю сделать что-то типа такого на ключах (транзисторах). Если с одной стороны питание просело, переключились на питание с другой стороны. Хотя, возможно, это уже перебор. Скорее мои кривые ручонки мой пепелац грохнут, чем электроника. 😃

hippp
btframework:

В приведенной выше схеме есть вероятность выгорания APM, так как при подаче питания на APM с PM одновременно питается и RX. Вы же, в свою очередь, с RX на встречу PM еще 5 вольт даете.

В соответствии с инструкцией, при удалении джампера J1 питание платы автопилота осуществляется исключительно от повер модуля. То есть в этом случае схема питания самой платы полностью отделена от питания серв. Вы все равно думаете, что возможно сгорание платы?

btframework

Да я не про сторону серв. Я про сторону RX (входы). Н аних вы подаете +5 И +5 идет с PM

alexeykozin
btframework:

В приведенной выше схеме есть вероятность выгорания APM, так как при подаче питания на APM с PM одновременно питается и RX

а с чего это 5 вольт поданные навстречу друг другу должны чтото выжечь.

  1. в этой схеме надо точку распределения GND перенести к проводу повермодуля - у вас идет соединение gnd через точку и проводок а должно быть транзитом через одну точку
  2. питание автопилота от повермодуля задублировано транзитом через приемник от второго бека
btframework

Потому, как от разных источников питания. ESC выдаст 6, PM выдаст 5. И что потом?

alexeykozin
btframework:

Потому, как от разных источников питания. ESC выдаст 6, PM выдаст 5. И что потом?

6 вольтовый регулятор напряжения использовать для питания автопилота нельзя.
на апм 2.5 стоит защитный стабилитрон он должен сгореть в замыкание и защитить проц (в апм 2.0 стабилитронов нет, поэтому при сильных привышениях там сгорают оба проца, преобразователь уровней и микруха переключатель serial - проверено на практике)
повермодуль выдает 5,3 вольта напруга от него проходит через диод на плате и предохранитель, если напряжение на автопилоте превысит 5,3 то диод закроется и повермодуль будет работать вхолостую.

btframework

Да я в курсе, что нельзя. Это как пример. Я в схеме не копался, просто высказал предположение. По-моему, от разных источников питать APM не есть гуд. Нужно либо переключатель делать либо еще что думать. А так - хозяин барин.

kaveg
hippp:

Вы все равно думаете, что возможно сгорание платы?

а вот я думаю что насчитал ажно три граундлупа… непомн. как оно правильно зовётся… но когда по земле есть кольца это провоцирует электронику шуметь…земля должна быть одна, но надежная, резервировать ее плёха.

alexeykozin
kaveg:

а вот я думаю что насчитал ажно три граундлупа… непомн. как оно правильно зовётся… но когда по земле есть кольца это провоцирует электронику шуметь…земля должна быть одна, но надежная, резервировать ее плёха.

теоретически если сделать точкой распределения GND то место где спаяны толстые черные провода на повермодуле то петли будут минимизированы

hippp
alexeykozin:

теоретически если сделать точкой распределения GND то место где спаяны толстые черные провода на повермодуле то петли будут минимизированы

Не могли бы вы исправить предложенную схему. Будет более понятно. Заранее огромное спасибо.

kaveg

отрежте GND в сигнальном проводе с регулятора, отрежте землю между BEC и приемником

а далее както доставьте землюк сервам из точки P1 к сервам

разумеется земля серв не должна кантоктировать с землей ардупайлота

ну и ещё на схеме там не понятно … но конденсаторы шунтирующие C1 и С2 как минимум максимально близкко к устройству (OSD и приемнику) и для надежносьти раз уж делаете то заместо каждого паралельно два, один керамический небольшой емкости типа 0.1мкф и один электролит на побольше от крадковременных просадок… кеаамика будет гасить высокочастотный серв\мотора\итд электролит будет прятать пусковые токи и просадку серв\мотора

вот както так, ещё порвать землю либо с повермодуля на ардупайлот либо с бека на приемыш, оставить ту что толще чтобы сервам хватило.

ну и провод 5в между приемником и ардупайлотом почикать

alexeykozin


нарисовал отвратно, все провода которые идут в точку нарисованы отдельно, так и надо делать отдельно прямо до точки.
нарисовал оптопару, если регуль “опто” то ее ненадо

сервы питать от отдельного юбека

hippp
alexeykozin:

нарисовал оптопару, если регуль “опто” то ее ненадо

Как на практике можно сделать оптопару? Можно ли купить ее за вменяемые деньги как отдельный элемент?

alexeykozin:

сервы питать от отдельного юбека

Т.е. сейчас в вашем варианте схемы основной BEC не питает сервы. Нужно добавлять еще один (всего получится три BEC’a)?

alexeykozin

сервы питают от бека регулятора только на мелких моделях,
в тяжелых моделях где питание серв 7,4 вольта а потребляемый ток под 10 ампер ставят специальные мощные беки для серв (или специальные “повермодули”)

еще один довод не использовать напряжение с регулятора оборотов - если регулятор оборотов перегревается - питание бывает вырубается если в этой ситуации остаться без тяги мотора - модель можно спасти, если без питания серв - то маловероятно

kaveg

к стати седня получил посылочку от рцтаймера…от дайдронцев получил раньше ибо федекс, выводы ни в пользу никого все молодцы но:

  1. про дайдронцев - повермодуль, красивая коробочка для платки, скальпелем вырезаные дырочки на патче жпс, непропаяный сдвигатель уровней с 5в меги на 3.3. датчиков исправил но сложно 350 градусов воздуха на выходе воздухопояльнека не помогло отпаять некросхемку)), забыли положить второй радиомодуль телеметрии(исправили) , термоусадка радиомодуля который был в перворй итерации была не осажена…
  2. про китайцев - в дешовокомплект повермодуль не входит, как и коробочка… дырачки от скальпеля на антенне жпс также имеются))) , пропайку пока не проверял, но у дайдронсев судя по всему безсвинцовый припой радиомодули все в комплекте но без термоусадки)))

СУБЪЕКТИВНОЕ МНЕНИЕ: дайдронцам за их цену неплохо бы усилить контроль качества… как доставки так и железок которые доставляют)))… но в целом пока ототвсюду плюс)))

HATUUL
kaveg:

дырачки от скальпеля на антенне жпс также имеются

Это где?

Alex1969

не в курсе почему не работает сайт рцтаймер, не могу зайти к ним на сайт , пишут
Not Found

The requested document was not found on this server.
Web Server at rctimer.com

alexeykozin
HATUUL:

Это где?

скорее всего имеются ввиду насечки которые наносят при настройке антенны

carbik
Alex1969:

не в курсе почему не работает сайт рцтаймер, не могу зайти к ним на сайт , пишут
Not Found

The requested document was not found on this server.
Web Server at rctimer.com

HobbyKing тоже не фурычит. Что-то там массовое.

hippp
Alex1969:

не в курсе почему не работает сайт рцтаймер, не могу зайти к ним на сайт , пишут
Not Found
The requested document was not found on this server.
Web Server at rctimer.com

Нет, сайт работает. Не работает только верхний фрейм страниц. Поэтому Internet Explorer сразу отваливается, а Opera нормально открывает страницы, правда, без этой верхней узкой полоски.

carbik

В яндекс-браузере у меня нормально открывается.

kaveg
alexeykozin:

скорее всего имеются ввиду насечки которые наносят при настройке антенны

они самые)))

KBV
alexeykozin:

еще один довод не использовать напряжение с регулятора оборотов - если регулятор оборотов перегревается - питание бывает вырубается если в этой ситуации остаться без тяги мотора - модель можно спасти, если без питания серв - то маловероятно

Есть интересный вариант не бортового акка, а аварийного- очень малой емкости (~300-500мач) на случай отказа. Без мотора все равно никто никуда не полетит, а аварийный служит для питания борта в течении тех 10 минут, пока борт садится.