мощный модуль на 2.4ггц с bevrc

crand
AlcoNaft43:

Имея турнигу9 как бы футабовский модуль не в тему. Мне ж передатчик нужен, куда мне два их приемника девать то тогда ? 😃 Ладно, подождем “их маму”, что скажут.

А выносным не хотите сделать? Я к турнигу9 подключил на 3-х метровом проводе. Пока только облетывал носитель. Монтаж камеры и телеметрии только вчера закончил. Но модуль прекрасно ставиться на капот, а в дальнейшем планирую на крышу (если в машине сидеть).

CaSpeR=
crand:

А выносным не хотите сделать? Я к турнигу9 подключил на 3-х метровом проводе. Пока только облетывал носитель. Монтаж камеры и телеметрии только вчера закончил. Но модуль прекрасно ставиться на капот, а в дальнейшем планирую на крышу (если в машине сидеть).

т.е. футабовский подключается без проблем, только в штатное место не встает?

crand

Я вскрыл модуль, подпаял провода, на передатчике поставил тумблер и разъем. Теперь в одном положении тумблера у меня работае встроенный модуль Corona (он впаян внутри корпуса), а в другом положении снимается с Coronы напряжение и подается PPM и +12 вольт на разъем, к которому я подключаю кабель с выносного модуля. А сам модуль находится на кубике пенопласта, к которому снизу прикреплены 2 магнита.

BigDaddy
AlcoNaft43:

…найти бы где то убитый JR модуль, выкинуть внутренности, и из него сделать “адаптер”, мысль?

Можно купить готовый корпус для ВЧ-модуля JR: www.espritmodel.com/index.asp?PageAction=VIEWPROD&…
Антенну вынуть и кабель вывести через это отверстие.
Я такую коробочку уже приспособил себе.

leprud
BigDaddy:

Можно купить готовый корпус для ВЧ-модуля JR

Это очень дорого!


Берется (в москве) тут .
(зарубежом тоже продают, цена примерно такая же)
В комплекте к корпусу получаем полусъемную антенну и пару плат, на одной из которых есть годная 7805 и кнопка! 😃

Catsw
CaSpeR=:

т.е. футабовский подключается без проблем, только в штатное место не встает?

Ага!!! Как я раньше уже говорил, полярность ППМ для него НЕ важна, только сам ППМ, + питания и земля (общая для модуля и пульта).

hemmitino

у меня жр-ский…жив пока не смотря ни на что…полярность ппм не важна…НО уровня ппм с жирика и спектрума НЭ ХВАТАЕТ!!!а с турниги9 хватает!!!спасибо китайцам!!!протянул с турниги тренерского ппм ,питание взял с отдельной 3 баночной липы…все…пока отлично летаем…надеюсь скоро умные люди сваяют мне схемку усиления жириковского ппм-а…обидно - купить распонтованный пульт за 600уя а летать далеко на китайце за 50уе.

sinka134
hemmitino:

НО уровня ппм с жирика и спектрума НЭ ХВАТАЕТ!!!а с турниги9 хватает!!!спасибо китайцам!!!протянул с турниги тренерского ппм ,питание взял с отдельной 3 баночной липы…все…пока отлично летаем…надеюсь скоро умные люди сваяют мне схемку усиления жириковского ппм-а…обидно - купить распонтованный пульт за 600уя а летать далеко на китайце за 50уе.

ППМ JR-Spektrum вроде 1.35 вольт. Нужно 5.

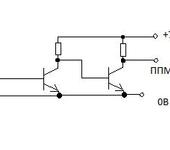
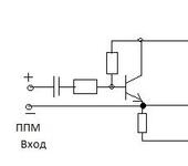
Я в свое время для похожей задачи делал по такой схеме (Картинка слева). Плохо то что нулевой провод разный у входа и выхода, нажно отдельный акк ставить. Но работало как часы.

Намного лучше сделать по-другому. В этом случае можно питаться от акка пульта (Картинка справа).

Хотя, если для модуля беврц не важна полярность, достаточно половины второй схемы.

hemmitino

плиз значения резисторов в студию!!!😃 какой тр-р и емкость??? нету рядом осцилографа…тяжело самому колхозить…

Catsw
hemmitino:

плиз значения резисторов в студию!!! какой тр-р и емкость??? нету рядом осцилографа…тяжело самому колхозить…

возьмите обычную 561ю микруху в виде инвертора - и будет вам счастье 😃 (561ЛН1 например)

sinka134
hemmitino:

плиз значения резисторов в студию!!! какой тр-р и емкость??? нету рядом осцилографа…тяжело самому колхозить…

Да я… Если честно взял оставшуются от китайской РУ машинки электронику, там транзисторы были не SMD, а полноценные, с маркировкой. ПО маркировке нашел из них первый попавшийся NPN транзистор. И пустил в дело. Резисторы поставил также подбором. Сейчас узнать не представляется возможным, так как залил всю схему клеем для недежности.
Да там все резисторы 1к-10к, разницы мало в такой схеме. Если будете делать по второй схеме, то 1к будет нормально. Транзисторы любые маломощные NPN.

А емкость (1 мкФ) в первой схеме вообще можно исключить. Как потом оказалось она уже есть в выходе ППМ тренерского разъема спектрума.

Catsw
hemmitino:

и ей хватит 1.3в???

А что мешает её черед один-два диода запитать ??? 😃 рабочее у неё от 3х вольт…

В общем - как кому нравится, так и делают, от транзисторов до микрух 😃 Кому что ближе 😃

П.С. “Наорал” (через других) на БЕРЦев - тут же отозвались и вышли на связь 😃 Но, как и написано на их сайте, все в загуле до 10 февраля примерно, так что если заказывать - то буквально сегодня/завтра, или лучше подождать…

Лёшич
Catsw:

П.С. “Наорал” (через других) на БЕРЦев - тут же отозвались и вышли на связь

Тоже пообщался с ними по поводу проё…го приёмника. Уже трек дали.

З.Ы. А так хочется нормального сервиса, без “пинковой тяги”.

Catsw
Лёшич:

Тоже пообщался с ними по поводу проё…го приёмника. Уже трек дали.

😃

Лёшич:

З.Ы. А так хочется нормального сервиса, без “пинковой тяги”.

А что делать??? 😦 Вариантов у нас нет… Хотя бы то, что они высылают от 200 бобров бесплатно - это уже ОГРОМНЫЙ плюс, пытался я что с Лидера, что с ХК заказать планер - у лидера планер 98 а доставка 270 !!!, у ХК вообще сказали, что доставить не могут. Так что спасибо БЕРЦам хотя бы за Скайволкеров с бесплатной доставкой, и за поддержание, хоть и кривое, гарантии, и за ассортимент девайсов для ФПВ, который фиг найдёшь на других сайтах…
Как то осенью заказал в Европе (испанцы, если мне память не изменяет - подробнее на сайте Игла можно найти ссылку) наземную станцию - т.е. 2 сервы с железяками для пан-тилта ОрлоГлаза - 180 ЕВРО, пару недель тишины, потом выслали, когда прошло - просто слов не было - настолько всё кривое, что даже в горизонте не могло держать антенну… просто ужас, если бы я знал - да за 100 евро на базаре мне бы и выпилили, и сделали намного качественней. Так что БЕРЦ ещё не самый плохой сайт для нашего хобби…

NVS
Лёшич:

Тоже пообщался с ними по поводу проё…го приёмника. Уже трек дали.

А я не могу достучаться.
Вроде берц написал, что отправит приемник, а потом пять дней тишины… письма как будто в пустоту уходят…
Еще праздники эти китайские…реально напрягает… (((
Уже не знаю что и делать…

hemmitino

победил я низкий ппм с жирика…😃 с транзистором никак не выходило…с 561лн1 вышло!!😃 что интерессно-каналы поменялись местами!!!
с микрухой можно легко и сигнал инвертировать ,т.е получить нормальный…и так итак пробовал…все ок… и с инверсным сигналом все работает!!!

Catsw
NVS:

А я не могу достучаться.
Вроде берц написал, что отправит приемник, а потом пять дней тишины… письма как будто в пустоту уходят…
Еще праздники эти китайские…реально напрягает… (((

У них там всё стоит в эти дни, даже посылки на почте, так что мало толка, если прямо сейчас отравят… У меня там от момента отгрузки (18/1) до вылета 28/1 - ровно 10 дней, при “норме” - 2…3 дня… Ждать, другого не дано 😦

hemmitino:

и с инверсным сигналом все работает!!!

Да пофиг ему полярность, давно писал… И я сам люблю больше логикой уровни доводить, чем транзисторами - всё таки они аналоговые, несмотря на режим 😃

Фарлеп

ВЧ Футабовский или ЖР подружил с ЖР9303?

hemmitino:

что интерессно-каналы поменялись местами!!!

И в каком порядке теперь каналы?

hemmitino:

с 561лн1 вышло!!

Игорь, выложи схему усилителя - преобразователя РРМ сигнала.
Ну конечно если это не коммерческая тайна.

hemmitino

модуль у меня жр…аппа жр95
странно…поработала 5 мин…потом файлсейф появился…надо что то дорабатывать…😦
питаю схему от 5в кренки с 3 банок, 12в…на модуль идет 12в напрямую…
т.к. элемент срабатывает при привышении напряжения на входе больше половины питающего-поставил пару резисторов одинаковых, что было под рукой (600ом)…делитель напряжения,т.е половина напруги на вход элемента идет постоянно и напруга 1.3 в с жирика добавляется к нему …естественно земляной провод жирика не подключен к земляному схемы…
сижу мозгую…надо наверно еще на вход элемента диод залудить…

Catsw
hemmitino:

сижу мозгую…надо наверно еще на вход элемента диод залудить…

Надо изначально делать на том, что для этого предназначено, ну там компаратор какой поставить, К554СА3А например, или операционник. Хотя я слабо верю, что в жр95 нет ППМа ТТЛ уровня… Ну должен он там быть 😃

Для вашего варианта решения можно только посоветовать объединить земли, выкинуть резисторы, но запитать ЛН1ю (кстати, ЛН2я всё таки чуть лучше для этой цели 😃 ) через 1…2…3 диода, исходя из правила - чем меньше диодов - тем лучше 😃. Кол-во диодов подобрать по вкусу опытным путём до стабильного определения ЛН1 лог “0” и "1"цы…

Курим мануалы по 561й серии:
-----------сьел хомяк-------------
ТТЛ-, ТТЛШ-СХЕМЫ
При согласовании данных семейств с КМОП-схемами возникают два вопроса. Во-первых, достаточно ли напряжения уровня логической единицы биполярных семейств для непосредственного управления КМОП-схемами? ТТЛ- и ТТЛШ-схемы вполне способны управлять КМОП-схемами серии 74HCXX напрямую без дополнительных “подтягивающих” резисторов. Однако, КМОП-схемами серии CD4000 (К561, КР1561) они управлять не способны, поскольку характеристики последних не гарантируют работоспособность в случае непосредственного подключения без подтягивающих резисторов.
-----------сьел хомяк-------------

Делаем вывод, что результата можно попробовать добиться включением подтягивающего резистора на + Vcc и выход ППМа из аппы, главное - не занизить сопротивление резистора ниже нагрузочной способности выхода по “0”. И как мы видим, применение 561 серии без подтягивающих резисторов не даёт гарантии работоспособности схемы.

Резюмируем - 100% результат даст:
1-е нахождение ППМ ТТЛ уровня в аппе.
2-е использование ЛМ или вышеупомянутого компаратора.

Или можем получить вполне работоспособную схему при подборе уровней, но нужно правильно всё обдумать/рассчитать.