Как заставить работать двигатель шд5

Pavelrb

Я пошел таким путем- за основу взял схему с этого форума. Недостаток ее- коммутация 1-12…. Для шд5 рекомендуется 12-123….
Элементы R1 R2 C1 C2 на мой взгляд лишние, но я их оставил, убрать недолго.
Дабы получить коммутацию 12-123…, я пошел самым простым путем- собрал матрицу на диодах. Если применить метод, как на родной схеме, то для получения закона коммутации 12-123 понадобились бы элементы 5и-не( 5 входов) в количестве 6 корпусов.
Недостаток, конечно- на 12-123 нужно 30 диодов, 90 на 3 оси, но эти 90 штук стоят максимум бакса 3, да и плата разводится элементарно- за дешифратором диоды ставятся в 6 верт. Рядов, аноды сверху соединяются 6 пров. Перемычками. Макс. Простота.
На скане нарисовал кусок платы для понимания принципа. Достоинства, нелостатки- как у всех схем с резист. Форсировкой.
На скане полностью показано подкл. Диодов к первому каналу, к остадлным –частично для 12-123. В лом 30 диодов рисовать. И еще что- если добавить 12 диодов, можно получить комм. 123-1234, про кот. Пишут, что на 60% повышает крут. Момент. И нагрев, правда, тоже.
шим, конечно, в разы лучше.

VD46

[quote=Pavelrb;764754]
Надо было просто вместо 1554ЛА4 поставить 555ЛИ4, если без подтяжки 1554ЛИ3.

KAnd

Если умеете обращаться с однокристалками класса MEGA8, могу поделиться исходником на языке С - делает все тоже самое, что вы пытаетесь реализовать на жесткой логике. Схемы как таковой нет, из деталей - однокристалка с кварцем и силовая часть на транзисторах IRL640. Подключение однокристалки можно понять из прошивки. В целом все работает, из замеченных глюков - несколько криво но весьма действенно реализован режим снижения тока в паузах, а также включать однокристалку надо раньше включения управляющего компа (обнаружено экспериментально, может только у меня так?).

Pavelrb

фигня какая-то- вместо окна вложения файлов надпись “инициализация системы”… обновлял раз 10…

KAnd

Исходник прошивки однокристалки, пишется за час.
Буду рад всем комментариям/предложениям по модификации.

v3.zip

Pavelrb

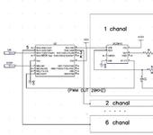
на работе валяются старые советские привода БУШ-1 для шд5 образца 80-х. принцип- на каждую фазу 2 ключа- низкого 6в напр и высокого-120 вольт. при коммутации вкл. ключ низкого и на 500 мкс высокого, 120 вольт, напряжения. возможно, на совр. базе удалось бы сделать сто-то хорошее…
фото- вид, платы- плата ключей, одна из шести, плата формирования 12-123…, 2 скана с характеристиками, схема ключей

Pavelrb

на совр. базе- использовать pic для форм. 12-123, а ключи сделать таким образом- на полевиках, а источник питания запитывает их через пару диодов, через один 6 вольт, а через второй диод, через полевик, дает прикурить вольт 100 на 500 мкс. при каждом сигнале шаг. проще в разы шима, да и характеристики у привода неплохие вроде.
по поводу схем с резист. форсировкой- управление, конечно, лучше делать на pic. я вот им не владею…
и еще схема форм. из этого привода 12-123…
Советский Союз…
15 корпусов…
хотя на логике особо меньше и не сделаешь.
к Блик 2 вопрос- что за токарничек на шд5? интересно фото посмотреть.

Soling

Я бы посоветовал не мучится а заменить этот двигун на нормальный. Ничего хорошего в нем нет.

Практик
Soling:

Я бы посоветовал не мучится а заменить этот двигун на нормальный. Ничего хорошего в нем нет.

А действительно почему? А то собрался его применять…

Soling

Шесть фаз - сплошная экзотика. Ни один стандартный контроллер с ним работать не будет.
Момент 0.14 Н/М. - есть ли из за чего мучиться?
😃

1 month later
Pavelrb

дополнение к схеме на диодах- если входы выходной имс инвертора подпереть резисторами килоом-полтора к 5 вольт, схема работает более стабильно. столкнулся при отладке 3-й платы. на предыдущих двух такого эффекта не было. единственное отличие- в этой плате стоит 155лн5, в предыдущих- лн2. но все же лучше подпереть.

2 months later
Pavelrb

несколько слов о приводе для шд5 с резистивной форсировкой, неважно, по какой именно схеме, если кто решит делать.
достоинство схем к зтому мотору с резист. форсировкой- простота.
все остальное-недостатки.
в первую очередь- энергопотребление.
допустим, будем придерживаться режимов, указанных в паспорте на мотор.
напряжение 48 вольт, ток 3 ампера.
это не значит, что на мотор можно подать 48 вольт. он тогда дымом сразу пойдет.
это значит, что при напряжении 48 вольт добавочное сопротивление на каждую фазу движка должно быть таким, чтобы ток через
эту фазу
составлял 3 ампера.то есть около 15 ом, около ома сопр. движка
к шд 5 реком. порядок переключения фаз 12-123, то есть в любой момент времени включены либо 2, либо 3 обмотки.
при этом потребление по каждой фазе составляет 3*48= 144 вт, либо по максимуму по 3 одновременно включенным 3*144=432вт,
при 3 осях 432*3=1296 вт.
на каждом из резисторов при этом выделяется 135 вт.
то есть за детский привод платим взрослым бп.
по резисторам.
такие резисторы стоят денежку(150 вт)
и надо их много.
лучше сделать так- берем нихром, сами вьем спирали.
если кто не знает, делается это просто- проволоку пропускаем чекрез 2 дощечки, зажатые в тисках, конец ее фиксируем в металл. ручке
диаметорм чуть меньше будущей спирали, и крутим эту ручку…
полученный спирали объединяем в 3 кассеты(если 3 оси), в каждой по 6 резисторов.
кассеты составляем вместе, перед ними ставим кулер, чтобы гнал через них воздух.
получается хорошая печка.
по стабилитронам.
стабилитроны греются в зависимости от скорости, при малой холодные, при большой очень сильно.
если без радиатора, провода отпаиваются.
напряжение и количество подбираются по принципу- суммарно напряжение стабилимзации + напр. питания меньше пробивного напр.
транзистора.
я сделал так- поставил 3 группы стабилитронов, в каждой по 6 штук параллельно, эти группы между собой последовательно.
стабилитроны в группы подобрал по близким параметрам.
всю эту ботву поставил на общий радиатор через слюду.
катоды гасящих диодов всех 3 осей соединил вместе и подключил к стабилитронам.
взаимных помех не наблюдается.
если коммутация 1-12…, можно обойтись 3 резисторами на ось.
главное, чтобы через один резистор не тек ток сразу двух обмоток.
на фотках эти моменты видно.

17 days later
Mechanic

Я тут просмотрел тему, довольно часто спрашивают про схему управления ШД5. Многие начинающие делают схему с резисторной форсировкой, греют помещение! В прошлом году мне тоже попался на глаза такой двигатель и я сделал простейшую схему с ШИМ регулированием с применением PIC16F628. Схема вполне работоспособна,обеспечивает требуемый ток фаз - 3А на фазу, стабильный момент, работет в шаге и полушаге, греется не сильно. Однако обладает несколькими серьезными недостатками - малая частота шаговых импульсов и наличие резонансных зон. Схема устойчиво работает где то до 2500 шаговых импульсов. Это обусловлено шутнированием обмотки диодами - то есть нет быстрого спада тока. В резонансных зонах появляется значительный шум, который снижется демпферированием но не до конца. Из-за этих недостатков откзалася от дальнейших экспериментов со схемой и подумал что лучше перейти на микрошаг с мостовым управлением обмоткками. Но пока еще эту идею не реализовал. Есть несколько интересных наметок. Для начинающих могу предложить легко реализуемый вариант. Можно использовать любой микроконтроллер который может генерировать тактовую частоту 15К-30К и шесть дешовых распространеных микросхем драйверов питания - UC3843. Автоматически обеспечивается нужный ток фаз, защита от короткого, необходимый ток управления затвора полевого транзистора и т.д. То есть сжечь транзисторы практически невозможно! Так как схему делал давно прилагаю только блок схему. Программка для котроллера пишется за полчаса. Необходимо только помнить что лог 1 это выклчено, а “0” - включено. Будут вопросы пишите!

19 days later
Drey

По какой формуле считали сопротивление R3 а то у меня никак 3А не получается (в даташите пишут что он получается делением 1В на Rs (R3 в вашей схеме)) и в каких оно единицах указано

Mechanic

Да, действительно неправильно указал сопротивление. Вытащил из загашника старую плату и посмотрел. В реально заработавшем устройстве R3 = 0,22 ом, было подобрано экспериментально. Тестером измерял ток по питанию. При двух включенных фазах ток = 6,5А. Выкладываю фотку устройства. Кстати, устройство можно построить и без микроконтроллера. Достаточно любого генератора формирующего короткие импульсы для синхронизации UC3843. Микроконтроллер был применен для упрощения схемы управления и для того чтобы в режиме стоянки снизить ток удержания. Для этого вместо коротких импульсов достаточно на вход синхронизации подать более широкие импульсы. И еще. Данное устройство было также использовано для управления не только 6 фазным но и 4 фазным биполярным ШД путем замены прошивки. Результат тот же. Нужно бороться со спадом тока. Лушие результаты были достигнуты путем применения более высоковольтных транзисторов типа IRF520-540 и паралельно обмотке стоял диод и стабилитрон. Шаговая частота при этом достигала 5000 импульсов в сек.

Drey

А какими диодами шунтировали обмотки?

Mechanic

Самая греющаяся деталь в данной схеме - это шунтирующие диоды. Диоды взял из блока питания монитора.Пробовал разные диоды, в том числе и советские импульсные кд213. Все работают. Главное чтобы держали импульсный ток до 5 ампер. Меньше всего греются диоды с малым временем обратного восстановления.
Но когда применил диод в связке со стабилитроном нагрев диодов существенно уменьшился. Греться начали стабилитроны!

mura
Mechanic:

Да, действительно неправильно указал сопротивление. Вытащил из загашника старую плату и посмотрел. В реально заработавшем устройстве R3 = 0,22 ом, было подобрано экспериментально. Тестером измерял ток по питанию. При двух включенных фазах ток = 6,5А. Выкладываю фотку устройства.

вообще идея интересная, но 5 А на фазу для ШД5 явно перебор.

Vref = 1V
I = Vref / R

Это из доки, резистор нуна 0.33

P.S. Ток при шиме надо мерять осцилом на шунте, тестером по питанию - это температура на Луне получится.

Mechanic

Постоянный ток фазы, согласно паспорта на шд5 3А с гаком, при двух включенных фазах соответсвенно 6А.
В ШИМ режиме запитка фаз осуществляется импульсным током и не составляет 100% - примерно 70% включено и 30% выключено. следовательно необходимо увеличить имульсный ток на 30%. Таким образом, получаем 3*1,3=3,9A
Vref =1V I=Vref/R ==> R=Vref/I ==> 1/3,9=0,25 Ом ближайший номинал 0,22

Кстати есть статья на purelogic “Метод рассчета рабочего тока обмотки и выбор источника питания”. Там мои прикидки отчасти подтверждаются.
www.purelogic.ru/PDF/DOCs/Current_PS_SM.pdf