Проблема с передатчиком - малая мощность

dollop

Возникла проблема с абсолютно новым (Куплен на Н.Г. но пролежал все это время в коробке) x-twin Sports Flyer. Сам самолет отличный, планирует и летает очень хорошо (малой мой очень рад), но дальность действия аппаратуры у этого конкретного экземпляра составляет, как оказалось, 10-15 метров. Жуть.
Как выяснилось - виноват передатчик. Проверил следующим образом. Взял передатчик от другого похожего самолета (тоже silverlit) и при помощи простейшего волномера померял мощность излучения. Она оказалась выше раз в 5-7 по-сравнению с проблемным.
Подскажите пожалуйста, что покрутить, чтобы мощность излучения и, соответственно, дальность была приемлемой?

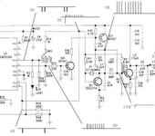
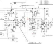
Схема прилагается.

ubd

Там уже нечего крутить. На выходе транзистор 8050, он слишком слабый. Это не от того что он лежал без использования, это просто такой слабый передатчик с завода. Нужен ещё один каскад усиления делать. Если есть достаточно знаний, в радиотехнике, и есть опыт в изготовлении передатчиков, то сможешь сделать. Схем в инете по увеличению мощности передаичка на 27 мгц - море. Ищи в гугле усилитель мощности для CB (Си-Би) диапазона. Мощность тебе нужно не менее 0,6 Вт.
Если нет, нужных знаний и опыта, то можешь и не браться. Проще аппаратуру сменить.
Тут на форуме уже с этой проблемой писали. У него такая же китайская игрушка, но автомобиль. Там человек мало представлял что такое транзистор, по этому помучавшись, позадовав глупых вопросов, купил самую простую аппаратуру на 40 мгц, и всё, теперь не парится.

dollop

Тю, так я ж написал выше, что есть аналогичный самолет (более ранняя версия). Там стоит точно такой же выходной каскад. При этом дальность связи составляет метров 100. Сейчас сижу их сравниваю. Осцылом тыкаю
При мощности 0,6Вт будет наверное неплохо ловиться сигнал на довольно большом расстоянии 😛, но я этот самолет не увижу (с сожалению). Максимальное расстояние с которого его можно рассмотреть - метров 30-40 не больше (у него размах 30см)
Тем более, что это довольно популярная игрушка, на рцгрупс не одна сотня страниц про нее написана, и прекрасно летает без всяких доработок (выходного каскада уж точно). И ясен перец не от времени ей стало худо. Это называется заводской брак 😦.

goldline
dollop:

Т
Это называется заводской брак 😦.

Добрый вечер.
Скорее всего неправильно настроены или в обрыве выходные цепи (емкости и контура), но может и транзистор быть дохлым или не тот поставили:)

dollop

Выходной транзистор точно тот 😁 и точно целый, пока 😈
Нашел отличие (очень большое) между работающим и плохоработающим передатчиком.
На базе Q2
у нормального импульсы отрицательные
у фигового импульсы положительные и с амплитудой в три раза меньшей. Кроме того, имеется некий отрицательный выброс в самом начале пачки, амплитудой в 10 раз превышающий импульсы

З.Ы. все индуктивности выполнены в виде дросселей, кроме L3. К стати в ней нет сердечника. (в нормальном передатчике - есть. но это делу не помогает вовсе - проверял)

Boroda-msk

Ежели оба передатчика по одной схеме, то проблема скорее всего в настройке (согласовании) выхода с антенной (L3 в П контуре и L4 - удлинительная катушка антенны)… Ну еще может не совсем корректно выставлено напряжение на базе Q2 (не хватает уровня сигнала для его нормального открытия или сам Q2 хилый попался)… Не думаю, что задающий на Q1 в этих передатчиках вырабатывает разный уровень сигнала…

dollop:

Нашел отличие (очень большое) между работающим и плохоработающим передатчиком. На базе Q2

Посмотри и сравни сигналы на 1 ноге U1 (те, что идут на R11 и R5)…
Ну и еще “до кучи” проверь уровни сигналов на коллекторе Q3 ( с него осуществляется импульсная запитка задающего генератора)…

dollop

Передатчики построены почти по одной схеме. В них различаются зарядники (в старом, но работающем - для никеля, а в новом - для лития - на схеме не показаны) Пока сверяю - ВЧ очень похожи. Платы разумеется разные совсем
Транзисторы Q3 менял местами - результатов не дало. Коэф усиления у них обоих за 200.
На Q1 сигналы похожи, только ВЧ на коллекторе Q1 в работающем просматриваются, а в другом передатчике - не очень

Уровни сигналов на коллекторе Q3 - совпадают - положительные импульсы без всяких неправильных всплесков, с амплитудой равной напряжению питания.
В точке соединения R11 и R5 - чудеса. В нормальном - 0В. И если очень захотеть, что можно увидеть положительные импульсы амплитудой 0,05В - короче скорее всего по питанию чего-то. В неработающем - напряжение около 3В и вот такая картинка как на рисунке. Высота импульсов 0,6В

dollop
dollop:

В точке соединения R11 и R5 - чудеса. В нормальном - 0В. И если очень захотеть, что можно увидеть положительные импульсы амплитудой 0,05В - короче скорее всего по питанию чего-то.

Ошибочка - там постоянное напряжение 1,2В, но наводки амплитудой 0,05В есть

Boroda-msk
dollop:

В точке соединения R11 и R5 - чудеса.

Зы… Надо более подробно “шустрить” по контроллеру EM55100 … Вот тут есть PDF-ка на него. Ну и за одно просмотреть что вокруг SW5…

dollop

Контроллер как контроллер. На плате выглядит как черная китайская капля. SW5 - это переключатель каналов. Всего есть три канала - A,B,C, соответственно одновременно может летать только три таких самолета. Можно менять перемычками.

Boroda-msk
dollop:

Контроллер как контроллер.

Я не про это… Смотреть в PDF параметры на сигналы (в частности ног 10, 7) и ежели замеры дают иное смотреть по схеме включения - что может на них влиять или подкорачивать…
По перемычкам - там по схеме в зависимости от номера канала идет “разный замес” на резисторы и вывод 10 контроллера. Когда измеряли на обоих передатчиках был “одинаковый замес”?

dollop

Ну параметры сигналов со всех портов контроллера стандартные - от 0 до макс напряжения питания (в данном случае до 5В). За эти рамки сигналы не выходят. По входам - уровни логики кмоп.
На передатчиках “замес” одинаковый. Сейчас попробовал поменять каналы у плохо работающего передатчика - импульсы на базе Q2 есть тлько в положении 2. Но одиночный отрицательный импульс, как на рисунке в посте 7, остается. У рабочего - “замес” на напряжения не влияает. Скорее всего изменяется передаваемый код.
Неужто выходит контроллер кривой…

Boroda-msk

Посмотри и сравни потенциалы на выводах Q4… и проверь R15 R16

dollop

Boroda-msk, спасибо вам большое за помощь. Открылась одна интересная деталь… В старом передатчике, если не вывести ручку газа из нуля, то, проц не стартует и посему импульсов не наблюдается… Это эстессно вносило некий сумбур в измерения
Значится сейчас такая ситуация… Все до ВЧ части (Q1, Q2) работает одинаково. Осциллограммы приведены ниже. Нашел разницу в номиналах - R4 в новом передатчике был 3к, после замены на 51Ом можность ВЧ сигнала увеличилась в 1,5-2 раза. Но это все-равно не то, что нужно

Boroda-msk
dollop:

Значится сейчас такая ситуация… Все до ВЧ части (Q1, Q2) работает одинаково.

ОК. Будем считать, что с формирующими цепями все в порядке.
То, что уменьшили R4 - особо не критрично и пока можно оставить так (вы просто увеличили уровень сигнала на задающем генераторе)…
Теперь надо выставить режимы Q2 по постоянному току. Для этого попробуйте поиграть делительной цепочкой R5-R3 (лучше увеличивая R5) таким образом, чтобы потенциалы (в паузах между импульсами) на его выводах примерно соответствовали тем, что и на рабочем передатчике (естественно если схемы и деталюги там одинаковые). Может потребоваться корректировка R40, но это маловероятно из-за его номинала в 1 Ом… Выходные контура пока НЕ ТРОГАЕМ…
Зы… не мешало-бы проверить еще номиналы R14…

Boroda

ВЧ часть управляется двумя цепями, одна из которых (Q3-Q4) в полном порядке. Неправильный сигнал образуется на выходе загадочного “переключателя каналов”, и что самое интересное, осциллограммы 10 ноги, снятые в разных точках схемы различны. Перемерить бы неплохо. Прозвоните обе платы на предмет соответствия схеме и наличие обрывов/замыканий. Есть подозрение, что у мощного передатчика 10 нога просто не используется.

Boroda-msk
Boroda:

Есть подозрение, что у мощного передатчика 10 нога просто не используется.

… или проц имеет другую прошивку …

dollop
Boroda-msk:

Выходные контура пока НЕ ТРОГАЕМ…

Так там нечего трогать - дросселя и катушка без сердечника 😁

Boroda

Перемерить бы неплохо. Прозвоните обе платы на предмет соответствия схеме и наличие обрывов/замыканий

Еще раз проверил (ох и тяжко там монтаж SMD 0603) выяснилось, что таки да - есть отличие. Показано красным.
Спасибо за вашу внимательность, и извините за мою невнимательность

dollop

Припаял к выводу 8 контроллера вход простейшего передатчика от машинки на р/у. Там два транзистора - задающий генератор с кварцевой стабилизацией частоты и усилитель мощности. Судя по измерителю напряженности поля мощность такая же, как и у нормально работающего передатчика. Самолет код родной распознает и пропеллерами крутит. Так что дело 100% не в процессоре передатчика, а в задающем генераторе или усилителе. Проверяю обвеску Q1 и Q2… Но на этом этапе этот передатчик совсем заглох - ничем эфир не портит…

Boroda-msk

Там у тебя на базе Q2 большое начальное смещение (0,6В)… Смотри что его создает (делитель R5, R3)… Скорее всего должно быть меньше (0,2В как в нормально работающем), чтобы Q2 работал в ключевом режиме…

dollop

Припаял переменник сопротивлением 1к вместо R3. Кручу-верчу - мощность излучения можно регулировать от 0 до того уровня как и было (в пять раз меньше, чем у нормального). Епт.😵

Boroda-msk

Меняя значение R3 ты не только меняешь постоянное смещение на базе Q2, но и уменьшаешь нагрузку для сигнала с задающего генератора (через C2)… Лучше попробовать увеличить R5…

dollop

Доброй ночи, уважаемый Boroda-msk. Еще раз хочу поблагадорить вас за помощь.
Вот что получилось у меня. Сигналы на базе Q2 стали очень похожи по форме, но что-то с уровнями… Как поднять сигнал над уровнем 0? И вообще как он мог там оказаться??? Проверил уже пять раз - он действительно ниже нуля. Я конечно понимаю, что при двуполярном питании это было бы нормально, но тут… Ниже привожу осцилограммы. Первая - проблемный, вторая - работающий

З.Ы. Разобрался… Не знаю причину спуска напряжения ниже плинтуса, но при уменьшении сопротивления R5 до значений 10-5кОм сигналы на базе транзистора в выходном каскаде становятся АБСОЛЮТНО одинаковыми.
То есть, я так понимаю, что теперь проблему нужно искать в П контуре?

Boroda

На “мощном” передатчике модулирующий сигнал приходит на Q2 через C11. А вот импульсы с переключателя выпрямляются и интегрируются найденой вами красной цепочкой. С такой ёмкостью на выходе будет практически постоянное напряжение, что вы и намерили. Получается, что 7 и 10 ноги в итоге лишь создают правильное смещение выходного транзитора. Попробуйте отпаять R5 и перенести его на внешний подстроечник, выдающий регулируемое смещение. А потом поглядывая на волномер задайте наилучший режим Q2.
P.S. А осциллограммы всё равно какие-то не такие…

набирал буквы, а проблема-то и разрешилась

dollop
Boroda:

…Получается, что 7 и 10 ноги в итоге лишь создают правильное смещение выходного транзитора. Попробуйте отпаять R5 и перенести его на внешний подстроечник, выдающий регулируемое смещение. А потом поглядывая на волномер задайте наилучший режим Q2.
P.S. А осциллограммы всё равно какие-то не такие…

Да, да. Это я уже сделал. Пришел к выводу о том, что в точку соединения R11 и R5 нужно просто подать постоянное напряжение. Это в слабом передатчике я уже сделал. Никакого влияния на кодирование сигналов процем это не оказывает (проверил при помощи другого “ВЧ модуля”, как писал выше).
R5 подстроечный стоит уже. При сопротивлении более 20 кОм - картинка на базе совсем не такая… при 5-10 - такая как в “мощном”.
Блин, уже б раз 20 собрал “ВЧ” хотя б такой www.progforum.com/attachment.php?attachmentid=124. Мне б с головой хватило бы