Путь новичка к FPV-полетам на Skywalker (нужна помощь)
Вообще, если едут летать, то в машине всегда есть аккум. Или вы на автобусе ездите до поля летать?
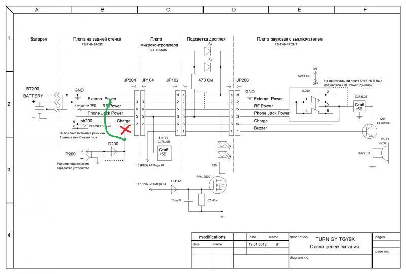
Хорошая схема, но там есть ошибочка. Видите там, перед видео-передатчиком есть DCDC преобразователь, он нужен для поддержания 12В если аккум начнёт садиться. Так вот на схема камера запитана не после него а перед. Это неправильно, её нужно запитать вместе с передатчиком что бы и она питалась стабилизированными 12В, не зависимо от того если аккум разряжен.
получил сегодня первую посылку от bevrc. они отморозки -7дней от заказа до получения в москве. Тем временем заказ с ХК только поступил на почту сингапура (заказаны одновременно).
Друзья, прошу прощения, что я такой тугодум (и что у меня 7 пятниц на неделе 😃, но у меня опять вопросы про аккумулятор для “наземной станции”.
Допустим, все-таки надо запитать Video Rx и FPV-монитор от общего LiPo-аккумулятора. Какой примерно ему следует быть емкости, и подойдет ли, скажем, такой акк, т.е. с низкой токоотдачей - 1с? Или для наземной станции нужно брать акк по типу ходового (20-25с)?
У меня на Video Rx стоит такой же. 1С Трансмитер пак. Только емкости, почти вдвое меньшей - 1400 мА.
На счет монитора не подскажу. Летаю по ноуту от бортовой сети а/м.
такой акк
У меня от такого акка и аппа питается с экспертовской LRS и приемыш lawmate и монитор 8" с bevrc. Хватает на почти два с половиной часа (до 9,9 В)
Ты все таки сделал себе комплект “три в одном”, с твоим “минимальным временем развертывания”. Как оно? Доволен?
Ну да, стойку на крышу, кабель подключил и все. Минута. Куда дольше собирать скай.
Ну да! Согласен. На сборку Ская уходит значительно больше, - одна минута и десять секунд!😉
Да правда! Открыть - закрыть дверцу и одеть 4 резинки.
😃
- Собрать крыло (вставить трубку), подкючить сервы
- Открутить морду, подключить акк, прикрутить морду.
- Дождаться приема GPS
- Сбросить гироскопы
Подольше, чем минута. 😃
У меня от такого акка и аппа питается с экспертовской LRS и приемыш lawmate и монитор 8" с bevrc. Хватает на почти два с половиной часа (до 9,9 В)
Хм… интересно! А как все это выглядит? Аккумулятор в пульте, а из него, стало быть, каким-то образом тянутся провода к монитору и видео-приемнику? Или все как-то компактно закреплено на самом пульте?
Вообще, у меня у самого уже есть такой акк, и он стоит в пульте (Turnigy 9x). Я думал взять еще один такой же (просто потому, что я имел с ним дело, и мне в свое время рекомендовали его, как достаточно неплохой), но если Вы говорите, что его одного хватит на всю наземную аппаратуру, да на целых 2 с половиной часа, то я тоже так хочу 😃
- Собрать крыло (вставить трубку), подкючить сервы
- Открутить морду, подключить акк, прикрутить морду.
- Дождаться приема GPS
- Сбросить гироскопы
А… Ну у меня немножко по другому. Могу стартануть и ровно через минуту. Питание подключается через дверь, а крыло цельное.
Хорошая схема! Спасибо!
А я вот тоже размечтался и прикинул, как совместить одно с другим:

Нормально так будет? Не будет проблем из-за того, что две антенны рядом находятся?
PS И, если можно, подскажите еще, пожалуйста, как сам акк подключить. Имеющийся в комплекте к видеоприемнику шнурок просто обрывается - не указано ни “+”, ни “-”, и от акка целых 2 провода еще свободные висят…
Разъем 1 запаять фишку подходящую к гнезду зарядке на аппе и оттуда питать (при небольшой перепайке).
(при небольшой перепайке).
Всякое упоминание о перепаивании чего-либо (особенно столь сложного, как аппаратура) вызывают у новичка страх и душевный трепет 😃 Никак нельзя без этого обойтись? Например, пристыковаться как-то к незадействованным проводам от аккумулятора? Или там ничего особо сложного в плане перепаивания?
И где фишку такую взять? Как узнать, где “+”, где “-” ?
Там минимальная перепайка, а для FPV паять придется научиться, да и к доп разъему на аккумуляторе тоже паять придется ответную часть, просто через гнездо зарядки оно технологичнее.
плюс-минус надо смотреть в инструкции на приемник.
Ну, одно дело - это к поводам от акка что-то присобачить припаять - это я условно “могу”, но пока что лезть в пульт я бы не хотел.
А инструкции по видеоаппаратуре, к сожалению, нет. Ни в посылке, ни на сайте - www.bevrc.com/bev-13g-800mw_p52.html (ну, или я не заметил, по крайней мере). И вот как теперь быть?..
пульт я бы не хотел
Блин, там паяния, разрезать дорожку и проводок припаять, одна минута.
А плюс, подозреваю, что центральный штырек.
Евгений, прошу прощения за настырность, но у меня просто нет выбора - мне понравилась ваша схема подключения, и я должен Вас расспросить, что к чему. Наберитесь, пожалуйста, терпения и расскажите уж мне до конца, что к чему.
Какую там дорожку надо перепаять? Может быть, на эту тему статья какая-то есть с картинками?
И насчет имеющегося шнурка:

Какой тут из этих проводков центральный? Как это можно новичку понять?..
Спасибо за Вашу отзывчивость! 😃 Позвольте на сегодня последнее уточнение…
Я посмотрел еще внимательно на этот горе-шнурок - обнаружил на нем небольшой брак, который, возможно, подтверждает Ваше предположение насчет полярности:

№1 правда идет будто бы к поверхности разъема - следовательно №2, наверное, идет в центр.
Итак, если я сейчас просто для проверки подключу видеоприемник вот таким образом:

Он заработает? Не сгорит, не повредит пульт, запитанный от этого же аккумулятора?