Танки 1:16 и бои на них

Xander-A
alex394:

Кстати у меня должно остатьться пару таких наборчиков металлической ходовой для Тигра, если кому интересно то в понедельник скажу точно остались или нет.

Игорь времени прошло много , но вы еще не продали жел ходовую , ОЧЕНЬ хочу купить жел катки и рычаги , гусянки и звезды есть уже.

starley:


привет, в выходные пришлось разобрать Пилотажевский “тигр” тот самый о котором говорили, кое-что сфоткал, может поможет. А днище действительно очень слабое, пришлось клеить.
попробовал фотки прикрепить, может и получится, я в этом деле пока чайник, сорри, если что.

Вы распинались о том что пилотаж “Лучше” хенга , все вранье последняя модель тигра от китайского хенга идет с железными редукторами усилиным днищем и торсионы стоят крепкие , гусянки кстати железные “PRO” Я это к тому что пока не разобрал не кричи что лучше … Крепления тоже с низу , такое ощущение что это пилотаж копию с хенга сделал.

coolvoldik
Xander-A:

Игорь времени прошло много , но вы еще не продали жел ходовую , ОЧЕНЬ хочу купить жел катки и рычаги , гусянки и звезды есть уже.

Вы распинались о том что пилотаж “Лучше” хенга , все вранье последняя модель тигра от китайского хенга идет с железными редукторами усилиным днищем и торсионы стоят крепкие , гусянки кстати железные “PRO” Я это к тому что пока не разобрал не кричи что лучше … Крепления тоже с низу , такое ощущение что это пилотаж копию с хенга сделал.

У Henga, эти крутые, железные редуктора гремят громче динамиков.
Все оси с шестернями имеют люфты, как осевые ,так и радиальные.
Железо сыромятина оцинкованная.Дайте танку нагрузку и через сто метров по пересеченке ,у вас кругляши остануться вместо шестерен. Звук из динамиков похож на скрип из унитаза. Кроме амбиций у Henga пока ничего нет.Еще пару годиков над качеством поработают, тогда посмотрим.

Tankoman=
coolvoldik:

Привет Всем!
Зарегистрировался недавно , поэтому может быть не совсем в теме.
Но кой-какой опыт эксплуотации имею.
Танки 1:16 фирмы Неng Long- , брал два танка- Тигр 3818-1 и T-3 3848-1 PRO
Тигр загнулся на третий день. Ходовая -редуктор.(провернуло пластиковую шестерню на валу).
Т-3 3848-1 PRO загнулся через неделю. Ходовая- редуктор(в метал.)
Посмотрел внимательно на шестерни, они все элипсом.
Так-же имею два танка 1:16 “Пилотаж”- Тигр 4808 и Т34 4806, хочу взять
еще Тигр 4807 . Катал с сыном во дворе, не один раз, пока замечаний нет.
И по опыту скажу- для танкового боя пропорциональное управление не нужно!
А ИК система боя на Пилотаже работает прекрасно.Тоесть можно сказать, что пилотаж -нормальный бюджетный( пусть с дискретным управлением)вариант танка.
Если выбирать танк для пилотирования (преодоление препятствий, мостиков ит.д.) то это точно- Тамия!

Не сочтите за рекламу, но уже многие вопросы были неоднократно обсуждены на параллельном форуме “ДИМ”
www.d-i-m.su/forum/showthread.php?t=1750

BlackCat_2
Tankoman=:

Не сочтите за рекламу, но уже многие вопросы были неоднократно обсуждены на параллельном форуме “ДИМ”
www.d-i-m.su/forum/showthread.php?t=1750

Вот только было бы интересно узнать - на рекламируемом ресурсе ДЕЙСТВИТЕЛЬНО рассматриваются и проводятся бои в формате Пилотажевского боя ?

Tankoman=
BlackCat_2:

Вот только было бы интересно узнать - на рекламируемом ресурсе ДЕЙСТВИТЕЛЬНО рассматриваются и проводятся бои в формате Пилотажевского боя ?

Там и не только действительно обсуждаются, но и проводятся бои… в отличие от постоянной словесной перепалки, котрую переодически затевает пресловутый “троль” 😉

Если кто-либо может устроить что-либо лучше, либо просто поучаствовать в “покатушках” ПРЕДЛАГАЙТЕ РЕАЛЬНЫЕ ВСТРЕЧИ!!!
Для справки смотри дату открытия и название темы

BlackCat_2
Tankoman=:

Там действительно не только обсуждаются, но и проводятся бои… в отличие от постоянной словесной перепалки, котрую переодически затевает известный “троль” 😉
смотри дату открытия темы

Я, конечно извиняюсь, но хотелось бы услышать ответ на вопрос. Все -таки Вы ответили человеку, который говорил про Пилотажевские танки, рекламой вашего ресурса , хотя человек затрагивал именно Пилотажевский бой, а не Тамия. И если Вы там проводите бои в Пилотажевском стандарте - то я буду рад это услышать и Ваш ответ - не реклама. В противном случае - как обычно - навязчивая реклама по поводу и без повода .

Tankoman=

По моему есть разница между рекламой и полезной ссылкой, что бы не повторять по десять раз, что уже обсуждали.
Насчет Пилотажевских боев, это начальная ступень для самых маленьких в силу своей примитивности. Впрочем и Тамиевская, мне уже кажется устарела.
!ИМХО!

BlackCat_2
Tankoman=:

По моему есть разница между рекламой и полезной ссылкой, что бы не повторять по десять раз, что уже обсуждали.
Насчет Пилотажевских боев, это начальная ступень для самых маленьких в силу своей примитивности. Впрочем и Тамиевская, мне уже кажется устарела.
!ИМХО!

Ну вот видите - почти можете, если хотите. Остается добавить только диапазон цен. Если Тамия компатибл бой от Дейва- стоит более 150 долларов без доставки, Ваш - некое урезанное подобие Тамии - около 100 долларов. То уже Итальянский -… сколько он там стоит то - я как-то не отслеживал у америкосов - не интересно в виду полной бредовости идеи введения БРЕМов во время боя.

Не говоря уже о том, что во Второй Мировой и у нас и у Немцев таких машин было - кот наплакал.

Tankoman=

Именно из-за неоправданно завышенной стоимости всех этих систем боя
и была сделана САМОДЕЛЬНАЯ система с перспективой развития.
tankoman.narod.ru
Кто может, пусть сделает лучше 😇
Флудить, не мешки ворочить

Xander-A
coolvoldik:

У Henga, эти крутые, железные редуктора гремят громче динамиков.
Все оси с шестернями имеют люфты, как осевые ,так и радиальные.
Железо сыромятина оцинкованная.Дайте танку нагрузку и через сто метров по пересеченке ,у вас кругляши остануться вместо шестерен. Звук из динамиков похож на скрип из унитаза. Кроме амбиций у Henga пока ничего нет.Еще пару годиков над качеством поработают, тогда посмотрим.

Володя такое может и с любым другим танком произойти , для этого мы сдесь и собрались чтоб доделывать свои модели , а не хаеть их . В частности чтобы защитить редуктора их надо герметизировать и обильно смазывать , а танк мой прошел уже с километр в условиях песка и грязи . Вы лучше бы подсказали как ошибки производителей исправлять .

Привет еще раз всем , в этой теме развивали тему боя . И ни кто так с места и не сдвинулся , а в чем дело то ??? Только болтовня одна (сори за прямолинейность) , не кто из вас не написал как собрать дома и окопы для боя. Я лично собираю дома для боев 16 массштаба . Причем собираю дома для пневмо боев , дома разрушаються от попадания . Дома с массштабных кирпичей , разборные полностью и рушаться как настоящие . От попадания например может обрушиться только угол дома или стена. Собирать надо время , но зато эффект огромный , допустим если спрятаться за дом и попасть под обстрел , то есть возможность просто проехать через него. Очень зрелещно. Чтобы разрушить дом полностью надо прострелить все углы в нем и стены. Примерно 6-7 выстрелов .

Tankoman=
Xander-A:

Привет еще раз всем , в этой теме развивали тему боя . И ни кто так с места и не сдвинулся , а в чем дело то ??? Только болтовня одна (сори за прямолинейность) ,

Уважаемый, вы как будто не читали предыдущих постов.
Все уже давно сдвинулось с мертвой точки, по крайне мере в Москве.
Ссылку давал выше.
Насчет страйкбольных танковых боев, тоже пробовали, и отказались по ряду причин от этой затеи.

Xander-A
Tankoman=:

Именно из-за неоправданно завышенной стоимости всех этих систем боя и была сделана САМОДЕЛЬНАЯ система с перспективой развития. tankoman.narod.ru Кто может, пусть сделает лучше Флудить, не мешки ворочить

Сергей сколько же стоит такая система … Хотелось бы преобрести 4 шт…

Tankoman=
Xander-A:

Сергей сколько же стоит такая система … Хотелось бы преобрести 4 шт…

Такие вопросы решаются через “личку”(отправка личных сообщений). Деньги не самоцель, возможны другие варианты сотрудничества или обмена.

BlackCat_2
Xander-A:

Сергей сколько же стоит такая система … Хотелось бы преобрести 4 шт…

Вот интересно, а сколько у Вас в Е-бурге владельцев танков Тамия ?
Вопрос возникает потому как - если у Вас Хенг Лонг со звуком и дымом - то - скорее всего - он уже и ИК бой на борту имеет, просто надо уметь и знать - как его оттуда вынуть.

И вообще - нелишне сначала прочесть про стандарты (их всего пока ТРИ) иК танковых боев.
Самый дорогой и самый МАЛОРАСПРОСТРАНЕННЫЙ в России - это Тамия.
Далее Хенг Лонг и Пилотаж.
В свое время именно Сергей Танкоман подкинул восхитительную идею - как можно использовать плату ИК боя от Пилотажа в ЛЮБЫХ танках. Потом в замечательном клубе ему объяснили - что ЭТО - есть глупость и не правильно, а что правильно - ТАМИЯ и возможность изъятия денег из членов клуба при продаже им тамия компатибл боя.

А имея не тамия компатибл бой - Вы сможете воевать с любым Хенг Лонговским танком. А вставив в него ( по идее того же Сергея Танкомана) Пилотажевский бой - Вы сможете воевать со всеми Пилотажевскими танками.

Учитывая стоимость пилотажевской платы - 250 - 300 рублей. Почувствуйте разницу.

Я еще понимаю, если бы Вы жили в Москве и собирались платить деньги господину ХАЛу за иметь честь быть членом его клуба и воевать по его правилам в кинотеатре Меридиан . Или выезжать в Европу или Америку на соревнования по танковым боям.

Блин - написать что ли инструкцию с картинками и принципиальной схемой Пилотажевской платы - как встраивать в танки Хенг Лонг и прочие самоездящие тележки платы от Пилотажа.

Пы.Сы. Специально внимательно посмотрел на Ваш Тигр - он с 18 платой управления - в этой плате УЖЕ ЕСТЬ ИК бой. Правда, по мнению воюющих в ИК бои - самый невыразительный. Но и тем не менее - со звуками попадания в Танк

Kerby77
BlackCat_2:

если у Вас Хенг Лонг со звуком и дымом - то - скорее всего - он уже и ИК бой на борту имеет, просто надо уметь и знать - как его оттуда вынуть.
Специально внимательно посмотрел на Ваш Тигр - он с 18 платой управления - в этой плате УЖЕ ЕСТЬ ИК бой.

Т.е. в версии с пневматикой есть ИК-бой? Расскажите как “его отттуда вынуть”, надо ли докупать ИК-грибки? Было бы очень познавательно.

BlackCat_2
Kerby77:

Т.е. в версии с пневматикой есть ИК-бой? Расскажите как “его отттуда вынуть”, надо ли докупать ИК-грибки? Было бы очень познавательно.

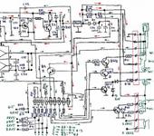
Вот схема подключения 18 платы в ИК Хенг Лонговском танке. Что непонятно - спрашивайте

IR Led - излучатель ИК посылки выстрела
IR Detector - приемник трехногий ИК излучения.

Так что - надо докупать не грибки (хотя на Е-бэе я встречал юзаные такие части), а делать их самому. Точно продается вспышка выстрела для хенг лонга

Т.е. при переделке (доделки ) аирсофт Хенг Лонга до ИК боя - у Вас будут сложности с пушкой - вернее откатом ствола при выстреле, далее - вспышка выстрела. Если не делать вспышку и откат - то все затраты - ИК фотодиод для выстрела и три - четыре ИК приемника

Только выстрел ИК со звуком - от нажатия кнопки пушка. а не от стика левого

Второй рисунок - это принципиальная схема (ее часть без приемной и управления моторами) Пилотажевской платы с подключением к ней внешних устройств для имитации ИК боя

translate.google.ru/translate?sl=en&tl=ru&js=n&pre…

erk191

Интересно! Присоединяюсь к Вадиму.

HAL
BlackCat_2:

В свое время именно Сергей Танкоман подкинул восхитительную идею …

Я еще понимаю, если бы Вы жили в Москве и собирались платить деньги господину ХАЛу за иметь честь быть членом его клуба и воевать по его правилам в кинотеатре Меридиан.

Если быть более точным, но ЭТУ идею Танкоман почерпнул у Димы из Тулы… Ах да ж, Вы то присоединились то к танкам с октября 2009 года…
А идею эту Дима (CSpirit) озвучил чутка раньше, во время нашего Клубного визита в Тулу… да и на нашей конференции это обсуждалось достаточно, но вот поддержки не нашло…
А Вы, ТоварисЧ, оказывается любите обсирать честных и увлеченных людей? Причем обсираете изысканно… Интересно, а сколько Танкоман лично мне заплатил за честь быть членом “моего клуба”, он Вам не рассказывал? или любой другой человек, который увлечен темой Танковых боёв? Интересно было бы узнать…
Не поделитесь инфой, уж дюже интересно…

Kerby77

Т.к. в электронике я полный “0”, объясните пожалуйста подробнее - что-куда подключать и как.

HAL
Tankoman=:

…и была сделана САМОДЕЛЬНАЯ система с перспективой развития…

Серега, ты её до ума только доведи… не засирай мозги людям. В твоей системе очень много “читерских” вещей.
Видели мы твою систему боя + озвучили (кстати Волонтир и Нафаня) что необходимо с точки зрения потребителя… И что? Если тебе насрать на мои просьбы - хрен со мной, но тебя просили ребята, кстати конечные пользователи… И что? Где результат то? То, что ты говоришь о готовой системе - очень сыро.

На сегодняшний момент есть опробованные три системы и управлени и боя.

  1. Ельмод - 305 евро.
  2. RX-18 + DBC-2 (получаем первую партию через две недели). RX-18+RCTW(1) уже опробованная и хорошо зарекомендовавшая себя система (управление + ИК бой) - 150 долларов.
  3. Тамия - от 500 до 600 долларов.

И система боя IBU с расширенным функционалом. Система не опробирована у нас. Цена 210 евро.

Решать в конечном итоге Вам (это не относится ни к Танкоману, ни к Черному Кошаку) как потребителям. Все системы - опыт эксплуатации и установки широко освещается на http://www.d-i-m.su (прошу прощения у модераторов конфы что сослался на нас - не терплю когда говорят люди которые ничего не видели и не испытали + еще позорящие уважаемых мною людей)