починка китайской машинки
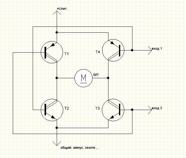
Подскажите от чего будет питаться кусок этой схема, земля есть, а куда будет идти V+ ?
Жду, кстати спасибо большое за помощь!
теперь она хоть както должна дрыгать моторчег, но для полного открытия надо устанавливать доп транзисторы с резисторами
у тебя управление + или - идет? какой сигнал на микросхеме появляется?
в итоге всеравно к этому придешь rcopen.com/forum/f8/topic203953/29
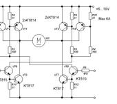
Управление идет + с микросхемы, родная силовая часть и состоит из 6 транзисторов, но мне эта схема не нравится, первоначально в этой схеме менял сгоревшие транзисторы, после второго раза надоело! да и транзисторы идет китайские, которые сгорают при малейших перегрузках.

А если в этой схеме С8550 поменять на кт816, D882 поменять на кт815, а С945 поменять на кт315, работать будет?
да! я имел ввиду использование кт816/815 даже маленькие мож не менять, на них мотор руля работает без проблем
просто выпаивай силовые и меняй на нашы советские, и всё
а, они просто не закрываются до конца вот и грелись, разьедени коллекторы всех транзисторов и проверь работоспособность, еще можно входа посадить через резисторы 5-10кОм на землю для полного закрытия транзисторов, и подключать через 2 кОм на ноги микросхемы
транзисторы походу пробило, проверяй, если есть тестер проверяй открытие закрытие каждого транзистора отдельно, мотом амперметром в разрыв между коллекторами, в состоянии покоя не должно быть ни каких токов
Судя по оригинальной схеме управление идет двумя положительными напряжениями по разным входам. На одном 0 на другом 1 грубо говоря. В мостовой схеме плечи открываются разной полярностью. Когда база верхнего (по схеме) притянута к земле на базе нижнего по диагонали должен быть +. Это и реализует схема с 6 транзисторами. То что в посте 59 просто открывает два транзистора на одной стороне моста организуя КЗ - вот они и нагрелись.
То есть схема все таки не правильная и использовать ее нельзя. Схему из поста №53 можно использовать или нет? Если нет, тогда остается схема из поста 57 или 37.
Из поста 53 тоже даст КЗ. Из 57 самая рабочая. Я так понимаю это и есть оригинальная(надо только посчитать какие должны быть резисторы если не оригиналные). Вообще китайцы лишних деталей ставить не будут и похоже схема из 57 самая минимальная по деталям.
chestar, в любом видеомагнитофоне, коих сейчас валяется немеряно, есть BA6209, или похожая на неё. Глянь www.datasheet4u.com/share_search.php?sWord=BA6209 . Может будет проще?
Здравствуйте Юрий, ваш вариант не плохой, но мне не подходит, ибо лишних поломанных магнитофонов нет, а покупать эту деталь мне выйдет дороже, чем купить поломанный магнитофон на разборке, такие уж у нас магазины в городе, да и выдерживает она всего лишь 1,6А, а стары транзисторы и не дорогие и у себя в наличии имеются.
Удалил.
Писал думал новая тема, а оказалась таже только по второму кругу ))))
Вроде на первой странице еще все описанно.
Нового тут нечего придумывать, разве только микруху поставить ))
Еще решил отписаться, в родной схеме заменил все силовые транзисторы на кт816 и кт815, ничего не заработало! Так же пробовал заменить управляющие транзисторы на кт315г, но результат был тот же.
Да Владимир, Вы правы тема та же, уже по второму кругу идет, но машина уже другая!
Появились еще мысли по поводу схемы из поста 57. Для улучшения запирания можно попробовать подключить базы транзисторов через сопротивления с десяток килоом - верхних транзисторов к питанию, нижних - к земле. Не знаю на сколько такая мера для биполярных транзисторов актуальна, но чисто ради попробовать как вариант. И для более равномерного нагрева транзисторов, желательно диагональные транзисторы моста (на рисунке пост 57 они с одной стороны) подобрать с близким коэффициентом передачи тока. Ну и очень желательно радиатор. Только не сажайте все 4 на одну пластину. Электрический контакт корпусов (коллекторов) допустим между диагональными (по схеме) транзисторами. Как правило у мощных отечественных транзисторов напряжение насыщения около 2В, т.е. при токе 1-2 А уже они рассеивают около 2-4 Вт, и без радиатора это их примерный предел.
Пока писал, вы уже сказали, что не работает. А управляющая схема рабочая? при включении газа напряжение на входах появляется?
Вообще китайцы лишних деталей ставить не будут и похоже схема из 57 самая минимальная по деталям.
Прозрение пришо наконец. По поводу 57, вообще при использовании более мощных транзисторов, опытным путем придется подберать резисторы.
Да я был не прав соединенные базы транзисторов вместе давали КЗ, поэтому там и стоят дополнительные транзисторы по типу кт315
Схему еще раз вчера проверял, микросхема рабочая при включении вперед появляется два положительных импульса 0 и 3,2 на разных ногах соответственно, ну и наоборот при включении назад
собирай по посту 57 только транзисторы испульзуй светские
Я же уже написал что эта схема не работает, во всех китайских машинках одинаковая схема для работы двигателя, схема которая идет у меня в машине изображена в посту 57, только транзисторы другие, и я уже писал что если впаять советские транзисторы, машинка не подает жизни, и в первой машине я проделывал такие операции, но реально заработала у меня схема только из поста 37. Сейчас мне человек прислал еще одну схемку, попробую еще ее и отпишусь!
В этой схеме при 0 на обоих входах будет КЗ потому что все транзисторы откроются. Нормальная схема из поста 57 или 73 на больший ток.