Кто переделывает игрушки в модели?
Как же все запутано ! “”““APM 2.6 с PPM прошитым под S-BUS виброразвязка для APM со встроенной PDB c PM для APM и двумя BEC на 5V и 12V, GPS с компасом и стойкой “обычная серва от APM”, воткнул ее в 3й выход,””“” kabuum все правильно написал ! Дерзайте !
Наверное "Kujbor хочет сделать квадрокоптера на колесах

А классная штука блин! 😁
Нашёл вот такой: rc-go.ru/…/kollektorniy-regulyator-reversniy-scr-0…
Он питается от передатчика. X8R не сдохнет от такого?
Он питается от передатчика
От передатчика???
Как правило приемник питается от встроенного в регуляторы БЭКа (стабилизатора напряжения).
Или приемник запитывают от другого источника или аккумулятора!
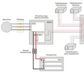
У вас видимо на почве квадрикоптеров - заблуждения, что все приемники должны быть интегрированы на одной плате с контроллером управления полетом со встроенным стабилизатором напряжения (типа- APM 2.6 с PPM прошитым под S-BUS…).
Не слабоват ли регулятор ? Реверсный коллекторный регулятор хода SCR-02H предназначен для установки на микро авто- судомодели c двигателями класса 130, 180
Пост №768
rcopen.com/forum/f73/topic204879/773
От передатчика???
Как правило приемник питается от встроенного в регуляторы БЭКа (стабилизатора напряжения).
Или приемник запитывают от другого источника или аккумулятора!
У вас видимо на почве квадрикоптеров - заблуждения, что все приемники должны быть интегрированы на одной плате с контроллером управления полетом со встроенным стабилизатором напряжения (типа- APM 2.6 с PPM прошитым под S-BUS…).
Вы по ссылке не смотрели что ли? Там в названии товара написано: Коллекторный регулятор реверсный, SCR-02H (питание от приемн.).
Собственно, речь то моторчике крохотном, на 3А.
Интересно, кстати, где вы видели в коптерах мозги, тем более APM, со встроенным приемником и платой питания? Это как раз совершенно нехарактерно для коптеров. Обычно отдельно контроллер, отдельно esc, отдельно ubec для мозгов и часто еще для видео.
Прямое подключение к апм я впервые увидел как раз у прошивки APM:Rover, для машинок.
решил попробовать оживить сдохшую китайскую машинку на РУ.
Сделайте фото машинки, тогда будет о чем говорить. Масштаб ???
Сделайте фото машинки, тогда будет о чем говорить
+100 Похоже на троллинг
Вы по ссылке не смотрели что ли? Там в названии товара написано: Коллекторный регулятор реверсный, SCR-02H (питание от приемн.).
А приемник ВЫ запитывать от чего будете?
В приемнике FrSky X8R есть встроенный BEC (бек)?
Если есть, то на какой макс ток он рассчитан?
А какой ток на моторе?
Нашёл вот такой: rc-go.ru/cat/kollektorniy-re...nie-ot-priemn/
В топку такой регуль, он для машинок 1/24 пойдет только. У вас мотор 260-го типоразмера и у аналогичных ток в 4-5А.
Берете покупаете регулятор для 1/16-1/10 например От него уже будет питаться ваш приемник и он управляет мотором.
Пока что выискал, что вроде как можно разобрать самую дешманскую серву и подключить мой мотор через нее.
Угу. Можно. Только еще потенциометр из сервы достаньте, чтоб он отслеживал насколько повернуты колеса. Иначе будет все время в одну сторону мотор крутить.
Только вот у меня даже обычная серва от APM почему-то не работает. Выводы никакие не переназначал, воткнул ее в 3й выход, и нихрена…
Воткните в приемник её напрямую. АПМ вам здесь вообще зачем???
+100 Похоже на троллинг
Это кому ???
Это кому ???
То к Kujbor
Столько букфф про коптЕры написал, но типа не знает элементарные вещи, и причем в этой теме с первой страницы практически все пишут одно и то же… только читай и читай.
На всякий случай азы по сcылке 😎
www.rcdesign.ru/articles/radio/newbies_radio
+100 Похоже на троллинг
А приемник ВЫ запитывать от чего будете?
В приемнике FrSky X8R есть встроенный BEC (бек)?
Если есть, то на какой макс ток он рассчитан?
А какой ток на моторе?
Приемник запитан от батареи 2S через ubec на 5v 7a. В нем нет bec, но все выводы имеют +,- и сигнал и эти +/- параллельны, то есть питание было бы от ubec фактически. А какой максимальный ток держит x8r, это и был мой вопрос. 😃
Мотор потребляет до 3а. Я писал об этом.
В топку такой регуль, он для машинок 1/24 пойдет только. У вас мотор 260-го типоразмера и у аналогичных ток в 4-5А.
Берете покупаете регулятор для 1/16-1/10 например От него уже будет питаться ваш приемник и он управляет мотором.Угу. Можно. Только еще потенциометр из сервы достаньте, чтоб он отслеживал насколько повернуты колеса. Иначе будет все время в одну сторону мотор крутить.
Воткните в приемник её напрямую. АПМ вам здесь вообще зачем???
Купил в итоге вот такой. Приемник с сервой от ubec питается, а регулятор напрямую от батареи.
С сервой сделал проще – выкорчевал родной механизм и воткнул небольшую серву sg90. Не знаю на сколько ее хватит, но работает. Когда разобрал, узнал про потенциометр, и понял что все не так просто, так что решил сделать именно так.
Про APM – отчасти привычка. 😃 Ну и у вас есть прошивка Rover, для машинок. Типа автопилот, по gps и с телеметрией.
В общем все собрал, все работает. Единственное что смущает – регулятор пищит почему-то достаточно сильно. Работает, но пищит. Закономерности пока не выявил, но в основном пока газ не в центре.
Скажу сразу, наверняка я не знаю, но по-моему, выводы приемника рассчитаны на небольшой ток, в районе 0.5А, то есть, моторчик микросервы от приемника можно запитать напрямую, а вот уже двухсотые и выше - нужно отдельно питать.
Вот такой, 130й - я совершенно точно сам запитывал от приемника, из дешевой синей микросервы со съедеными шестеренками доставал регулятор, подпаивал к нему вместо сервовского моторчика этот 130й - и он у меня нормально крутит колеса с рейкой, питаясь прямо от приемника. Хотя я его особо никогда не клинил, это, как раз, и может быть чревато при питании моторов напрямую от выводов приемника. Для управления рулем - пойдет, а вот ведущие колеса крутить - все-таки через регулятор отдельный стоит питать.
то есть, моторчик микросервы от приемника можно запитать напрямую,
130й - я совершенно точно сам запитывал от приемника, из дешевой синей микросервы со съедеными шестеренками доставал регулятор, подпаивал к нему вместо сервовского моторчика этот 130й - и он у меня нормально крутит колеса с рейкой, питаясь прямо от приемника. .
Друзья , что то как то запутано ! ТО моторчик микросервы можно запитать напрямую от приемника , то через регулятор питаясь прямо от приемника , то опять ““Чревато при питании моторов напрямую от выводов приемника””. В серве уже вмонтирован регулятор , а для отдельных моторов применяю отдельные регуляторы ( можно от той же сервы ).
Скажу сразу, наверняка я не знаю, но по-моему, выводы приемника рассчитаны на небольшой ток, в районе 0.5А, то есть, моторчик микросервы от приемника можно запитать напрямую, а вот уже двухсотые и выше - нужно отдельно питать.
Вот такой, 130й - я совершенно точно сам запитывал от приемника, из дешевой синей микросервы со съедеными шестеренками доставал регулятор, подпаивал к нему вместо сервовского моторчика этот 130й - и он у меня нормально крутит колеса с рейкой, питаясь прямо от приемника. Хотя я его особо никогда не клинил, это, как раз, и может быть чревато при питании моторов напрямую от выводов приемника. Для управления рулем - пойдет, а вот ведущие колеса крутить - все-таки через регулятор отдельный стоит питать.
Питание и минус всех каналов приемника параллельны. Так что сколько бек регулятора или внешний дает столько и получите.
Pincky правильно написал . Все плюсы и минусы на разъеме приемника параллельны Для приемника нужно четко стабильные 5-6 Вольт.
Для моделей с ДВС используют небольшой аккумулятор исключительно для приемника и сервы.
Для моделей с электродвигателем используют силовой аккумулятор. Но ходовые движки дают “просадку” по напряжению и зачастую помехи от двигателя!
Поэтому используют стабилизатор-ВЕС (бек по-русски) который ставят между силовым аккумулятором и приемником. Обычно он встроен в регулятор хода, но иногда-для питания мощной сервы бывает в виде отдельного элемента.

Pincky правильно написал . Все плюсы и минусы на разъеме приемника параллельны Для приемника нужно четко стабильные 5-6 Вольт.
Для моделей с ДВС используют небольшой аккумулятор исключительно для приемника и сервы.
Для моделей с электродвигателем используют силовой аккумулятор. Но ходовые движки дают “просадку” по напряжению и зачастую помехи от двигателя!
Поэтому используют стабилизатор-ВЕС (бек по-русски) который ставят между силовым аккумулятором и приемником. Обычно он встроен в регулятор хода, но иногда-для питания мощной сервы бывает в виде отдельного элемента.
Все так уже и сделано)
Единственное что смущает – мотор дико пищит когда газу дашь. Даже если чуть-чуть нажать, он еще не крутится, но уже пищит. Так громко блин, из другой комнаты слышно. Ночью совсем не потестировать…
Начитался в интернете, что это обмотка двигателя резонирует, и надо частоту ШИМ повысить. Кто-то знает, так ли это, и как это сделать?
Начитался в интернете, что это обмотка двигателя резонирует, и надо частоту ШИМ повысить. Кто-то знает, так ли это, и как это сделать?
Так сделайте свой регулятор хода, Говорят что на Ардуино это- как “два пальца об асфальт” 😉 называют “драйвером двигателя”.
А еще можно подобрать правильный двигатель который бы соответствовал данному уровню ШИМ данного регулятора, но без осцилоскопа оно навряд-ли
Так сделайте свой регулятор хода, Говорят что на Ардуино это- как “два пальца об асфальт” 😉 называют “драйвером двигателя”.
А еще можно подобрать правильный двигатель который бы соответствовал данному уровню ШИМ данного регулятора, но без осцилоскопа оно навряд-ли
Ардуина огромная по сравнению с этим регулятором. Драйвер двигателей – дополнительный шилд, который еще больше. Такая конструкция будет больше чем тот же APM по размеру)
Ардуина огромная по сравнению
Да вы батенька гоните не по детски 😃

Драйвер двигателей на микросхеме HG7881, модуль для ардуино