схема L297 + 7409 + irfz44

ATLab
Valery55:


Такой вопрос, у меня диоды стоят на транзисторах на С-И, правильно ли это, или их нужно ставить на + - С?
Стоит ли попробовать поднять напряжение вольт до 30?
С уважением, Валерий.

Конечно, стоит попробовать поднять напряжение до (5…6)*Uдв, где Uдв=I*Rобм. В вашем случае это (5…6)*1,5*3,35=25-30 В.

Относительно диодов: включать их между С-И, imho, бесполезно - внутри IRL540N есть диод. Можете попробовать убрать - ничего не должно измениться.

Anton_M
Valery55:

вопрос, у меня диоды стоят на транзисторах на С-И, правильно ли это, или их нужно ставить на + - С?

диоды нужно ставить от стока на точку с напряжением в два с небольшим раза большим напряжения питания ШД. а напряжения транзисторов должны быть еще по больше.

но при маломощной нагрузке достаточно диодов в нутри транзистора. но транзисторы должны быть на напряжение более чем в 2 раза превышающее напряжение питания ШД.

1 month later
mihas

Во-первых - приветствую форумчан и умных, и любопытных. и, поскольку, отношу себя скорее ко вторым, то сразу перехожу к “во-вторых”.
Презентовали хорошую печатку, собрал контроллер, быстро… А потом начал вникать и сделал ряд “открытий”,например: чем биполярный двигатель отличатся от униполярного. Позже презентовали шаговичек 103Н8221 Sanyo Denki по типоразмеру это будет 86ST64. Датащит обещает 27кг*см для биполярного и 21кг*см для униполярного. Но, поскольку, контроллер уже собран планирую два варианта событий
а) перемотать двигатель (в чем не вижу никаких принципиальных сложностей) вместо провода 0,5 двумя по 0,3-0.35;
б) попытаться “проапгрейдить” контроллер до полномостовых выходов.

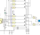
Посмотрите, пожалуйста, на картинки. Чтобы не отнимать времени на разгадку чужого бреда - немного проанонсирую.
В одном варианте к выходам L297 подключается еще логика 4х2и-не(1533ЛА3) для того, чтобы получить сигналы инверсные выходам 7408 ( в недрах этой темы есть рассуждения о несоответсвии выходных параметров логики, только уже не помню - не по току ли, поэтому логика стоит как буфер) ;
во втором варианте затворы ключей распаяны крест-на-крест. Я с “полевиками” практически “никак”, попрошу прокомментировать: будут ли такие мосты работать?

ATLab
mihas:


Посмотрите, пожалуйста, на картинки.
… Я с “полевиками” практически “никак”, попрошу прокомментировать: будут ли такие мосты работать?

Не будут. Прежде чем рисовать схему, нужно разобраться, как работают полевики 😉
Если сам нравится сам “процесс”, то желаю успеха в изучении.
Если нужен результат - лучше купите, не теряйте времени или поставьте L298.

P.S. напомню, схема замены L298 приводилась в последнем посте темы rcopen.com/forum/f110/topic55444

mihas

Да, верно - для открытия верхних ключей уровня логики(относительно общей GND) недостаточно. Спасибо ATLab - предостерегли от ненужных подвижек. Не согласен только по поводу: “нравиться сам “процесс”” - Да! нравится , как и всем кто читает и пишет в форум, а иначе лучше действительно купить готовый станок.

Перемотаю мотор - уж больно контроллер ладненький получился, не буду расковывыривать.

ATLab
mihas:

…Не согласен только по поводу: “нравиться сам “процесс”” - Да! нравится , как и всем кто читает и пишет в форум, а иначе лучше действительно купить готовый станок.

А я разве в упрек? 😃 Многим “сам процесс нравится”, и мне тоже.

mihas

-“Двойка”!
-Нельзя “тройку”?
-Нет!
-А “четверку”?
-…
Из репертуара Р.Карцева и В.Ильченко

А оптроны в затворы “верхних” ключей?

Valery55

Всем добрый день!
Вопрос: в схеме CNC3AX на разъеме для подкл. к LPT соединены 10 и 17 пины.
Для чего это сделано?
И что еще надо сделать, чтобы работала TURBOCNC.

С уважением, Валерий.

ATLab
mihas:

А оптроны в затворы “верхних” ключей?

  1. Не вдаваясь в подробности, и, исходя из того, что верхний транзистор N-канальный, как и нижний:
  • нужно обеспечить достаточное напряжение отпирания на затворе верхнего транзистора по отношению к его истоку;
  • потенциал истока верхнего транзистора - плавающий.

В какое место здесь присобачить оптрон?

Нужен плавающий источник питания, его-то и обеспечивает IR2104.
Их подручных средств можно попробовать использовать изолированные преобразователи напряжения -по одной штуке на каждый верхний транзистор.
Например маломощный преобразователь 5В->9В можно взять на старой сетевой карточке с BNC (коаксиальным) разъемом. Или что-то подобное.

2.Гораздо проще будет схема, где верхний транзистор P-канальный - нет проблем с плавающими источниками, нужен только преобразователь уровня. Вот сюда уже можно пробовать лепить оптрон.

  1. Вообще использовать оптрон идея не очень хорошая - они довольно медленные устройства, получить на обычных оптронах фронты в 50-100 нс невозможно, а быстрые оптроны - дорогие.
    Вот и выходит - проще поставить специализированные драйверы.
VD46

Ключ для биполярного лучше сделать так

mihas

Не-е: “чем дальше в лес, тем толще партизаны”… 😃

Пошел я к шкафчику за намоточным проводом, хрен с ними, с этими килограммами…
Все мы знаем во что превратится плата после дооснащений. 😮
А спасибо - еще раз.

ATLab
mihas:

Пошел я к шкафчику за намоточным проводом, хрен с ними, с этими килограммами…
Все мы знаем во что превратится плата после дооснащений. 😮

А может лучше хрен с ним, с проводом? Лучше сделать хороший контроллер под хороший двигатель.
А контроллер на L297+IRLZ44 - баловство, не стоит из-за него портить движок.

Mobi

Лучше сделать хороший контроллер под хороший двигатель

Это какой ?
Кстати есть ли какой нимбудь простой в исполнении микрошаговый контроллер ?

mihas
ATLab:

А может лучше хрен с ним, с проводом? Лучше сделать хороший контроллер под хороший двигатель.
А контроллер на L297+IRLZ44 - баловство, не стоит из-за него портить движок.

Да и то правильно.
1.Закручу назад крышки двигателя ( за малым не начал разматывать - дай, думаю, еще гляну, что корифеи скажут).
2.Скомплектую и соберу платку на L297 + 2* L6203.
3.Подвешу пока под французской платой, а заведу на тот же LPT к свободным пинам, поддерживаемым Mach2 . Получится контроллер 3Uni + 1Bi, а дальше по мере появления двигателей или дальше расширять биполярный сектор или подключать к готовым униполярным выходам.

Опять спасибо!

mihas

Я в этой связи вот что подумал: для увеличения момента запросто можно перераспаять униполярный двигатель в биполярный, потому что сама технология их намотки предусматривает исполнение “из-под топора” и всегда доступ к концам обмоток свободен. А выигрыш в моменте примерно до 30%. Но это уже не в эту тему.

ATLab
Mobi:

Это какой ?

Я не возьму на себя ответственности давать совет по выбору модели контроллера для изготовления или покупки. Тут каждый должен решить сам, чтобы не было обид и разочарований с претензиями.
Читайте, думайте, сопоставляйте.

Кстати есть ли какой нимбудь простой в исполнении микрошаговый контроллер ?

Простой это какой? На одной микросхеме, или чтобы спаял и тут же все заработало?
Для каких двигателей, на какие токи, скорости? И т.д.
Пока не будет четкого представления, что требуется, до тех пор не будет и ответа.
Читайте форум, на эту тему написано уже очень много.

RID
GOOD:

Получается - диоды нужны. (но почему стоят стабилитроны ???)

Они стоят для защиты транзистовов от превышения напряжения, актульно при напряжении питания близком к предельно допустимому для транзисторов. ( Хотя проще защиту поставить было на напряжение питания, одну, на все каналы)
А могут меня просвятить, чем эта схема лучше стандартной на L298?
(Преимущество в большем токе, ка я понял, многим не нужно. Да и 298 можно в параллель поставить)
Удачи.

Mobi

Простой это какой? На одной микросхеме, или чтобы спаял и тут же все заработало?
Для каких двигателей, на какие токи, скорости? И т.д.
Пока не будет четкого представления, что требуется, до тех пор не будет и ответа.

Чтоб без PICмикроконтроллера. 😒
Нужен микрошаг 10/1 для биполярного двигателя с частотой приемистости 1500Гц и
током фазы 2.5А

З.Ы. Извиняюсь что не в тему 😇

Anton_M

Поймите наконец ! Ограничение напряжения должно быть более чем в 2 раза выше чем питание моторов.

Уж сколько раз повторяю.

Если микруха Аллегро на 46 вольт максимум то в ДШ разъяснено что мосфеты в ней на 100 вольт !

www.allegromicro.com/sf/97042/

Можно запомнить раз и навсегда !?

Когда вы на одной обмотке создаете перепад от питания до нуля то на выводе связаной с ней другой обмотки возникает перепад от питания до двух напряжений питания.

Если не верите то книги почитайте.

=======

кстати можете там себе образцы драйверов заказать и не мучится. или на st.com

ATLab
Mobi:

Чтоб без PICмикроконтроллера. Нужен микрошаг 10/1 для биполярного двигателя с частотой приемистости 1500Гц и током фазы 2.5А

См. www.allegromicro.com/ic/motor.asp
Готовой микросхемы с заданными требованиями я не знаю, попробуйте начать с A3986 - добавите к ней полевые транзисторы, вот и драйвер.

P.S. А откуда такая нелюбовь к микроконтроллерам PIC?