Помогите со схемой простого электронного ключа

Сергей_Иванов

Уважаемые коллеги! Очень прошу помогите со схемой электронного ключа. Мне ее нарисовал один человек, говорит, что нормально будет работать, мало жрать в статике. Так вот, повторить я ее смогу своими руками, но прошу глянуть, все ли со схемой в порядке?

Вопросы беспокоят такие:

  1. Эта схема может использоваться только при бортовом пистании 6V (пятибаночный борт). Если борт 4,8V? то, что делать?
  2. У меня самолет ДВС с 5 стандартными сервами, предельная нагрузка не превысит (как я думаю) 2-3 А. Потянет ли полевик без радиатора?
  3. Самое главное! Насколько такая схема надежна. Идея - заменить обычный механический тумблер.
  4. Может быть на вскидку назовете аналоги полевика?

    Спасибо заранее.
mikki

Товарищ просил схему силового ключа для запитывания бортовой аппаратуры)))) Кстати на 6В подобная приведенной вами, Леонид, схематике (на 4013) вылетела на 5 полете. Как мне сказали - 4013 плохо переносит 6В питание… но это ИМХО.
Топикстартеру. Схема нормальная))) я бы только выкинул триггер и поменял местами резистор и кнопку… А вместо кнопки небольшой тумблер поставил… (Как раз сейчас подобную схемку ЛУТом леплю). При такой схемотехнике включение борта происходит при размыкании тумблера и никакой дребезг в полете уже не страшен ИМХО. а отключение - при замыкании.

Я пока планирую 2 параллельно IRF7201 воткнуть… делаю на бензин 30-ку…

Кстати будет круто вместо тумблера использовать аудио джек на 3,5мм маму и к нему типа чеки папу с красной ленточкой))) выдернул штекер с ленточкой - питание включилось)))

Сергей_Иванов
mikki:

Схема нормальная))) я бы только выкинул триггер и поменял местами резистор и кнопку… А вместо кнопки небольшой тумблер поставил… (Как раз сейчас подобную схемку ЛУТом леплю). При такой схемотехнике включение борта происходит при размыкании тумблера и никакой дребезг в полете уже не страшен ИМХО. а отключение - при замыкании.

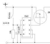
Спасибо! Если правильно понял, то как-то вот так:

А зачем два полевика параллельно?

Если все правильно, то собираюсь собрать без радиатора и протестировать под нагрузкой.

BigDaddy

При такой схеме в режиме"OFF" батарея через резистор 10кОм будет потихоньку разряжаться.

mikki

Это да… но не сильно… а в конце дня батарею и просто выдернуть можно))) зато никакого дребезга. 2 в параллель просто у меня они в наличии да и места занимают чуть… SOIC8…

blade
Сергей_Иванов:

Если борт 4,8V

Схема нормальная.
Поставить не наш триггер 564 серии, а буржуйский- CD4013 к примеру.
Или с любыми другими буквами: это означает только фирму- производитель, а суть- одна.
Они с 3 вольт начинают работать.
И- будет Щастье 😃
И в статике потреблять будет- микроамперы, что гораздо меньше саморазряда аккумулятора.

blade
Сергей_Иванов:

Можно ваять?

Ну, сваять сначала лучше “на столе”…
Микросхему для макета-удобнее брать в корпусе ДИП- паять легче…
Нагрузить лампочкой автомобильной, пощупать насколько греется транзистор-тогда уж решать про радиатор.
Я бы-зашунтировал резистор 10К конденсатором 10мФ.
Работать будет и без него, но от случайного срабатывания-лучше подстраховаться 😦

Dj_smart

Сток-исток попутаны местами. Сравните со схемой в #2. Из-за наличия внутреннего диода все время буде “включено”. Питание серий 561 и 564 3-15 вольт. И раз напряжение не будет превышать 6 вольт, посоветовал бы полевик с индексом “IRL”, для его открытия требуется меньшее напряжение, дя IRF-ов желательно от 7-ми вольт.

Сергей_Иванов
Dj_smart:

Сток-исток попутаны местами

Про первую схему говорим? Тогда, вроде нет. G-затвор S исток D сток. Или я путаю? Если не трудно, какой именно IRL?

Мне сейчас сказали, что IRF устойчиво открываются при 4-4,5 В. Где правда?

mikki

У меня IRF стоят на включение 5В - работают… ИМХО там режим ключевой и время включения непринципиально… Хотя мне больше N-канальные нравятся - бОльшая мощность при меньшей цене)))

Aloha

А вот если регулятор со встроенным BEC не имеет тумблера , то можно ли ключ аналогичный сабжевому использовать для комутации силового питания с батареи (ток до 30-40 А) ?

mikki

Вроде классный включатель… а выключать как предполагаете?

blade
Сергей_Иванов:

Нормально?

На рисунке-нормально.
А как будет в жизни- покажет кскремент 😃
Я бы исчо добавил после полевика (на землю, через резистор 1кОм) светодиод- для более наглядной индикации состояния.

mikki:

а выключать как

А попробуйте набрать в Яхе слова “счётный триггер”.
И станет ясно, что включается такая схема- первым нажатием на кнопку, а выключается- вторым (на неё же) 😦

mikki

Честно говоря думал что это триггер с фиксацией (типа RS что ли… забыл как называется) но тогда как насчет дребезга? конденсатор?

Сергей_Иванов
mikki:

а выключать как предполагаете?

Если честно не понял в чем проблема. Если на прямом выходе (нога 1) высокий логический уровень, то транзистор закрыт, нагрузка обесточена.
Если кнопку нажать, триггер переключится, на ноге 1 будет нолик, полевик откроется, и напряжение пойдет на нагрузку. Если еще раз нажать, то все будет наоборот. Если где ошибка скажите!

mikki

тогда вроде норм… конденсатор от дребезга спасет… хотя его (конденсатор) параллельно контактам ставят ИМХО))) ну а я тем временем свой ужо запаял)))

Сергей_Иванов

Я так думаю, что дребезжат контакты тумблеров/переключателей. И дребезжат именно в замкнутом состоянии. А кнопке как дребезжать, она ж разомкнута всегда 😃 Что бы кнопка замкнулась надо чудовищную вибрацию создать! Конденсатор на схеме не по причине дребезга, а от случайных помех по питанию, сгладит и стабилизирует уровень на входе триггера.

blade:

Я бы исчо добавил после полевика (на землю, через резистор 1кОм) светодиод- для более наглядной индикации состояния.

Не нужно, у меня индикатор бортовой есть. А для тестирования лампочку подключу автомобильную.

mikki

просто могут возникнуть проблемы именно в момент включения-выключения… при нажатии на кнопку на вход триггера приходит целый ряд случайных импульсов… то же происходит при отпускании ее… и в каком состоянии останется триггер после прихода последнего - вопрос))) как раз для этого и ставят параллельно контактам кнопки конденсатор на несколько десятков пикофарад…

это конечно не смертельно, но зачем по нескольку раз кнопку давить чтобы включить-выключить девайс… Сам на этом обжегся…
rcopen.com/files/495da5459970730077127cb8 вот на этой схеме… приходится 2-3 раза иногда нажимать чтоб сработало))) можно было конечно программно решить вопрос дребезга, но выручил конденсатор в параллель кнопке))

Сергей_Иванов
mikki:

как раз для этого и ставят параллельно контактам кнопки конденсатор на несколько десятков пикофарад…

Ну можно поставить. Хотя схема работает так, что если нажать и удерживать кнопку, то серия импульсов не генерится! Случайный набор импульсов будет, если кнопка имеет хреновый-искрящий контакт. Ну пока попробую так собрать. Меня больше беспокоит просадка до 4 вольт, при несвежем аккумуляторе. Буду экспериментировать.

AndyBig
Сергей_Иванов:

Я так думаю, что дребезжат контакты тумблеров/переключателей. И дребезжат именно в замкнутом состоянии.

Дребезжат контакты любых контактных устройств - реле, переключателей, кнопок. Дребезжат они во время замыкания - из-за упругости контактов контактная группа не “прилипает” сразу, а некоторое время вибрирует, то замыкаясь, то размыкаясь. Длится это как правило, от единиц до сотни милисекунд. И вот это дребезжание приводит к тому, что на вход триггера поступит не одиночный сигнал, а целая пачка импульсов с частотой 1-100 кГц. Простейший антидребезг, как уже сказали - кондер параллельно контактам.